This thread has been locked.

If you have a related question, please click the "Ask a related question" button in the top right corner. The newly created question will be automatically linked to this question.

[参考译文] ADS54J64:ADS54J64EVM 输入变压器问题

Guru**** 2502205 points


请注意,本文内容源自机器翻译,可能存在语法或其它翻译错误,仅供参考。如需获取准确内容,请参阅链接中的英语原文或自行翻译。

https://e2e.ti.com/support/data-converters-group/data-converters/f/data-converters-forum/855137/ads54j64-ads54j64evm-input-transformer-concerns

器件型号:ADS54J64

尊敬的同事:

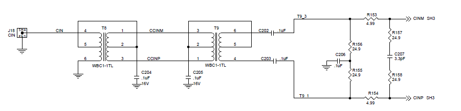
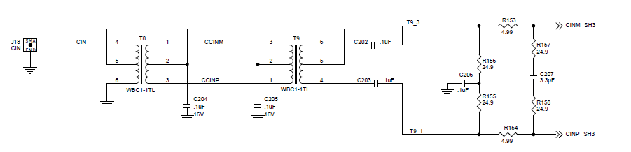
客户询问我们为什么在一个通道中使用2个变压器?

 T9后面的电阻器和电容器网络有什么功能? 我们有详细的描述吗?

非常感谢!

此致、

罗克苏

  • 请注意,本文内容源自机器翻译,可能存在语法或其它翻译错误,仅供参考。如需获取准确内容,请参阅链接中的英语原文或自行翻译。

    岩石、

    背对背变压器用于 校正变压器的相位是否平衡。 R156和 R155用于端接、 R153和 R154用于抑制任何开关反冲、R157、C207和 R156是抑制高频音调和谐波的 LPF。 如果客户 计划使用第二奈奎斯特的中频进行测试、则应移除此滤波器。

    此致、

    Jim