This thread has been locked.

If you have a related question, please click the "Ask a related question" button in the top right corner. The newly created question will be automatically linked to this question.

[参考译文] ADS42LB69:输入上的共模电压问题

Guru**** 2510095 points
Other Parts Discussed in Thread: ADS42LB69

请注意,本文内容源自机器翻译,可能存在语法或其它翻译错误,仅供参考。如需获取准确内容,请参阅链接中的英语原文或自行翻译。

https://e2e.ti.com/support/data-converters-group/data-converters/f/data-converters-forum/1178927/ads42lb69-problem-about-common-mode-voltage-on-input

器件型号:ADS42LB69

您好!

我将 ADS42LB69用于我的应用。 在测试期间、我测试了采样时钟输入上的共模电压。

根据芯片数据表、它必须等于1.4V。

 

 

我在两个具有两 个芯片的板上测量该电压、每个板上有两个芯片。

在电路板中、ADC 原理图/布线(ADC 和电源)是类似的。

在一个电路板上,采样时钟输入电压等于80mV,模拟输入和 Vocm 上的共模电压等于1.078V 而不是1.9V。

在另一个电路板上、对于一个 ADS42LB69、电压正确(1.4V)、模拟输入和 Vocm 上的电压为1.9V。 对于第二种情况、它是随机的。

 

我的电源方案如 ADS42LB69数据表(图125)所示。

 

我实现了以下验证:

-我已断开时钟发生器连接、在差分对上加载100欧姆电阻和串行电容器。

-所有电源均可校正、并且无需对 AVDD 进行定序、只需少许延迟。

AVDD/DRVDD=1.77V、AVDD3V=3.3V。

对于等于1ms 的3.3V 电源、有一个斜升。

-没有寄存器可配置

-电路板启动期间、复位引脚上的下拉 GND。

-在电路板启动期间、CTRL 引脚上的上拉电阻为3.3V。

 

 

问题:

  • 为什么时钟输入上的共模电压不等于1.4V?
  • 如果不存在共模电压,是否可能由于时钟输入闩锁而损坏芯片?

此致

Benoit

  • 请注意,本文内容源自机器翻译,可能存在语法或其它翻译错误,仅供参考。如需获取准确内容,请参阅链接中的英语原文或自行翻译。

    Benoit、

    进入 ADC 的时钟信号的振幅是多少? 该信号是 LVDS 还是 LVPECL? SPI 是否可以在发生故障的器件上工作? 您能否判断故障器件的电流消耗与工作器件是否不同? 是否可以将故障部件更换为工作部件以查看设备是否出现问题? 您测量的时钟引脚到 GND 之间的电阻是多少?

    此致、

    Jim

  • 请注意,本文内容源自机器翻译,可能存在语法或其它翻译错误,仅供参考。如需获取准确内容,请参阅链接中的英语原文或自行翻译。

    你好、Jim

    1.时钟振幅:在我的测试中,时钟被去连接。 输入时钟引脚上未连接任何器件。 在标称条件下、时钟是 LVPECL 信号。

    2、是 SPI 工作正常。 当我在加电后实现寄存器初始化时、读取/写入操作可用。 如果未应用复位脉冲、则可以执行 SPI 操作、但返回值不一致。 复位脉冲在电源后几毫秒内实现。 测量后、我的复位脉冲宽度为10µs μ s、根据数据表、该脉冲宽度太长。

    3.当共模正确时(模拟输入为1.9V,时钟输入为1.4V),复位脉冲将改变共模值并开始失效。

    4.由于他的价格昂贵,我不会更换芯片,故障部件和工作部件之间的原理图和布线相似。

    电阻时钟输入/接地为:5千欧 ,电阻时钟输入 n/p 为2.5 千欧  

    此致

    Benoit

  • 请注意,本文内容源自机器翻译,可能存在语法或其它翻译错误,仅供参考。如需获取准确内容,请参阅链接中的英语原文或自行翻译。

    Benoit、

    尝试发送小于1us 的硬件复位脉冲。

    复位正常工作可能需要输入时钟。 我正在与设计团队核实这一点。

    此致、

    Jim

  • 请注意,本文内容源自机器翻译,可能存在语法或其它翻译错误,仅供参考。如需获取准确内容,请参阅链接中的英语原文或自行翻译。

    Benoit、

    要设置输入时钟引脚上的 CM 电压、不需要时钟信号。  

     观察时钟或输入引脚上的 CM 电压时、是在下拉复位脉冲之后、还是在几秒钟之后?

     VCM 引脚上的电压是多少?

     SYNC 引脚的状态是什么? 如果未使用、则应将 SYNCINP 连接到 GND、并将 SYNCINM 连接到 AVDD。

    此致、

    Jim

  • 请注意,本文内容源自机器翻译,可能存在语法或其它翻译错误,仅供参考。如需获取准确内容,请参阅链接中的英语原文或自行翻译。

    Jim、

    复位脉冲几秒钟后、我观察时钟或输入引脚上的 CM 电压。

    现在、复位脉冲宽度等于400ns。  

    电压 VCM 引脚为:时钟输入为0.4mV,模拟输入为1.78V。

    不使用 SYNC 引脚、SYNCINP 连接到 GND、SYNCINM 连接到 AVDD。

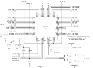
    您可以查看我的原理图吗?

    电源定序是否重要?  

    此致、

    Jim

  • 请注意,本文内容源自机器翻译,可能存在语法或其它翻译错误,仅供参考。如需获取准确内容,请参阅链接中的英语原文或自行翻译。

    当然、发送您的原理图。

  • 请注意,本文内容源自机器翻译,可能存在语法或其它翻译错误,仅供参考。如需获取准确内容,请参阅链接中的英语原文或自行翻译。

    请测量器件的 VCM 引脚27上的电压、并告知我们它是什么。  

  • 请注意,本文内容源自机器翻译,可能存在语法或其它翻译错误,仅供参考。如需获取准确内容,请参阅链接中的英语原文或自行翻译。

    e2e.ti.com/.../Extract_5F00_sch_5F00_ADC.pdf

  • 请注意,本文内容源自机器翻译,可能存在语法或其它翻译错误,仅供参考。如需获取准确内容,请参阅链接中的英语原文或自行翻译。

    你好、Jim

    在不使用配置寄存器复位之前:对于一个 ADC (正确的 ADC)-> VCM 引脚27=1.9V  确定!

                                          对于另一个 ADC (ADC 失败)-> VCM 引脚27=1.78V  NOK!

    配置寄存器后,没有复位 :对于一个 ADC (正确的 ADC)-> VCM 引脚27=1.9V   正常!

                                          对于另一个 ADC (ADC 失败)-> VCM 引脚27=1.78V NOK!

    复位和配置寄存器后:两个 ADC  -> VCM 引脚27=1.78V NOK!

    我认为电源定序和复位操作会对 ADC 启动产生影响。 为什么??

    此致

    Benoit

  • 请注意,本文内容源自机器翻译,可能存在语法或其它翻译错误,仅供参考。如需获取准确内容,请参阅链接中的英语原文或自行翻译。

    Benoit、

    1.尝试将 CTRL 1和 CTRL 同时设置为 GND。

    2.打开电源。

    3.将 SEN 设为高电平。

    4.发出复位脉冲。 确保脉冲在数据表规格范围内。

    5、配置寄存器。

    6.测量 VCM

    确保 L31和 L32输出端的电压同时出现。 如果没有、请将其替换为短路或0欧姆电阻器。

    如果这些步骤不起作用、您能提升3.3V 时间吗? 不确定这是否是问题、但可能值得一试。   

    确保 AVDD 1.8V 稳压器能够提供至少182mA 的电流。 确保在 ADC 电源引脚处 AVDD 至少为1.7V、而不是测试点。

    此致、

    Jim