主题中讨论的其他器件: ADS124S08、 ADS1220、 LM7705
您好!
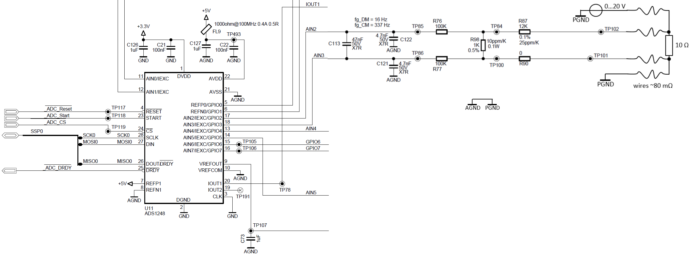
在我的应用中、我使用 ADS1248对功率电阻器进行远程电压测量。
AIN2连接到电阻器(SENSE+)的正电源轨。
AIN3连接到电阻器(PGND、SENSE-)的负电源轨。
我的 ADC 以 AGND 为基准、AGND 连接到同一电路板上的 PGND。
ADC 设置:GAIN=1、使用2.048V 内部基准电压、输入= AIN2-AIN3
从数据表来看、我似乎违反 了部分中所述的 PGA 共模电压要求 9.3.2.1.我希望在 ADC PGA 的输出端将电压削波为100mV。
在 AIN3和 AGND 之间进行测量仅在 UARTUMER = 13V 时达到100mV
尽管如此、我的 ADC 计数看起来很好、它们非常适合理想曲线。
以下是10欧姆电阻器两端的电压与测量的 ADC 计数的关系图、减去了理想的传递函数:
不可见偏移或类似的伪影。
根据我的理解、这是理论和测量值之间的不匹配。 差距在哪里? 我是幸运还是监督过任何事情?
感谢您的评论、
Chris

