This thread has been locked.

If you have a related question, please click the "Ask a related question" button in the top right corner. The newly created question will be automatically linked to this question.

[参考译文] ADS1292R:是否可以推荐寄存器设置?

Guru**** 2540720 points


请注意,本文内容源自机器翻译,可能存在语法或其它翻译错误,仅供参考。如需获取准确内容,请参阅链接中的英语原文或自行翻译。

https://e2e.ti.com/support/data-converters-group/data-converters/f/data-converters-forum/733131/ads1292r-can-you-recommend-register-setting

器件型号:ADS1292R

当我想使用 RLD 电路测量 ECG 时、如何设置寄存器?

您能否建议如何设置寄存器?

  • 请注意,本文内容源自机器翻译,可能存在语法或其它翻译错误,仅供参考。如需获取准确内容,请参阅链接中的英语原文或自行翻译。

    您好、Seonjo、

    感谢您的发帖!

    有关设置 RLD 寄存器的帮助、请参阅以下文章:  

    要考虑的其他寄存器是将在测量中使用哪些通道及其 PGA 设置、内部或外部基准/时钟等

    如果您有其他问题、请告诉我!

  • 请注意,本文内容源自机器翻译,可能存在语法或其它翻译错误,仅供参考。如需获取准确内容,请参阅链接中的英语原文或自行翻译。

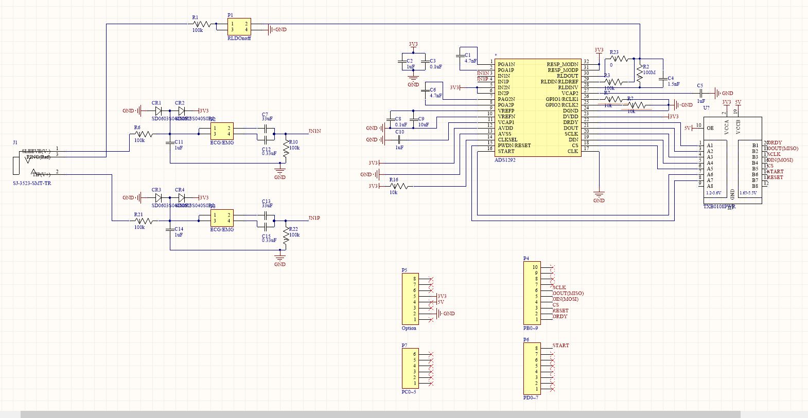
    我想通过 RLD 读取 ECG、因此我连接了电极、左臂为正、右臂为负、右大腿为(RLD)基准。 我按如下方式设置寄存器、然后开始转换;

    (0x02,0b10100000)

    (0x04,0b00000000)

    (0x06,0b00100011)

    (0x0A、0b00000001)

    但 CH1数据仅显示噪声...

    是硬件问题还是软件问题? 我成功读取了增益为6且 Vref 为2.42V 的测试信号(大约±1mV)

  • 请注意,本文内容源自机器翻译,可能存在语法或其它翻译错误,仅供参考。如需获取准确内容,请参阅链接中的英语原文或自行翻译。
    y 轴单位为 mV
  • 请注意,本文内容源自机器翻译,可能存在语法或其它翻译错误,仅供参考。如需获取准确内容,请参阅链接中的英语原文或自行翻译。
    您好、Seonjo、

    您能否正确读取器件 ID? DRDY 是否切换? 我认为是这样、因为您能够毫无问题地读取测试信号、但最好仍进行检查。 请参阅图63。 了解配置器件以进行基本数据采集的其他步骤。

    要调试前端、请使用示波器确认器件(IN1N、IN1P)的输入端存在信号。

    您可以关闭寄存器05h 中的 Ch2、但我看不到您的寄存器存在任何其他问题。

    我将在办公室外工作几天,因此我提前对我的答复延误表示歉意。
  • 请注意,本文内容源自机器翻译,可能存在语法或其它翻译错误,仅供参考。如需获取准确内容,请参阅链接中的英语原文或自行翻译。

    我可以按照我设置的顺序读取所有寄存器。 我将尝试使用示波器进行读取。 我也非常感谢您的建议。 祝你度过美好的一天!