主题中讨论的其他器件: ADS114S08EVM
您好、TI 团队、
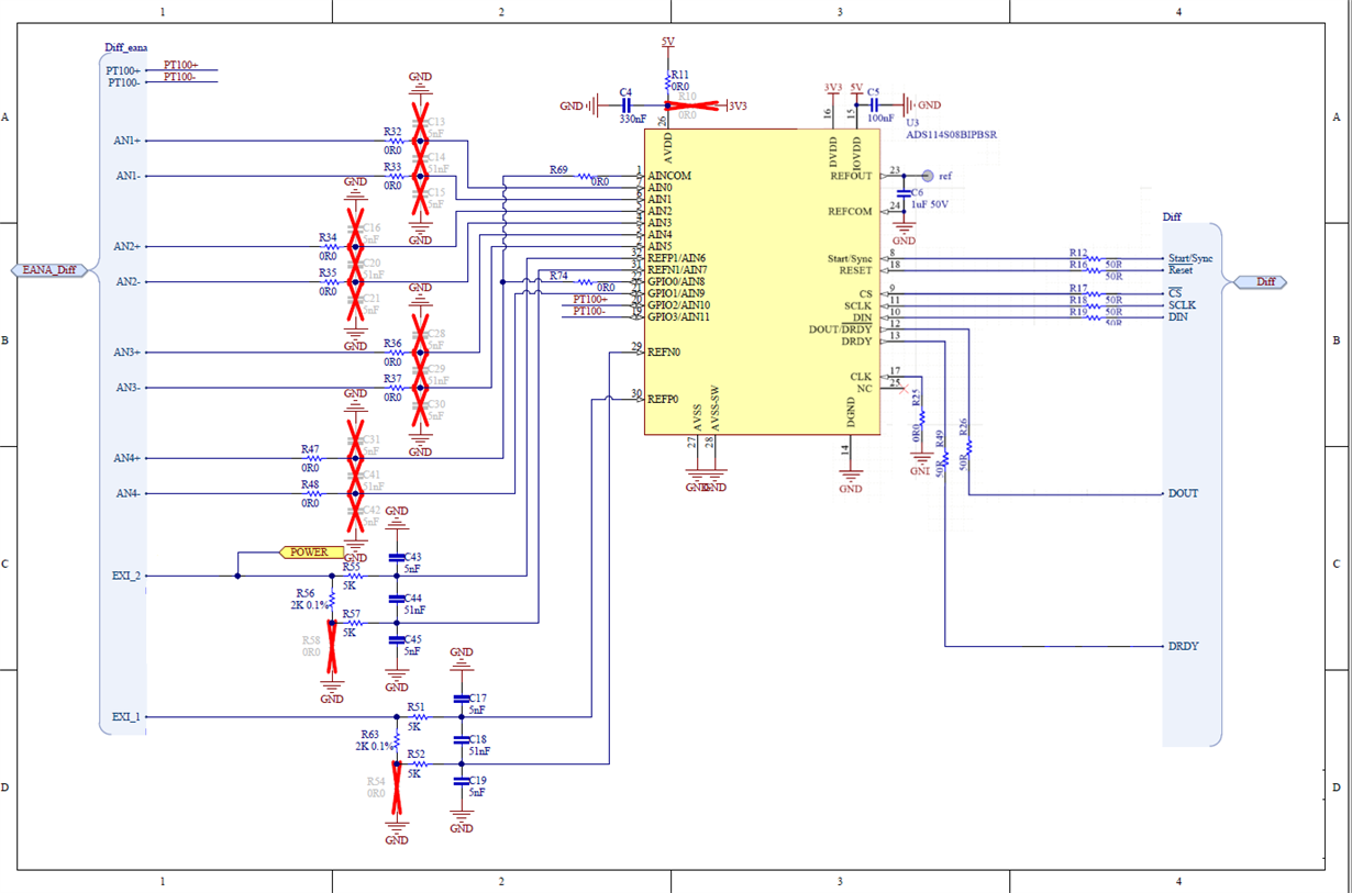
我们目前正在测试一些使用 ADS114S08B 转换器的预处理 PCB。
在尝试评估 ADC 时、我们分别向"AIN0"和"AIN1"应用了差分模拟信号(0至2V)、将"AIN2"和"AIN3"配置为 AINx。
在测试期间、ADC 读数小于预期值、恒定误差为~300mV。
"REFOUT"引脚的测量值为~2.27V、而不是2.5V
ADC 配置如下所示:
PGA = 1寄存器值:0x08
内部 Vref:寄存器值:0x3A
20SPS
连续模式
有人可以提供帮助吗?
谢谢!
此致!

