This thread has been locked.

If you have a related question, please click the "Ask a related question" button in the top right corner. The newly created question will be automatically linked to this question.

[参考译文] ADS4129:如何知道 ADS4129是否正常工作?

Guru**** 2531950 points
Other Parts Discussed in Thread: ADS4129

请注意,本文内容源自机器翻译,可能存在语法或其它翻译错误,仅供参考。如需获取准确内容,请参阅链接中的英语原文或自行翻译。

https://e2e.ti.com/support/data-converters-group/data-converters/f/data-converters-forum/685836/ads4129-how-can-i-know-the-ads4129-is-working

器件型号:ADS4129

我使用 ADS4129作为 AD 芯片。 我输入电源直流1.8V,并使用波形发生器作为时钟输入。

输入60MHz 正弦波。 来自 clkp 和 clkp 引脚的电阻。 但我看不到 clkout_p 和 clkout_m 的任何波形输出!

此外、VCM 引脚输出为0V。如何知道 ADS4129正在工作?

 谢谢!

  • 请注意,本文内容源自机器翻译,可能存在语法或其它翻译错误,仅供参考。如需获取准确内容,请参阅链接中的英语原文或自行翻译。
    您好、easylwl
    上电后、您是否要重置器件?
    您是否正在写入任何配置寄存器设置?
    您能否共享显示所有 ADC 连接的原理图、如果您要写入寄存器、请发送配置序列详细信息。
    此致、
    Jim B
  • 请注意,本文内容源自机器翻译,可能存在语法或其它翻译错误,仅供参考。如需获取准确内容,请参阅链接中的英语原文或自行翻译。

    感谢 Jim:

    RESET 引脚连接至高电平(1.8V)。

    我 没有配置任何寄存器。

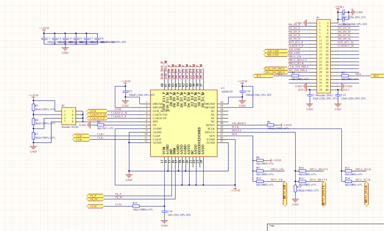
    我的原理图:

  • 请注意,本文内容源自机器翻译,可能存在语法或其它翻译错误,仅供参考。如需获取准确内容,请参阅链接中的英语原文或自行翻译。

    Easylwl、

    根据数据表、C15和 C18的输出端时钟是否具有正确的振幅和 VCM 电平?  您能否验证 sdata 是否在器件上绑定到低电平。 该引脚似乎具有多个输入选项。 如果 K1处于 错误位置、则此开关将不会输出时钟。  此外、确保未组装电阻器连接 OE 到 GND。 如果您已对 LVDS 输出进行器件设置、并且 CLKOUT/M 未终止、则可能很难看到这些信号与示波器进行切换。 我建议将输出模式设置为 CMOS 并 查看是否存在时钟。   

    此致、

    Jim

  • 请注意,本文内容源自机器翻译,可能存在语法或其它翻译错误,仅供参考。如需获取准确内容,请参阅链接中的英语原文或自行翻译。

    谢谢:

         我发现我是否将时钟振幅提高到+-1V。 CLKOUTP/M 将输出波形。 但如果+-1V 更小、则无法正常工作。

    为什么? 我查看 ADS4129数据表,哪一项是正确 的输入时钟振幅差分(VCLKP-VCLKM)?  

    我检查时钟资源,振幅几乎是+-1V。  那么、是否需要对 ADS4129的前移输入进行放大?  我的时钟频率 是扫描频率。 (从75MHz 到150MHz)。 请告诉我可以选择哪款放大器?  谢谢。

  • 请注意,本文内容源自机器翻译,可能存在语法或其它翻译错误,仅供参考。如需获取准确内容,请参阅链接中的英语原文或自行翻译。

    Easylwl、

    使用哪种类型的器件来驱动您的时钟? 是发送单端还是差分信号? 是交流耦合吗? 您能否发送时钟输入电路的原理图?

    此致、

    Jim

  • 请注意,本文内容源自机器翻译,可能存在语法或其它翻译错误,仅供参考。如需获取准确内容,请参阅链接中的英语原文或自行翻译。

    吉姆:

    我的时钟器件是 扫描频率激光器。 频率范围 为76.5MHZ 至151.1MHZ、名为"K-Clock"。 k 时钟 振幅约为0.8V,43.9%占空比。 这些数字如下:

    我的问题是、0.8V 的振幅足够?μ s

    我的时钟输入电路之前已经显示过,从激光器输出的 k 时钟连接 到 P3。

  • 请注意,本文内容源自机器翻译,可能存在语法或其它翻译错误,仅供参考。如需获取准确内容,请参阅链接中的英语原文或自行翻译。

    Easylwl、

    尝试连接信号发生器的输出、并提供与您的 K 时钟频率和振幅相同的时钟。 我想您会看到该部件 将正常工作。 我从未见过有人尝试使用与您尝试使用的时钟波形类似的时钟波形、我认为这就是 ADC 无法正常运行的原因。

    此致、

    Jim