This thread has been locked.

If you have a related question, please click the "Ask a related question" button in the top right corner. The newly created question will be automatically linked to this question.

[参考译文] DAC8534:DAC 锁存

Guru**** 2663045 points

Other Parts Discussed in Thread: DAC8534

请注意,本文内容源自机器翻译,可能存在语法或其它翻译错误,仅供参考。如需获取准确内容,请参阅链接中的英语原文或自行翻译。

https://e2e.ti.com/support/data-converters-group/data-converters/f/data-converters-forum/707551/dac8534-dac-latch-up

器件型号:DAC8534

您好!

DAC8534的输出有时会进入锁存状态。 除非对电路板进行下电上电、否则输出不会改变。
是否有办法将 DAC 重置为初始状态并恢复输出、而无需对系统进行下电上电? 我不是
请参阅数据表中的任何复位寄存器!  

谢谢  

  • 请注意,本文内容源自机器翻译,可能存在语法或其它翻译错误,仅供参考。如需获取准确内容,请参阅链接中的英语原文或自行翻译。
    尊敬的 Bob:

    欢迎使用 E2E、感谢您的提问。 请向我们提供测试条件吗? 原理图、编程序列等

    此致、
    Uttam Sahu
    精密 DAC 应用工程师
  • 请注意,本文内容源自机器翻译,可能存在语法或其它翻译错误,仅供参考。如需获取准确内容,请参阅链接中的英语原文或自行翻译。

    您好、Uttam、

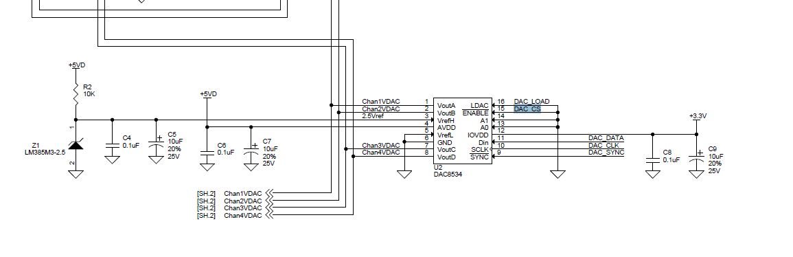
    随附的是 DAC8534的原理图。 我们向 CHAN2VDAC 回路施加大约几百伏的 ESD 电压、DAC 输出将锁定。 除非我们对电路板进行下电上电、否则我们无法更改 DAC 的输出值。 是否有办法复位 DAC、使其脱离锁定状态而无需对电路板进行下电上电?

    谢谢、

    Bob

  • 请注意,本文内容源自机器翻译,可能存在语法或其它翻译错误,仅供参考。如需获取准确内容,请参阅链接中的英语原文或自行翻译。
    尊敬的 Bob:

    根据 JEDEC 标准对 DAC 进行 ESD 测试。 您的系统是否需要进行器件级 ESD 测试? 如果您可以提供有关您所应用的 ESD 等级和形状的详细信息、我将能够告诉您它们是否超出了器件的指定范围。

    据我了解、ESD 规格需要在系统级别满足、并且电压远远超出器件可以处理的电压。 因此、需要 IO 上的外部保护电路。

    此致、
    Uttam
  • 请注意,本文内容源自机器翻译,可能存在语法或其它翻译错误,仅供参考。如需获取准确内容,请参阅链接中的英语原文或自行翻译。

    您好、Uttam、

    不需要、我们不需要器件级 ESD 测试、但我们对所有 I/O 执行 ESD 测试。 我们使用将几百伏的 ESD 电压施加到4KV
    1个脉冲/秒。 所附图片为 ESD 波形。  

    还随附了针对 I/O 的保护电路原理图。 我不想再说一遍、但有一种方法可以将 DAC8534重置为初始状态
    它的输出锁定后。 使其脱离闩锁状态的唯一方法是对电路板进行下电上电。

    谢谢、

    Bob

     

  • 请注意,本文内容源自机器翻译,可能存在语法或其它翻译错误,仅供参考。如需获取准确内容,请参阅链接中的英语原文或自行翻译。

    Bob、

    该特定器件中包含的唯一复位是上电时根据电源斜升发生的 POR -因此发出复位的唯一方法是切换电源。

    在此器件上、我们唯一能为您提供的就是继续检查锁存状态发生的根本原因、并尝试实施电路来防止这种情况。 如果您想继续讨论、请告知我们。

    一般而言、我还会提供一些可能对您有所帮助的附加评论、无论您选择前进的道路如何。 请注意、固件中的复位引脚和/或复位命令并非都是创建相同的(不仅仅是 TI -这似乎在整个行业中呈现)。 我的意思是说、有时这些是"浅"复位、会将用户可见的寄存器内容恢复为默认值。 这与"深度"复位形成鲜明对比、它将复位输入移位寄存器、重新加载 OTP/TRIM 值、并基本上对整个器件内核执行全面的重新初始化。 在许多情况下、需要进行"深度"复位以解决闩锁问题-假设闩锁实际上并不基于模拟域、在模拟域中、某些 SCR 在内部可能会跳闸。 但是、如果 SCR 是根本原因、根据电源的电流限制、您可能会看到器件遭受更严重的损坏。

    希望这对您有所帮助。

  • 请注意,本文内容源自机器翻译,可能存在语法或其它翻译错误,仅供参考。如需获取准确内容,请参阅链接中的英语原文或自行翻译。
    尊敬的 Kevin:

    您能否提出一个可以防止 DAC 闩锁问题的电路? 我们已经为模拟输出及其返回信号提供了一些保护。 具体而言、我们在所有输出上使用 TVS 器件、并利用 PCB 火花隙提供浪涌保护。

    谢谢、
    Bob
  • 请注意,本文内容源自机器翻译,可能存在语法或其它翻译错误,仅供参考。如需获取准确内容,请参阅链接中的英语原文或自行翻译。
    尊敬的 Bob:

    除了以下几点外、您使用的保护电路看起来正常:

    您使用的是 TRIAC 而不是 TVS 二极管。 TRIAC 具有非常高的触发电压、DAC 可能会在这之前受到影响
    2.屏蔽层接地到 DAC 接地之间可能存在次级电弧,具体取决于它们在系统中的相互重叠方式
    3.我看到 DAC 通道2和通道4的连接器附近没有电容器。 如果您在不同的通道中看到不同的结果、这可能是一个原因

    为了保护 DAC 输出免受直接放电或二次放电的影响、我建议在靠近 DAC 引脚的位置放置 TVS 二极管或齐纳二极管、以实现更高级别的保护。 铁氧体磁珠将确保连接器附近的 TVS 二极管产生初始影响。 DAC 附近的 TVS 二极管将产生二次影响、然后内部 ESD 二极管会产生残余电压。

    希望得到答案。

    此致、
    Uttam
  • 请注意,本文内容源自机器翻译,可能存在语法或其它翻译错误,仅供参考。如需获取准确内容,请参阅链接中的英语原文或自行翻译。

    您好、Uttam、

    感谢您的建议。 我们将在进行新设计时尝试实施您的建议。
    至于我们的现有设计、我们能否使用模拟无源隔离器等外部信号调节器、
     保护 DAC?

    此致、

    Bob  

  • 请注意,本文内容源自机器翻译,可能存在语法或其它翻译错误,仅供参考。如需获取准确内容,请参阅链接中的英语原文或自行翻译。
    尊敬的 Bob:

    我无法将您的系统和应用 ESD 的位置可视化。 尽管如此、如果放电点和 DAC 输出线路之间存在隔离器、它将起作用。 但模拟隔离器可能不准确。

    我已经看到的另一种有效方法是在电路板边缘和机箱连接器之间的电缆上使用铁氧体磁芯(不确定您是否有电缆或 PCB 本身是否延伸到机箱)。 以这种方式使用铁氧体磁芯时、它将阻止任何共模信号通过。 由于 ESD 放电是共模的、因此该方法非常有效。 您可以通过铁氧体磁芯使用多个绕组来实现更高的阻抗。 请选择具有宽带阻抗曲线的内核。

    您可以查看该铁氧体磁芯、例如 :www.digikey.in/.../668340

    希望这会有所帮助。

    此致、
    Uttam
  • 请注意,本文内容源自机器翻译,可能存在语法或其它翻译错误,仅供参考。如需获取准确内容,请参阅链接中的英语原文或自行翻译。

    您好、Uttam、

    我想我们现在将尝试使用隔离器、并在无法获得正确结果的情况下使用铁氧体磁芯。

    感谢你的所有帮助。

    此致、

    Bob