This thread has been locked.

If you have a related question, please click the "Ask a related question" button in the top right corner. The newly created question will be automatically linked to this question.

[参考译文] ADS1292R --呼吸通道会影响 ECG 信号

Guru**** 2756835 points

Other Parts Discussed in Thread: ADS1292R, ADS1292

请注意,本文内容源自机器翻译,可能存在语法或其它翻译错误,仅供参考。如需获取准确内容,请参阅链接中的英语原文或自行翻译。

https://e2e.ti.com/support/data-converters-group/data-converters/f/data-converters-forum/698962/ads1292r-----the-channel-of-respiration-impacts-on-the-signal-of-ecg

主题中讨论的其他器件:ADS1292RADS1292

你好

使用 ADS1292R、我发现如果 使用呼吸通道、ECG 的信号波将变为不良。

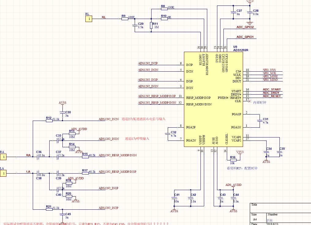
请帮我找到 问题的根源、这是我的原理图设计。

这是  

此外、如果我不使用低通滤波器电路、如果有一个电阻器与输入阻抗匹配?我发现电阻器(100K)可以降低50Hz 波的振幅。

谢谢。

  • 请注意,本文内容源自机器翻译,可能存在语法或其它翻译错误,仅供参考。如需获取准确内容,请参阅链接中的英语原文或自行翻译。
    用户好!

    感谢您的发帖! 您能否详细说明一下您所说的数据不好的含义? 数据是被驱动到接地还是 AVDD? 它是损坏还是截断的? C36和 C38的用途是什么? 您可能需要尝试使用0欧姆电阻器替换这些电阻器。

    为什么不想使用低通滤波器电路? ADS1292的输入阻抗的幅度大于100kOhm、因此虽然我预计电阻器的幅度会略有下降、但我认为这不会显著。
  • 请注意,本文内容源自机器翻译,可能存在语法或其它翻译错误,仅供参考。如需获取准确内容,请参阅链接中的英语原文或自行翻译。
    您好!

    感谢您的发帖。

    您是否说启用通道1的呼吸功能时通道2上的 ECG 数据看起来更糟? 您能否分享每个测试的结果和寄存器设置示例?

    此致、
  • 请注意,本文内容源自机器翻译,可能存在语法或其它翻译错误,仅供参考。如需获取准确内容,请参阅链接中的英语原文或自行翻译。

    你好

    感谢你的答复。

    我的原理图是根据 TI 的示例(tidrk32)设计的

    我的设计的 C36和 C38对应于 TI 示例的 C56和 C63。 它用于高通滤波器、我可以尝试更换0r 电阻器。

    祝你一切顺利!

  • 请注意,本文内容源自机器翻译,可能存在语法或其它翻译错误,仅供参考。如需获取准确内容,请参阅链接中的英语原文或自行翻译。

    您好 Andrews

    感谢你的答复。

    是的、您说的是我想表达的内容。

    我没有保存结果波形图。如果我焊接呼吸模块电路,我无法区分 ECG 波,它是随机波形。这是我的寄存器设置

    祝你一切顺利。

  • 请注意,本文内容源自机器翻译,可能存在语法或其它翻译错误,仅供参考。如需获取准确内容,请参阅链接中的英语原文或自行翻译。
    抱歉、我认为这是一个患者保护电容器。 我最初没有识别它。 我们将查看您的寄存器、并让您知道我们看到的内容。
  • 请注意,本文内容源自机器翻译,可能存在语法或其它翻译错误,仅供参考。如需获取准确内容,请参阅链接中的英语原文或自行翻译。
    大家好-我们将查看寄存器。 请分享您在启用和禁用通道1的情况下收集的通道2数据示例以进行比较。 还应指定输入信号幅值和频率。

    此致、
  • 请注意,本文内容源自机器翻译,可能存在语法或其它翻译错误,仅供参考。如需获取准确内容,请参阅链接中的英语原文或自行翻译。

    你好

    谢谢!

    我焊接 了一个新的 PCB、这是我的示例图。

    1、无呼吸通道(无 C36和 C38):


    2、具有 C36&C38

    这是我的数字滤波器算术运算

    (效果不好)

    相比之下、它比旧的 PCB 好、我应该做更多的数字 滤波器、这会更好。 我  以前没有识别旧 PCB 采样波形图的 ECG 波形 。

    这是原始数据:

    e2e.ti.com/.../ECG_08FF_no-respiration_2900_.txt

    e2e.ti.com/.../ECG_2800_respiration_2900_.txt

    采样率:250sps

    振幅:原始数据*200(V)

    奇怪的是、24位采样值是呼吸通道的7FFFFF?

    感谢你的答复。

    应该是好的、我会尝试其他数字滤波器。

    谢谢!

    祝你一切顺利。

  • 请注意,本文内容源自机器翻译,可能存在语法或其它翻译错误,仅供参考。如需获取准确内容,请参阅链接中的英语原文或自行翻译。
    您好!

    我很高兴看到事情正在改善!

    当您说"C36和 C38"时、您意味着它们已卸载或 RESP 通道已断开?

    我注意到、在您的 RLD_SENS 寄存器中、您启用了 RLD 导联脱落检测。 请尝试禁用此功能。 20h 而不是30h。
  • 请注意,本文内容源自机器翻译,可能存在语法或其它翻译错误,仅供参考。如需获取准确内容,请参阅链接中的英语原文或自行翻译。
    你好
    只有 C36&C38意味着它们已被卸载(始终启用呼吸通道)。
    好的、我会听从您的建议来做。
    非常感谢您的回复。
    祝你一切顺利!