This thread has been locked.

If you have a related question, please click the "Ask a related question" button in the top right corner. The newly created question will be automatically linked to this question.

[参考译文] ADS1263:3线 RTD 转换不匹配计算/测量

Guru**** 2526700 points
Other Parts Discussed in Thread: ADS1263

请注意,本文内容源自机器翻译,可能存在语法或其它翻译错误,仅供参考。如需获取准确内容,请参阅链接中的英语原文或自行翻译。

https://e2e.ti.com/support/data-converters-group/data-converters/f/data-converters-forum/1285758/ads1263-3-wire-rtd-conversion-doesn-t-match-calculation-measurements

器件型号:ADS1263

您好!

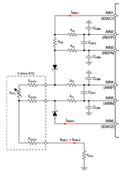
我尝试将 ADS1263用于3线 RTD 测量、其电路与组件数据表中建议的典型应用相同(下图)。

转换值确实会随温度变化而相应地变化、但转换值与有源电路的测量电阻和测量电压都不匹配。

我正在使用一个标称值为8kΩ 的基准电阻器和一个在0°C 处具有500Ω 的铂 RTD。 测量实际电阻、我发现7.967kΩ、544Ω。

由于我使用的 PGA 增益为8,我需要转换 C=(Rrtd*8/Rref)*2^32,这应该会为我提供大约0x8BXXXXXX 的转换。 但是、我实际上从 ADS 实际得到的是0x38XXXXXXXX。

I 还测量到 Vref = 1.967V、Vrtd = 0.135V、这似乎证实了上述计算结果。

ADS 寄存器配置如下:

REG_POWER = 0x01

REG_INTERFACE = 0x02

REG_MODE0 = 0x30

REG_MODE1 = 0x80

REG_MODE2 = 0x35

REG_INPmux = 0x45

REG_idacmux = 0x61

REG_idacmag = 0x33

REG_REFMUX = 0x22

在开始采集之前、I set reg_inpmux = 0x23执行满量程校准。

我尝试过使用许多设置、但我不知道问题是什么。

有人有什么想法吗? 提前感谢。

  • 请注意,本文内容源自机器翻译,可能存在语法或其它翻译错误,仅供参考。如需获取准确内容,请参阅链接中的英语原文或自行翻译。

    您好、

    您能否向我发送一份输入结构和 ADC 的示意图、以便我们进行查看? 您可以直接将图像发布到 e2e 线程中、或使用发布窗口底部的"插入"下拉列表来附加图像

    此外,ADC 有一个二进制补码编码方案(见数据表中的表9-19),所以您的等式应该是  C=(Rrtd*8/Rref)* 2^ 31 。 这将为您提供一个大约为0x45xxxxxx 的代码。 因此、您的数据仍然处于关闭状态、但其延迟并没有最初计算出的

    -Bryan

  • 请注意,本文内容源自机器翻译,可能存在语法或其它翻译错误,仅供参考。如需获取准确内容,请参阅链接中的英语原文或自行翻译。

    Brian、您好!

    我确实错过了这一重要细节、感谢您指出这一点。

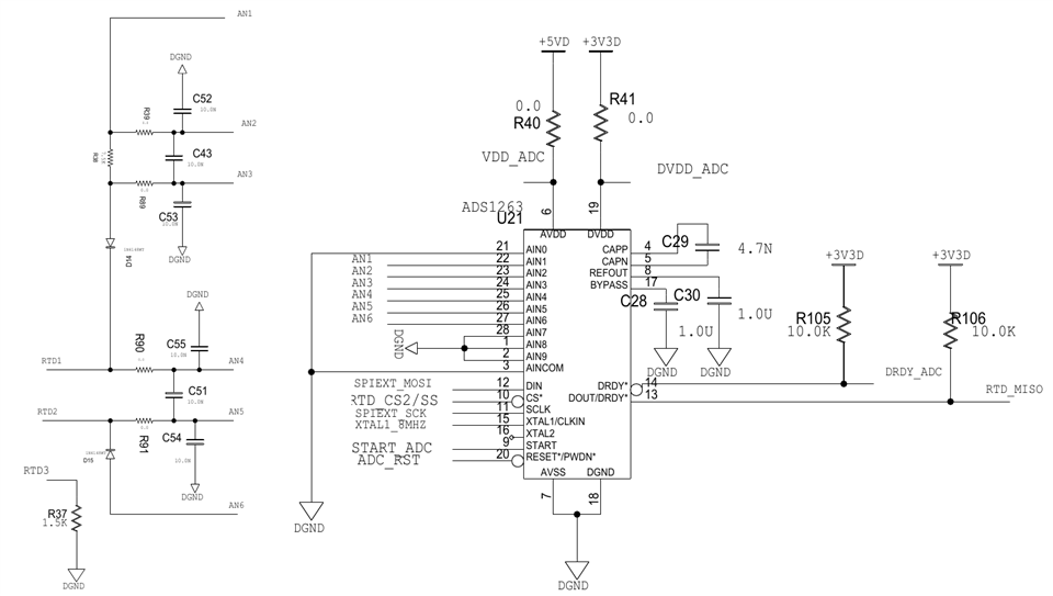
    这是我的电路板的 RTD ADC 部分的原理图(Rref 在原理图中为7.5kΩ、但我实际上使用的是8kΩ):

  • 请注意,本文内容源自机器翻译,可能存在语法或其它翻译错误,仅供参考。如需获取准确内容,请参阅链接中的英语原文或自行翻译。

    您好、

    感谢您发送原理图。 我注意到的一件事是您的 REFMUX = 0x22 = 0010 0010b

    这会转换为 RMXUP = 100和 RMUXN = 010、以下设置将选择 RMXUP = AVDD 且 RMUXN = AIN3

    您应该将此更改为 REFMUX = 0x12 = 0001 0010b、因此 RMUXP = AIN2。 请告诉我、这是否有帮助

    -Bryan

  • 请注意,本文内容源自机器翻译,可能存在语法或其它翻译错误,仅供参考。如需获取准确内容,请参阅链接中的英语原文或自行翻译。

    您好、Bryan:

    感谢您的答复。

    事实证明、我实际上是在设置 REFMUX = 0x12。

    很抱歉、我在头脑中发帖和翻译寄存器值时很懒、而不是从代码中恢复这些值、因为我使用的是枚举函数。 我现在已经加倍检查了其他的、它们都很好。

  • 请注意,本文内容源自机器翻译,可能存在语法或其它翻译错误,仅供参考。如需获取准确内容,请参阅链接中的英语原文或自行翻译。

    您好、

    您还应检查是否遵守了 PGA 共模范围。 数据表中的公式12给出了这一要求。

    您还可以使用我们基于 Excel 的计算器"PGA1输入范围"工具将此行为可视化: https://www.ti.com/tool/download/ADS126X-CALC-TOOL

    当我将您的电路中的值输入到该工具中时、PGA_N 输出出现错误。 您需要增大偏置电阻器(R37)的值、以将每个引脚上的绝对电压移至 PGA 的 VCM 范围内。 似乎将 R37增加到2千欧应该就足够了、但我将最终决定权交给您

    -Bryan

  • 请注意,本文内容源自机器翻译,可能存在语法或其它翻译错误,仅供参考。如需获取准确内容,请参阅链接中的英语原文或自行翻译。

    Bryan、

    感谢您的建议。

    我曾尝试将 Rbias 更改为3kΩ、甚至将其过冲至12kΩ(我有可用的值)、但遗憾的是这不会影响转换代码。

  • 请注意,本文内容源自机器翻译,可能存在语法或其它翻译错误,仅供参考。如需获取准确内容,请参阅链接中的英语原文或自行翻译。

    您好、

    不应将 RBIAS 更改为12千欧、这可能会使情况更糟、因为 RBIAS 两端的电压将为6V。 由于这不可能、IDAC 电流将开始下降并且行为将变得不确定。 不过、如果 PGA VCM 范围是实际问题、3k Ω 应该可以改善这种情况。 但是、您仍然应将 RBIAS 更改为>1.5k Ω、

    我使用相同的连接、以及250uA 电流源、501欧姆电阻器作为输入、8k 欧姆作为 RREF、2k 欧姆作为 RBIAS 在 EVM 上对其进行了测试。 我使用 DMM 在输入端测得的电压为124.7mV、使用 GUI 得到的测量数据为124.697mV。 该电路可与 ADS1263配合使用、这意味着您的设计肯定缺少一些东西

    我注意到您的寄存器设置不匹配、因为您选择了 FIR 滤波器以及50sps 数据速率。 请注意、FIR 滤波器仅支持高达20SPS 的数据速率、因此您需要更改滤波器类型或数据速率。 不过、这不应该引发问题、因为 ADC 内部逻辑将以一种方式默认(我无法回忆起顶部的哪种情况、但您要么以20SPS 和 FIR 滤波器运行、要么以50SPS 和 sinc1滤波器运行。 您可以测量 DRDY 脉冲之间的值以确认)

    我还注意到您启用了输入斩波和 IDAC 旋转。 您能否禁用这些功能并进行额外的测量?

    -Bryan

  • 请注意,本文内容源自机器翻译,可能存在语法或其它翻译错误,仅供参考。如需获取准确内容,请参阅链接中的英语原文或自行翻译。

    Bryan、

    这是很奇怪的,我们必须错过一些东西。 一个重要的注意事项是、我有同一个电路板的3个原型、它们都为我提供了相同的转换代码(~0x38xxxxxx)、因此不太可能是由故障元件导致的。

    我原来有一个 sinc4滤波器,但我注意到缺少帧,所以我改为 FIR。 我假设它默认为 sinc1、因为我仍然以50SPS 的速率接收到 DRDY 中断。

    禁用输入斩波和 IDAC 旋转看起来也没有任何变化...

  • 请注意,本文内容源自机器翻译,可能存在语法或其它翻译错误,仅供参考。如需获取准确内容,请参阅链接中的英语原文或自行翻译。

    您好、

    您能告诉我您实际读取的 ADC 代码是什么吗? 如果您想向我发送1000个左右样本的数据转储、那将非常好。 您可以使用此窗口底部的"插入"下拉列表附加 Excel 文件

    我看到您在测量之前正在执行增益校准、您能告诉我 SYSGCAL 命令存储在 FSC 寄存器中的值是多少吗?

    -Bryan

  • 请注意,本文内容源自机器翻译,可能存在语法或其它翻译错误,仅供参考。如需获取准确内容,请参阅链接中的英语原文或自行翻译。

    Bryan、

    这是我从 ADC 获得的1500多个连续样本的十六进制 csv 日志。 我读取的 FSCAL 值如下:

    FSCAL0 = 0x0d

    FSCAL1 = 0x6b

    FSCAL2 = 0x33

    e2e.ti.com/.../adc_5F00_conv_5F00_log.csv

  • 请注意,本文内容源自机器翻译,可能存在语法或其它翻译错误,仅供参考。如需获取准确内容,请参阅链接中的英语原文或自行翻译。

    您好、

    FSC 值转换为0x336B0D = 3369741d。 与标称值(0x400000)相比、此比例因子为~0.8。 这似乎太低、我本来期望使用大约0.995来补偿增益误差。

    您需要的代码是  C=(Rrtd*8/Rref)*2^31=(5444*8/7967)*2^31=0x45EBA0C2。 如果将其乘以 FSC 比例值、将得到0x382CB83F、这大概是您在 Excel 工作表中报告的代码值。  

    您能否将 FSC 值返回到标称值(0x400000)、然后查看是否 获得预期结果?

    -Bryan

  • 请注意,本文内容源自机器翻译,可能存在语法或其它翻译错误,仅供参考。如需获取准确内容,请参阅链接中的英语原文或自行翻译。

    Bryan、

    非常感谢!

    我停止执行满量程校准、现在转换值处于预期范围内。 我在某个时候已经尝试过这么做、但我想我在这个测试中犯了一些错误。

    那么、我最后应该不应该执行满量程校准、还是我没有执行正确的过程? 在执行校准之前、我将输入设置为 Vref (AIN2和 AIN3)。

  • 请注意,本文内容源自机器翻译,可能存在语法或其它翻译错误,仅供参考。如需获取准确内容,请参阅链接中的英语原文或自行翻译。

    您好、

    我很高兴我们终于解决了这个问题

    我不知道为什么 FSC 不能为您效劳、当我在使用相同条件的 EVM 上执行 FSC 时、我得到的值更接近提到的0.995。

    您可以尝试重新运行 FSC、并确保首先应用所有正确的设置。 最初对 EVM 运行 FSC 时、我得到了错误的代码、因为我忘记了将 RREF 上的电压用作 VREF 和模拟输入时将增益切换到1。

    另请注意、如果您使用的增益为8、则使用增益为8而不是增益为1的满量程电压进行校准更有意义。

    -Bryan