This thread has been locked.

If you have a related question, please click the "Ask a related question" button in the top right corner. The newly created question will be automatically linked to this question.

[参考译文] AMC131M03:是否可以使用单个 IC 同时测量交流和直流电压?

Guru**** 2782445 points

Other Parts Discussed in Thread: AMC131M03EVM

请注意,本文内容源自机器翻译,可能存在语法或其它翻译错误,仅供参考。如需获取准确内容,请参阅链接中的英语原文或自行翻译。

https://e2e.ti.com/support/data-converters-group/data-converters/f/data-converters-forum/1470487/amc131m03-is-it-possible-to-measure-both-ac-and-dc-voltage-simultaneously-using-a-single-ic

器件型号:AMC131M03

工具与软件:

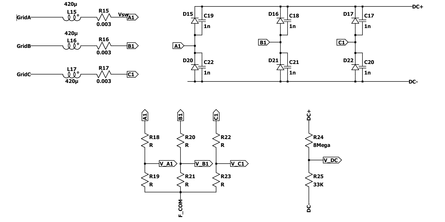
是否可以使用单个此 IC 同时测量交流和直流电压? 、如果是、您可以提示任何电路参考  

 我可以使用引脚6、7、8表示交流3相、引脚9、10表示直流、

  • 请注意,本文内容源自机器翻译,可能存在语法或其它翻译错误,仅供参考。如需获取准确内容,请参阅链接中的英语原文或自行翻译。

    尊敬的 Manikanta:

    可与该器件同时测量3个信号(交流和/或直流)、但输入之间没有隔离、因此3个测量必须共享一个节点。

    您的应用是什么? 您想测量哪些交流/直流信号?

    谢谢。

  • 请注意,本文内容源自机器翻译,可能存在语法或其它翻译错误,仅供参考。如需获取准确内容,请参阅链接中的英语原文或自行翻译。

    Hi Saleh Ahmad,

    我正在从事一项工作  三相两级 PFC 转换器 (涉及测量系统中不同点的交流和直流信号)。 我们需要测量的关键信号包括:

    1. 交流侧
      • PFC 转换器输入端的三相交流电压。
    2. 直流侧
      • 整流后的直流母线电压。

    >我要 使用引脚6、7、8测量相对于 F_COM 的"V_A1和 V_B1或 V_C1 "处的交流电压

    我要 使用引脚9、10测量"V_DC 1相对于 DC-"处的直流电压

    是否可以测量我在图中所附的方法、如果不能、您可以建议如何使用单个 IC 进行测量?

  • 请注意,本文内容源自机器翻译,可能存在语法或其它翻译错误,仅供参考。如需获取准确内容,请参阅链接中的英语原文或自行翻译。

    尊敬的 Manikanta:

    除非 F_COM 和 DC-连接在一起、否则在尝试使用一个器件测量交流和直流部分时可能会出现问题。

    由于该器件的3个输入彼此之间没有隔离、因此完成的所有测量都需要在同一电压节点附近。  

    HGND 需要连接到 F_COM 或 DC-以为输入建立共模。  如果按上述方式将输入连接到 F_COM、并且 F_COM 和 DC-未连接在一起、由于未为直流测量建立共模且/或将有一条阻抗路径通过将 F_COM 连接到 DC-的器件、可能会出现一些精度问题。

    如果 F_COM 不能连接到直流电负极、执行这些测量的最佳方法是使用2个单独的器件。

    谢谢。

  • 请注意,本文内容源自机器翻译,可能存在语法或其它翻译错误,仅供参考。如需获取准确内容,请参阅链接中的英语原文或自行翻译。

    Hi Saleh Ahmad,

    谢谢  

    我想对此进行仿真、但找不到用于此 IC 的任何 SPICE 模型。 您能否为此分享任何参考或 SPICE 模型?

     

  • 请注意,本文内容源自机器翻译,可能存在语法或其它翻译错误,仅供参考。如需获取准确内容,请参阅链接中的英语原文或自行翻译。

    尊敬的 Manikanta:

    我们目前没有此器件的任何模型。

    谢谢。

  • 请注意,本文内容源自机器翻译,可能存在语法或其它翻译错误,仅供参考。如需获取准确内容,请参阅链接中的英语原文或自行翻译。

    Hi Saleh Ahmad,

    您能否共享此评估板的光绘文件  

    AMC131M03EVM

    谢谢。




  • 请注意,本文内容源自机器翻译,可能存在语法或其它翻译错误,仅供参考。如需获取准确内容,请参阅链接中的英语原文或自行翻译。

    你好、 

    您能否共享此评估板的光绘文件  

     尽快添加 AMC131M03EVM  

    谢谢。

  • 请注意,本文内容源自机器翻译,可能存在语法或其它翻译错误,仅供参考。如需获取准确内容,请参阅链接中的英语原文或自行翻译。

    尊敬的 Manikanta:

    我可以通过电子邮件与您联系吗?

    谢谢。