This thread has been locked.

If you have a related question, please click the "Ask a related question" button in the top right corner. The newly created question will be automatically linked to this question.

[参考译文] DP83867IR:仅适用于2线对 MDI 链路伙伴的 DP83867配置

Guru**** 2531950 points


请注意,本文内容源自机器翻译,可能存在语法或其它翻译错误,仅供参考。如需获取准确内容,请参阅链接中的英语原文或自行翻译。

https://e2e.ti.com/support/interface-group/interface/f/interface-forum/1484480/dp83867ir-dp83867-configuration-for-only-2-pair-mdi-link-partner

器件型号:DP83867IR

工具与软件:

嗨、团队:

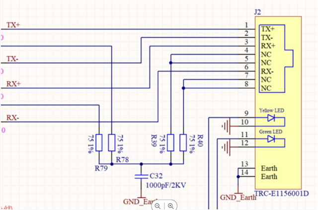
我的客户使用 DP83867与他们的终端客户以太网交换机建立链路、但是链路合作伙伴 RTL8211仅使用连接到链路的2线对 MDI 布线、其终端客户需要每个 PHY 都以100Mbps 的速度自动协商。 检查下面是链路伙伴连接器原理图。

客户需要使用 DP83867启用自动协商、因为他们的产品需要连接许多不同的器件、因此必须支持自动协商。 但是、当连接到上述2线对 MDI 链路伙伴时、客户需要 DP83867自动协商至100M、而不是1000M。 但结果表明,当连接到上述链路伙伴 RTL8211时, DP83867将始终保持  为1000Mbps ,而链路伙伴 RTL8211保持为100Mbps。

您是否可以建议 仅使用2线对 MDI 电缆连接到链路伙伴 RTL8211时、DP83867如何自动进入100Mbps?

谢谢!

Yunjing  

  • 请注意,本文内容源自机器翻译,可能存在语法或其它翻译错误,仅供参考。如需获取准确内容,请参阅链接中的英语原文或自行翻译。

    尊敬的 Yunjing:

    我们的一位应用工程师将探讨此主题、并会尽快给您回复。

    此致、

    Gerome.

  • 请注意,本文内容源自机器翻译,可能存在语法或其它翻译错误,仅供参考。如需获取准确内容,请参阅链接中的英语原文或自行翻译。

    Yunjing

    请确保 配置寄存器1 (CFG1)地址0x0009中未配置1000Base-T 全双工和半双工广播自动协商功能。 如果它们禁用了这些位、您是否看到 DP83867以100Mbps 的速率自动协商?

    谢谢

    David

  • 请注意,本文内容源自机器翻译,可能存在语法或其它翻译错误,仅供参考。如需获取准确内容,请参阅链接中的英语原文或自行翻译。

    尊敬的 David:

    我们可能需要速度 OPT 功能。 但是、当0x14寄存器配置为0x340/启用 SPEED-OPT 和增强 SPEED OPT 时、我们无法在 REG0x11 PHY_Status 寄存器中看到 SPEED_OPT_STATUS 指示。 我可以知道为什么不执行 SPEED-OPT 吗?

    BTW、上一篇文章提到、链路伙伴仅 向外连接2对绞线、而这2对绞线连接到 DP83867 A 和 B 通道、这意味着不应检测到 C 和 D 通道任何能量、增强型速度 OPT 应起作用。

    谢谢!

    Yunjing

  • 请注意,本文内容源自机器翻译,可能存在语法或其它翻译错误,仅供参考。如需获取准确内容,请参阅链接中的英语原文或自行翻译。

    Yunjing

    启用速度优化后、是否可以按照我在之前的响应中所述、禁用寄存器0x0009[9:8]中 DP83867 1000Mbps 功能的广播? 请确保 之后通过将0x4000写入寄存器0x1F 来执行软件重启。 如果您这样做、您能看到它的工作情况吗?

    谢谢

    David

  • 请注意,本文内容源自机器翻译,可能存在语法或其它翻译错误,仅供参考。如需获取准确内容,请参阅链接中的英语原文或自行翻译。

    David、

    即使禁用速度优化、我们也可以使自动协商速度达到100Mbps、并禁用 DP83867的1000Mbos 功能广播。

    但是、客户不能接受此类设置。 他们的产品需要与2参数双绞线连接伙伴和正常4线对1000Mbps 双绞线连接伙伴自动协商。  

    如果取消1000M 广播能力、则当链路伙伴为1000M 时、自动协商无法正常工作。

    这就是我们需要速度优化功能的原因、您能否研究一下在将0x14寄存器配置为0x340后速度 OPT 配置为何无法工作?

    我们还将 通过 将0x4000写入寄存器0x1F 来尝试添加软件重启、并让您知道它是否起作用。

    谢谢!

    Yunjing

  • 请注意,本文内容源自机器翻译,可能存在语法或其它翻译错误,仅供参考。如需获取准确内容,请参阅链接中的英语原文或自行翻译。

    Yunjing

    PHY 将无法检测2线对双绞线伙伴和正常4线对双绞线1G 链路伙伴之间的情况。  您将需要 向驱动程序添加功能、以尝试向链路伙伴发送数据包、然后如果在1G 速度下没有响应、则手动降档作为可能的解决方案。

    谢谢

    David