请注意,本文内容源自机器翻译,可能存在语法或其它翻译错误,仅供参考。如需获取准确内容,请参阅链接中的英语原文或自行翻译。
器件型号:TCA9548A Thread 中讨论的其他器件: TCA9406
工具与软件:
尊敬的 TI 团队:
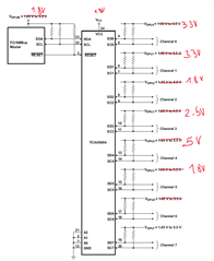
我们需要连接 I2C 多路复用器 TCA9548A、如下图所示。 这是否可行、或者我是否应该使用 I2C 电平转换器(例如 TCA9406)?

此致、
Oscar Rivera
This thread has been locked.
If you have a related question, please click the "Ask a related question" button in the top right corner. The newly created question will be automatically linked to this question.