部件号: MAX3221
您好团队:
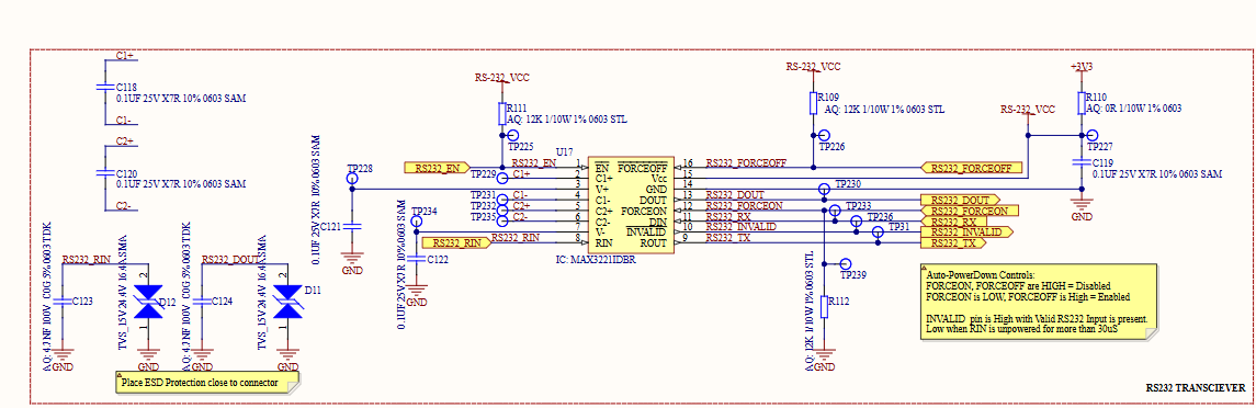
我们目前正在使用 MAX3221IDBR 收发器、并且在软件验证期间会遇到问题。 使用 USB 至 RS232 转换器、其中 DB9 连接器的 TX 和 RX 线路分别连接到 RIN 和 DOUT 引脚。 在运行期间、FORCEON 引脚保持低电平、FORCEOFF 处于高电平、使能引脚保持低电平。
但是、我们没有观察到收发器的 TX 和 RX 引脚上发生任何数据传输或接收。 请向我们提供基本的软件栈或验证代码、以验证 MAX3221IDBR 的功能。
我们是否可以在不使用软件(仅短接收发器的 Tx 和 Rx 引脚,并通过下拉电阻器使能保持低电平)的情况下验证收发器?
下面附加了一个原理图片段供您参考。
