Other Parts Discussed in Thread: SN65DP159, TS3USB221, TPS60151
“线程”中讨论的其它部件: TS3USB221, TPS60151
大家好,我们设计了一个带有两个 DVI 接口的 PCI 卡。
HDMI 信号由 FPGA 生成,并使用重计时 器 SN65DP159进行调节。
大多数卡工作正常,即:两个接口都提供正确的 TMDS 信号,显示器显示图像。
在某些情况下,在卡工作一段时间后,两个接口中的一个将停止工作。
重新计时器似乎停止转发来自 FPGA 的 TMDS 信号。
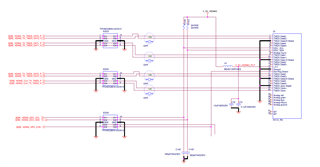
这两条电路显然是相同的,如下所示


两个 DVI 接口都发送到两个独立的 DVI 接口,其方案如下

在所有故障情况下,损坏的接口始终相同,即:重计时器 U8。
另请参阅下面 U8细菌的详细信息。

您是否对关注重点有任何暗示?
非常感谢
安德烈