This thread has been locked.

If you have a related question, please click the "Ask a related question" button in the top right corner. The newly created question will be automatically linked to this question.

[参考译文] THVD8000:接地:单线通信

Guru**** 2386600 points
Other Parts Discussed in Thread: THVD8000, THS6222
请注意,本文内容源自机器翻译,可能存在语法或其它翻译错误,仅供参考。如需获取准确内容,请参阅链接中的英语原文或自行翻译。

https://e2e.ti.com/support/interface-group/interface/f/interface-forum/1112087/thvd8000-ground-to-the-earth-one-wire-communication

器件型号:THVD8000
主题中讨论的其他器件: THS6222

您好!

我最近购买了 THVD8000的3个 EVM 来测试 该组件、以便在我们的产品上实现该组件。

在未连接到电源接地的 GND 的情况下进行的首次测试进展顺利、但当我尝试将 GND 连接到接地时、很明显、模块之间的通信已停止。

以下是 我尝试的型号:

我看到 这个线程 代表了类似的实现方式(24V 直流电源和数据、多达64个节点、长达80米、 和最大数据速率)、我想做的是电源的 GND 必须接地的唯一差异。

我在回答中还看到 、可以将电源的 GND 连接 到接地端、但通信只需一根导线即可。

您是否有更多有关 如何与接地的 GND 通信以及如何配置评估模块的文档或信息?

祝你度过美好的一天!

进行测量。

Hugo

  • 请注意,本文内容源自机器翻译,可能存在语法或其它翻译错误,仅供参考。如需获取准确内容,请参阅链接中的英语原文或自行翻译。

    您好 Hugo、

    因此、对于您看到的问题、您应该考虑两个系统事项。

    您可以首先进行的检查/更改是为了创建单线通信(它是 THVD8000的伪差分实现)、目的是在 THVD8000和接地端之间连接的电容器之后放置一个电阻器。

    其中电阻值等于通信线检测到的接地电阻。  

    其中"A"端口所示的接地电阻由以下公式得出:

    假设所有电感器的值与 L 上的下标值相同并不重要、并且所有 THVD8000的 Zin 相等(其最小值为96k 欧姆)  因此、在电容器之后放置一个等于线路阻抗的电阻器将最大限度地提高性能、并避免因通过直接电容器接地连接的高瞬态电流而损坏器件。  

    需要注意的一点 是、单线仅需要用于通信的线路上的电感器、因此最终系统可以拥有一半的总电感器。  

    如果在这种变化之后通信正常、则必须使用您要测试的数据速率在整个距离进行测试。

    2.如果此时通信仍发生故障、则很可能是由于器件的系统级需求受到限制。  

    这可能是由两个因素造成的:距离和驱动器产生的较低电压。

    在1线系统中、由于"B"端口连接到公共端口、产生的总信号中只有大约1/2发送到接收器。 因此、这将减小系统可用的最大距离-在一根导线设置中、我们实际上没有关于最大距离的数字-我们有一些文档简要提到了一根导线设置 (英文部分可在此处找到、相关部分为2.3: https://www.ti.com/lit/an/slla590/slla590.pdf?ts=1656009234599 -我认为我们拥有的另一份文件不是用英文发布的、但该部分也很小、没有我在上面链接的不同信息)。 我可以说的是、在总线长度小于10米的系统中、使用单线设置的客户通常会这样做 -因此、随着您尝试实现的距离、可能会导致一些问题。

    其次是 THVD8000的数据速率与距离的复杂度。

    对于典型的 RS-485收发器、数据速率与距离曲线类似于下图所示的红色曲线:

    其中基频是信令速率的1/2 ->频率 是最关注的问题、因为 THVD8000的数据速率是其输出频率的1/10、因此您需要根据调制频率查看此图 (THVD8000上最高的模数频率为5MHz -在上图中等于10Mbps)。 这意味着在标准实施中、您可能会限制在大约100m 左右。 这是一种差分设置、因此对于单端导线、您可能会面临更多挑战。  

    因此、这种情况下的解决方案可能需要通过单线实现将数据速率降低到500kbps (5MHz 调制频率)以下、或者不直接连接。  

    如果这两个选项都不能用于您的系统-下一个解决  方案是查看我上面链接的应用手册(此处是 www.ti.com/.../slla590.pdf 本质上、当您拥有较高电压或低阻抗线路时、THVD8000本身可能还不够、因此可能需要使用线路驱动器(我们在设计中使用 THS6222)来驱动该线路、以满足应用的目标。 我们的设计在125KHz 频率下进行了测试、但该设计可以灵活地使用更高的 mod 频率、因为 THS6222的带宽应适合应用。 直流系统的唯一变化(我们没有将其包含在应用手册中、因为它已经很长了)是您不需要变压器、电容器应该足够、因为太阳能电池板逆变器通常是我们的低阻抗线路驱动的直流用例。 此外、我们的测试板实际上只是将 THVD8000 EVM 与 THS6222EVM 相连、因此如果您希望采用这种方法、您应该能够使用 EVM 测试系统。  

    因此、您基本上有几种选择-从简单的修复到更复杂的布置-但我认为 THVD8000 (可能会增加 THS6222等线路驱动器) 可以帮助实现您所寻求的系统目标-但我只想提一下、这将 THVD8000推向了最大值、因此如果数据速率不能更低、则可能非常需要线路驱动器。

    如果您有任何其他问题、请告诉我、我 很乐意为 您提供帮助!

    最棒的

    Parker Dodson  

     

  • 请注意,本文内容源自机器翻译,可能存在语法或其它翻译错误,仅供参考。如需获取准确内容,请参阅链接中的英语原文或自行翻译。

    您好 Parker、

    感谢您的最后一个回复。

    我 在不同的配置下进行了几次测试、结果是正常工作。

    但我们希望提高数据速率并尝试测试 THS622。

    我在文档中看到 THS622是单向的、我需要使用 THVD8000发送和接收每个模块的数据。

    但我还注意 到,在本文档 中,这句话:“在正确的系统设计中,THS6222被插入驱动模式中的信号路径,并在接收模式中被绕过”。

    您是否有关于如何在具有 THVD8000的半双工系统中实现线路驱动器 THS6222的任何信息?

    祝你度过美好的一天!

    进行测量。

    Hugo

  • 请注意,本文内容源自机器翻译,可能存在语法或其它翻译错误,仅供参考。如需获取准确内容,请参阅链接中的英语原文或自行翻译。

    您好 Hugo、

    从我链接的原始应用手册中:

    本质上-虽然您的系统与上面所示的不同-右半部分是(用红色圆圈标出)-在 THS6222的输出端、基本上有一个带通滤波器、它将重新连接到输入端以使系统实现半双工。 (您不一定需要滤波器-但它在我们的设计中) 但是、由于布局设置不理想、实现起来可能会遇到一些挑战- https://www.ti.com.cn/cn/lit/an/slla590/slla590.pdf?ts=1657206254191&ref_url=https%253A%252F%252Fwww.google.com%252F 的第14/15页上显示了完整原理图 、带通滤波器基本上会重新连接到第一个 THVD8000而不是单独的 THVD8000 -我们展示了单独的布局 因为它到目前为止更易于实现。  此系统也可以由交换机帮助-当您处于 RX 模式等时断开驱动器路径...此交换机可以帮助防止数据损坏。  

    如果您有任何其他问题、请告诉我!

    最棒的

    Parker Dodson

  • 请注意,本文内容源自机器翻译,可能存在语法或其它翻译错误,仅供参考。如需获取准确内容,请参阅链接中的英语原文或自行翻译。

    您好、Parker、

    再次感谢您的回答。

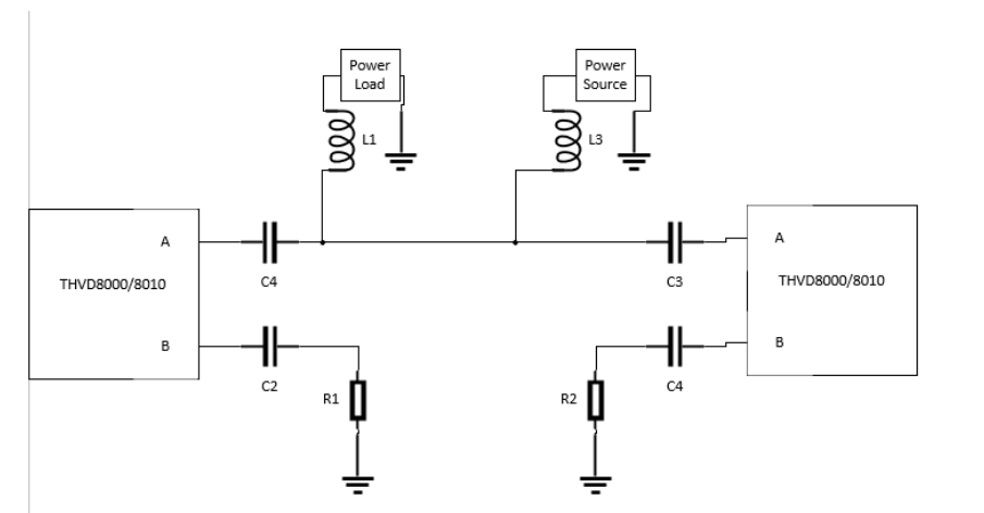
    如果我理解得好、我将不得不这样做:

    由于直流中不需要滤波器、因此我选择不将其放在图中。

    您认为我的图表是正确的吗?

    如果不是、您会更改什么?

    祝你度过美好的一天!

    进行测量。

    Hugo

  • 请注意,本文内容源自机器翻译,可能存在语法或其它翻译错误,仅供参考。如需获取准确内容,请参阅链接中的英语原文或自行翻译。

    您好 Hugo、

    是的、看起来正确-滤波器是可选的、因此可以将其拆下(尤其是在直流电源应用中)  

    如果您有任何其他问题、请告诉我!

    最棒的

    Parker Dodson