大家好、
我们的客户希望在一个24VAC 空调电力线通信系统中使用 THVD8000、下面是 THVD8000部分的原理图。 您能否帮助检查是否有任何问题和建议? 我们是否需要器件的 A/B 引脚的上拉和下拉电阻器?
This thread has been locked.
If you have a related question, please click the "Ask a related question" button in the top right corner. The newly created question will be automatically linked to this question.
您好、Jacky、
您是否有电力线+电感器以及总线与功率负载/电源之间的电感的原理图?
此外、我还从您提供的内容中获得了一些注释:
首先、您不需要 A/B 上的上拉/下拉电阻器、除非您希望将总线偏置到特定的直流电平以帮助降低噪声-这不是一个非常常见的用例、因此我们通常不会看到 A/B 在大多数应用中包含上拉/下拉电阻器。 在您或您的客户完成 设计过程时、如果需要偏置、则为电阻器使用焊盘(并将其保持为 DNI)可能不是一个坏主意。
2、您似乎想在伪差分设置中使用它、因为 B 通过电容器连接到公共端。 可以使用伪差分设置、但您确实会失去最大距离、因为接收到的信号不会那么大(它大约是真正差分设置中的一半)。 现在如何设置它的问题是、由于可能的瞬态电流较大、"B"端口无法直接通过电容器连接到公共/接地端、因此在电容器之后需要有一个电阻器连接到公共端、电阻等于 A 到的电阻 common* (电源/功率负载被认为是"常见"的-但为了使这一假设有效、需要在交流电源和公共电源之间有一个电容器、该电容器将滤除 电源上的较高调制频率-直流也是如此、但情况更差 人们通常在这里为交流电添加一个电容器-它需要在那里-它应该在交流电源上具有更高的阻抗、但对于模数频率而言具有更低的阻抗-但在标准电源和125KHz 模数频率之间具有大约三十倍的频率 设置它的值应该是可以执行的)。
3. A 和 B 上的电容器(C46和 C44) 可能会更小-因为它们满足调制频率下小于5欧姆的条件-但它们可能会更小一些以更好地阻断较低频率的24VAC 电压-因此在125KHz 时、您可以降低至~255nF、并且仍然保持不变 同时为24VAC 信号提供更多滤波。
4. 虽然端接电阻是正确的-我不知道为什么有这么多的电阻器来满足这个要求-这将增加寄生效应和电路板空间、这也许是不必要的。 这不会影响应用、但我不明白为什么会存在这 种情况(我可能只是不熟悉这种使用情况)-不过、使用电容器的分裂端接是可以的。
因此、我有几个后续问题:
正如我在评论之前提到的-如果原理图可用的话我真的很想看到完整的总线和电源连接、因为 THVD8000的设计需要系统级知识-特别是因为我需要确保针对应用正确调整电感器的大小。 如果其余节点只是副本、我只需要真正看到一个具有电源连接的节点。
2.系统中存在的距离和节点数?
总的来说、我认为您有一个良好的开端-但有一些可以修复的问题和一些我希望看到的问题、以确保器件相对于系统的设计正确。
另外请注意、我们确实有一个非常可靠的设计指南:
这涉及到如何调整电感器/电容器的大小以及系统级信息是如何汇集在一起的。 如上所述、由于该系统中的电源是交流电源、因此唯一的变化是交流电源之间需要有一个滤波电容、并且通常需要在交流电源之间过滤掉可能出现在电源负载或电源上的任何数据信号。 但除此之外、它还具有一些可靠的信息。
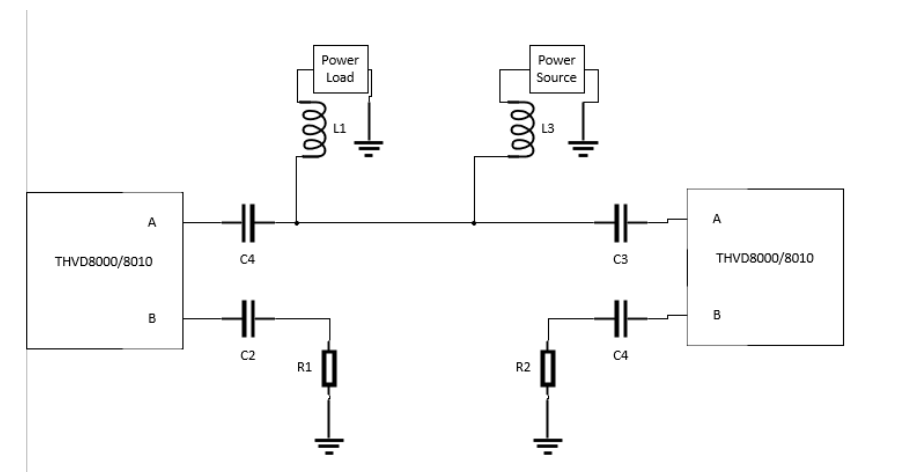
请注意、我有一个伪差分系统图(仅显示2个节点、但总线上可以接受更多节点): 
因此、如果您可以回答我的上述问题、我一定会检查原理图的其余部分。
最棒的
Parker Dodson
您好、Parker、
感谢您的详细回复、请参阅随附的客户用于美国市场商业空调应用的原理图、以及我绘制的简化应用方框图。 请帮助查看我们是否需要在室内和室外电路板的24VAC 电源线上添加额外的电感器。 如有任何问题、敬请告知。
e2e.ti.com/.../THVD8000_5F00_Power-Bus_5F00_Hisense_5F00_6_2D00_23_2D00_2022.pdf
谢谢。
您好、Jacky、
我喜欢原理图。
我有几个注意事项:
在功率负载与总线和电源之间需要有电感器。 这将是上图中的 L1和 L3。 从本质上讲、将数据和电源相结合的总线需要通过电感器连接到电源对象、而 THVD8000通过电容器连接到电源对象。 所有电源系统都需要位于电感后面。

从原理图中、我认为电源"负载"将是连接到 X19的所有元件-因此电源/数据总线和 X19之间应该有一个电感器。 此外、无论电源连接到总线、都需要一个电感器。
由于系统中只有两个节点、并且您使用的是1根导线、因此您需要2个电感器。 由于您包含了端接、因此电感器(并联组合时)需要具有大于375欧姆的阻抗。 因此、在125KHz 下电感为~477uH 的电感器将等于375欧姆-由于需要两个电感器、因此您需要使电感值加倍、以便每个节点的电感值最小为955uH。 这些公式可在 THVD8000数据表+我在最后一封电子邮件中随附的设计指南中找到、以供参考。
我看到的另一个问题是、在 X19之后、电容不大-因此125KHz 调制频率信号仍可能出现在这些节点上-在 X19处使用从 W 到 Common 的电容器将有助于清除噪声-这不应该是 THVD8000存在问题-但可能会导致系统级噪声、这可能是您的应用所不能接受的。
在系统中添加电感器后、在功率负载(可能的情况下为电源添加滤波电容器-因此也可能存在噪声)上添加滤波电容器 +执行我在第一遍最初原理图中包含的注释、我认为这应该是好的做法。
如果您有任何其他问题、请告诉我!
最棒的
Parker Dodson