This thread has been locked.

If you have a related question, please click the "Ask a related question" button in the top right corner. The newly created question will be automatically linked to this question.

[参考译文] TUSB542:有关应用电路的咨询

Guru**** 2380860 points
Other Parts Discussed in Thread: TUSB542
请注意,本文内容源自机器翻译,可能存在语法或其它翻译错误,仅供参考。如需获取准确内容,请参阅链接中的英语原文或自行翻译。

https://e2e.ti.com/support/interface-group/interface/f/interface-forum/1017597/tusb542-inquiries-about-the-application-circuit

器件型号:TUSB542

您好!

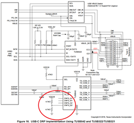
我的客户对 TUSB542数据表中的以下 TUSB542应用电路有一些疑问。

客户认为这是在 B2引脚上使用4.7K 上拉/阻尼电阻时的浮动设置。 是这样吗?

为什么4.7k Ω 上拉/下拉寄存器仅用于 Cnfg 引脚中的 B2引脚?

谢谢你。

JH

  • 请注意,本文内容源自机器翻译,可能存在语法或其它翻译错误,仅供参考。如需获取准确内容,请参阅链接中的英语原文或自行翻译。

    JH

    TUSB542的 Cnfg 引脚的连接仅为示例。

    请参阅表2和第6.6节"电气特性"、直流、浮动电压表示 VCC/2。 因此、同时具有上拉和下拉电阻器将导致 VCC/2 ->悬空。

    建议运行总体系统信号完整性分析、以估算通道损耗并配置转接驱动器。 还建议在所有配置引脚上使用上拉和下拉选项、以进行调试和测试。

    谢谢

    David