This thread has been locked.

If you have a related question, please click the "Ask a related question" button in the top right corner. The newly created question will be automatically linked to this question.

[参考译文] DS125MB203:DS125MB203

Guru**** 2586985 points
Other Parts Discussed in Thread: DS125MB203

请注意,本文内容源自机器翻译,可能存在语法或其它翻译错误,仅供参考。如需获取准确内容,请参阅链接中的英语原文或自行翻译。

https://e2e.ti.com/support/interface-group/interface/f/interface-forum/917533/ds125mb203-ds125mb203

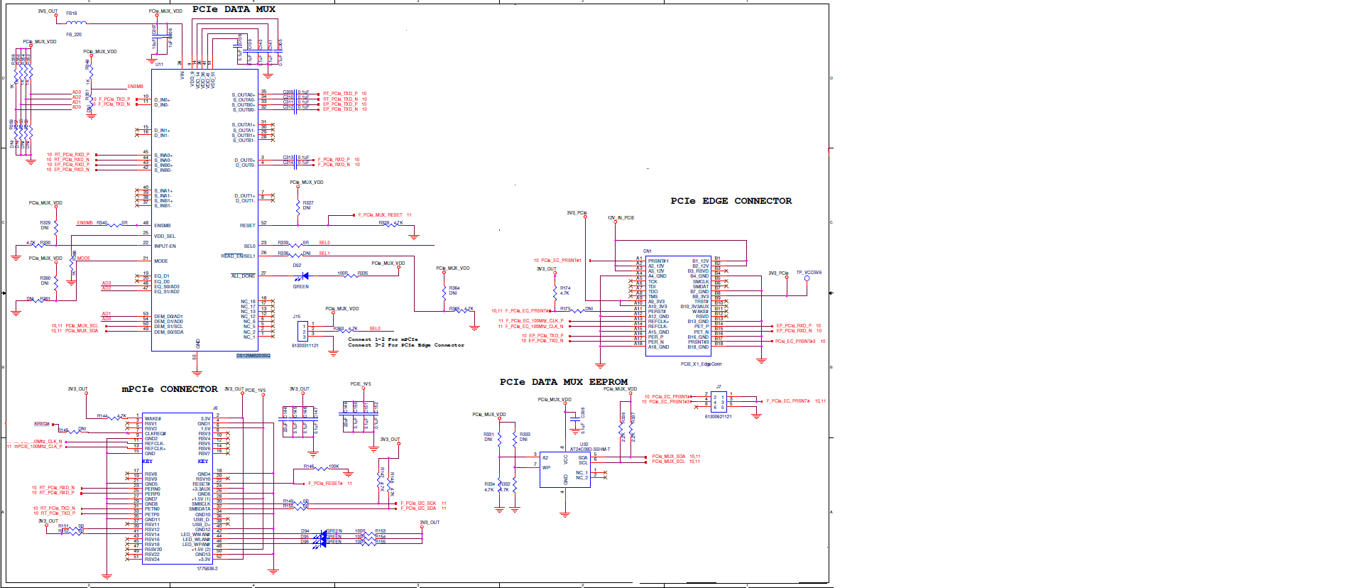
器件型号:DS125MB203

你好  

我在 PCIe 第3代设计之一中使用 DS125MB203SQ 器件。

我们需要为两个扩散器第3代器件选择其中一个器件。

我们需要使用 EEPROM 加载配置、因此我只需确认从 EEPROM 读取数据即可。 只需将读取_EN 引脚设置为低电平、或需要从高电平转换为低电平。

此外、我添加了原理图的快照、您能否查看相同的内容。

此致

Akash Jain

  • 请注意,本文内容源自机器翻译,可能存在语法或其它翻译错误,仅供参考。如需获取准确内容,请参阅链接中的英语原文或自行翻译。

    您好、Akash、

    DS125MB203上的上拉和下拉电阻值应为1K 欧姆。

    应 将 READ_EN#引 脚拉低、ENSMB 引脚应悬空、以便在加电时进行 EEPROM 下载。

    此致、

    Lee