This thread has been locked.

If you have a related question, please click the "Ask a related question" button in the top right corner. The newly created question will be automatically linked to this question.

[参考译文] DP83867CR:建立链路1Gbit

Guru**** 2535750 points


请注意,本文内容源自机器翻译,可能存在语法或其它翻译错误,仅供参考。如需获取准确内容,请参阅链接中的英语原文或自行翻译。

https://e2e.ti.com/support/interface-group/interface/f/interface-forum/912825/dp83867cr-establish-link-1gbit

器件型号:DP83867CR

您好!

我的 DP83867 PHY 有问题。

在我的案例中、没有与 PC 建立链接。

启用自动协商、通过示波器验证脉冲。

所有4个通道上都具有测试模式和图形。

RBIAS 为11k、测量值为1.0V

MDIO 接口工作良好。 寄存器读取/写入没有问题。

未知部件是 RGMII 接口。 在这里、我的问题是:

RGMII 接口是否有必要良好地(时序等)建立与 PC 的链接(没有 Mac 地址等更高层信息)?

然后可以通过 MDIO 读取链路状态、对吧?

PHY LED 未显示任何活动。

非常感谢

Richard

  • 请注意,本文内容源自机器翻译,可能存在语法或其它翻译错误,仅供参考。如需获取准确内容,请参阅链接中的英语原文或自行翻译。

    您好 Richard、

    您能否共享在没有 PC 链接时看到的寄存器转储?

    如果您的时钟不稳定、可能会出现链接问题。

    谢谢、

    Cecilia

  • 请注意,本文内容源自机器翻译,可能存在语法或其它翻译错误,仅供参考。如需获取准确内容,请参阅链接中的英语原文或自行翻译。

    您好、Cecilia、

    这是十六进制寄存器映射的第一个块。

    R00:1140   R01:7949   R02:2000   R03:A231
    R04:0181   R05:0000   R06:0064   R07:2001
    R08:0000   R09:0300   R0A:0000   R0F:3000
    R10:5048   R11:0002   R12:0000   R13:0000
    R14:29C7   R15:0000   R16:0000   R17:0040
    R18:0050   R19:4000   R1A:0002   R1E:0002

    如果您需要其他寄存器、请告诉我。

    您是指来自晶体25MHz 的不稳定时钟吗?

    非常感谢、

    Richard

  • 请注意,本文内容源自机器翻译,可能存在语法或其它翻译错误,仅供参考。如需获取准确内容,请参阅链接中的英语原文或自行翻译。

    您好 Richard、

    是的、您需要确保 XI 输入处的晶振符合我们数据表中建议的 PPM 规格。  

    您的 RGMII 时钟是否偏斜或对齐? 由于 RGMII 需要时钟偏斜、您可能还需要对此进行回顾。

    谢谢

    Cecilia

  • 请注意,本文内容源自机器翻译,可能存在语法或其它翻译错误,仅供参考。如需获取准确内容,请参阅链接中的英语原文或自行翻译。

    您好!

    我检查了晶体、它的20ppm。 为了得到改善、我将其更改为以前工作正常但没有工作结果的另一个。

    建立链路是否需要正常工作的 RGMII 接口?

    我在较旧的设计上进行了测试,没有 RGMII 接口和用于启用自动协商的绑带,因此出现了一个链接(PC 重新确认线路末端有人,网卡上的 LED 闪烁)

    在实际设计中、几乎相同的配置不起作用。

    您是否在寄存器值中看到任何异常?

    非常感谢

  • 请注意,本文内容源自机器翻译,可能存在语法或其它翻译错误,仅供参考。如需获取准确内容,请参阅链接中的英语原文或自行翻译。

    您好 Richard、

    链路不需要正常工作的 RGMII 接口、因为这仅是电缆 side.it 上的链路状态、如您发送的寄存器值所示、在0x1的位2上、它显示链路已断开。  

    您的连接伙伴是否也设置为自动协商? 您是否尝试以1G 以外的其他速度进行测试、并查看该速度是否正常?

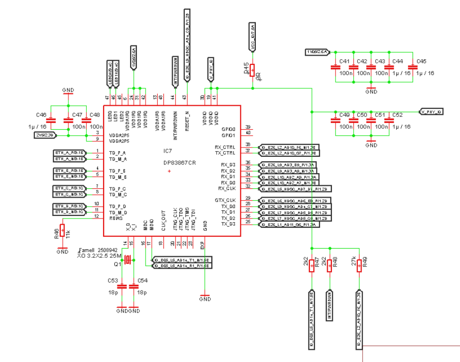
    如果可能、您还能提供原理图吗?

    谢谢、

    Cecilia

  • 请注意,本文内容源自机器翻译,可能存在语法或其它翻译错误,仅供参考。如需获取准确内容,请参阅链接中的英语原文或自行翻译。

    合作伙伴是 Win10 PC、并发送自动协商脉冲。 我在连接以太网电缆时测量了所有4个通道上的脉冲。

    我没有使用 PC 端的其他速度设置对其进行测试。

    原理图附在下方。

  • 请注意,本文内容源自机器翻译,可能存在语法或其它翻译错误,仅供参考。如需获取准确内容,请参阅链接中的英语原文或自行翻译。

    您好 Richard、

    您的原理图看起来是可以的。 您能否通过在 RESET 引脚上进行探测来测试和确认 PHY 是否超出复位范围? 您还能检查 RXCLK 上是否出现信号吗?  

    这通常是我们测试的另一个项目、用于确认 PHY 上的功能。  

    谢谢、

    Cecilia

  • 请注意,本文内容源自机器翻译,可能存在语法或其它翻译错误,仅供参考。如需获取准确内容,请参阅链接中的英语原文或自行翻译。

    可探测复位且正常(2.5V)

    RXCLK 为2.5MHz 方波

    非常感谢

    Richard

  • 请注意,本文内容源自机器翻译,可能存在语法或其它翻译错误,仅供参考。如需获取准确内容,请参阅链接中的英语原文或自行翻译。

    您好 Richard、

    好的、那么您的信号看起来正常、PHY 正常运行。 当您提到您测量了4个通道上的脉冲时、您看到了什么? 请您与我们分享这些结果吗? 如果可能、您还可以共享链路伙伴传输的脉冲吗?

    您是否尝试在电缆侧将两个 PHY 连接在一起、以查看是否可以看到链接? 我正在尝试隔离此问题、以查看我们是否至少可以看到两个 PHY 链接在一起、而不是 PHY + PC。  

    谢谢、

    Cecilia

  • 请注意,本文内容源自机器翻译,可能存在语法或其它翻译错误,仅供参考。如需获取准确内容,请参阅链接中的英语原文或自行翻译。

    您好 Cecilia、我 发现了问题。

    我不会对 LED0的极性从旧设计更改为实际设计时的端口镜像自举发生变化表示不一致。

    因此、端口镜像现在由启动启用、不起作用。 如果我在寄存器中更改此值、就可以了。

    非常感谢

    Richard