This thread has been locked.

If you have a related question, please click the "Ask a related question" button in the top right corner. The newly created question will be automatically linked to this question.

[参考译文] DS90UH927Q-Q1:IC 能否使用其他接口?

Guru**** 2468310 points
Other Parts Discussed in Thread: DS90UH927Q-Q1, DS90UH928Q-Q1

请注意,本文内容源自机器翻译,可能存在语法或其它翻译错误,仅供参考。如需获取准确内容,请参阅链接中的英语原文或自行翻译。

https://e2e.ti.com/support/interface-group/interface/f/interface-forum/912204/ds90uh927q-q1-can-the-ic-use-other-interfaces

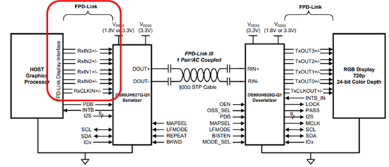
器件型号:DS90UH927Q-Q1
主题中讨论的其他器件: DS90UH928Q-Q1

大家好、

我正在寻找 FPD-link 解决   方案、那么 DS90UH927Q-Q1和 DS90UH928Q-Q1应该更适合我们。
但是、首次查找 FPD-link 是为了让我提出以下问题。

  1. 是否提供 SPI 或任何其他接口? (我知道该 IC 支持 I2C)以及有多少?
  2. GPIO 是否可以通过 FPD-link 进行传输?
  3. 控制对或任一器件是否需要 MCU?

此致、
Koyo

  • 请注意,本文内容源自机器翻译,可能存在语法或其它翻译错误,仅供参考。如需获取准确内容,请参阅链接中的英语原文或自行翻译。

    您好、Koyo、

    1-这些器件不支持 SPI。 不过、有些人使用 GPIO 来实现 SPI。

    2-是的,这是可能的,并在 d/s 中进行了说明

    3 - MCU 对于基本功能而言不是必需的、但如果您希望启用/禁用 GPIO、例如将 GPIO 用于不同的功能、则需要为您提供 MCU。

  • 请注意,本文内容源自机器翻译,可能存在语法或其它翻译错误,仅供参考。如需获取准确内容,请参阅链接中的英语原文或自行翻译。

    您好、Hamzeh、

    感谢给出了非常明确的答案。
    我完全理解。

    此致、
    Koyo

  • 请注意,本文内容源自机器翻译,可能存在语法或其它翻译错误,仅供参考。如需获取准确内容,请参阅链接中的英语原文或自行翻译。

    很高兴看到这个。

  • 请注意,本文内容源自机器翻译,可能存在语法或其它翻译错误,仅供参考。如需获取准确内容,请参阅链接中的英语原文或自行翻译。

    您好、Hamzeh、

    让我就该 IC 提出其他问题。

    1. 我的理解是、IC 可通过 FPD-Link 提供1个 I2C 和4个 GPIO、对吧?
    2. 我们希望通过 FPD-Link 使用2个 I2C 和10个 GPIO、器件是否支持并行连接、或者我们如何实现?
    3. 该器件是否具有扩频?  
    4. 当信号变得圆形时、该器件能否进行补偿?  
    5. 如果下图中的输入信号是扩频、器件是否可以接受频率抖动?

    此致、
    Koyo

  • 请注意,本文内容源自机器翻译,可能存在语法或其它翻译错误,仅供参考。如需获取准确内容,请参阅链接中的英语原文或自行翻译。

    您好、Koyo、

    1) 1)正确。

    2) 2)请参阅随附的应用手册以了解 GPIO 的使用情况。

    http://www.ti.com/lit/an/snla234/snla234.pdf

    3)否

    4) 4)您能解释一下吗?

    5) 5)抖动规格在数据表 的交流电气特性部分下

  • 请注意,本文内容源自机器翻译,可能存在语法或其它翻译错误,仅供参考。如需获取准确内容,请参阅链接中的英语原文或自行翻译。

    您好、Hamzeh、

    感谢您的回答。

    关于第4个问题、我想让该器件在 FPD-Link 信号衰减且接收器无法识别信号是高电平还是低电平时能够补偿通信质量。

    此致、
    Koyo

  • 请注意,本文内容源自机器翻译,可能存在语法或其它翻译错误,仅供参考。如需获取准确内容,请参阅链接中的英语原文或自行翻译。

    您好、Koyo、

    请观看此培训视频、了解更多信息、这些信息应能解答您有关均衡的问题:  

    https://training.ti.com/ti-precision-labs-fpd-link-high-speed-communication-fpd-link?context=1139747-1138099-1139854-1146235 

  • 请注意,本文内容源自机器翻译,可能存在语法或其它翻译错误,仅供参考。如需获取准确内容,请参阅链接中的英语原文或自行翻译。

    您好 Casey、

    感谢您分享有用的视频。
    我理解这个问题。

    此致、
    Koyo