This thread has been locked.

If you have a related question, please click the "Ask a related question" button in the top right corner. The newly created question will be automatically linked to this question.

[参考译文] DS90UB927QEVM:分步指南/EVM 建议

Guru**** 2502005 points


请注意,本文内容源自机器翻译,可能存在语法或其它翻译错误,仅供参考。如需获取准确内容,请参阅链接中的英语原文或自行翻译。

https://e2e.ti.com/support/interface-group/interface/f/interface-forum/768046/ds90ub927qevm-step-by-step-guide-evm-recommendation

器件型号:DS90UB927QEVM

大家好、

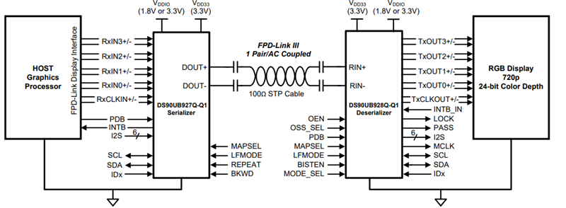
我的客户希望通过串行 FDP 链路传输 LVDS 显示信号。 反向海水化后、该信号应由监视器显示(基本上是下图中的设置)

LVDS 信号由 i.MX6主机发出、具有 x 800像素@ 60Hz。

第一种方法是使用 DS90UB927对信号进行串行化、并使用 DS90UB928将其反串行化回 LVDS。 他拿起了这两个 EVM、但无法运行此设置。 如果他直接连接主机和显示器、一切工作正常。

我想到了两个支持这一点的选项:

  1. 我们提供了有关如何设置此 EVM 组合的分步说明
  2. 我们能否推荐其他器件/EVM、哪些器件可提供更好的即插即用特性?

期待您的回应-非常感谢!

此致

Dierk Bronner  

  • 请注意,本文内容源自机器翻译,可能存在语法或其它翻译错误,仅供参考。如需获取准确内容,请参阅链接中的英语原文或自行翻译。
    您好、Dierk、

    您能告诉我、"无法运行此设置"是什么意思?
    器件(SER 和 DES)之间是否有锁定?
    器件之间是否可以进行 I2C 通信?

    他们是否遵循了这些 EVM 的 EVM 用户指南? 这些内容可在 TI.com 上找到
  • 请注意,本文内容源自机器翻译,可能存在语法或其它翻译错误,仅供参考。如需获取准确内容,请参阅链接中的英语原文或自行翻译。
    您好、Hamzeh、

    很高兴让您登上这个板。 客户对此 FPD Link 器件不是很有经验。 我知道这有时会是一个相当大的挑战。 一切都还处于很早期的阶段。

    我认为支持客户的最有效方法是提出一组不同的 EVM。 我希望、或许更现代的器件系列也能更好地提供 EVM。

    FPD 链路需要能够从 i.MX6主机传输 LVDS 视频信号、具有800像素@ 60Hz 的分辨率。 没有其他奇特的要求

    您能否推荐适合此方法的任何器件/EVM -

    非常感谢您的支持!

    此致
    Dierk Bronner
  • 请注意,本文内容源自机器翻译,可能存在语法或其它翻译错误,仅供参考。如需获取准确内容,请参阅链接中的英语原文或自行翻译。

    您好、Dierk、

    要传输 LVDS 信号(oLDI 接口)、您有两个选项:

    927至928或

    947至948。