This thread has been locked.

If you have a related question, please click the "Ask a related question" button in the top right corner. The newly created question will be automatically linked to this question.

[参考译文] SN75LVDS83B:此器件的保护方法

Guru**** 2510095 points
Other Parts Discussed in Thread: SN75LVDS83B

请注意,本文内容源自机器翻译,可能存在语法或其它翻译错误,仅供参考。如需获取准确内容,请参阅链接中的英语原文或自行翻译。

https://e2e.ti.com/support/interface-group/interface/f/interface-forum/776827/sn75lvds83b-protection-way-for-this-device

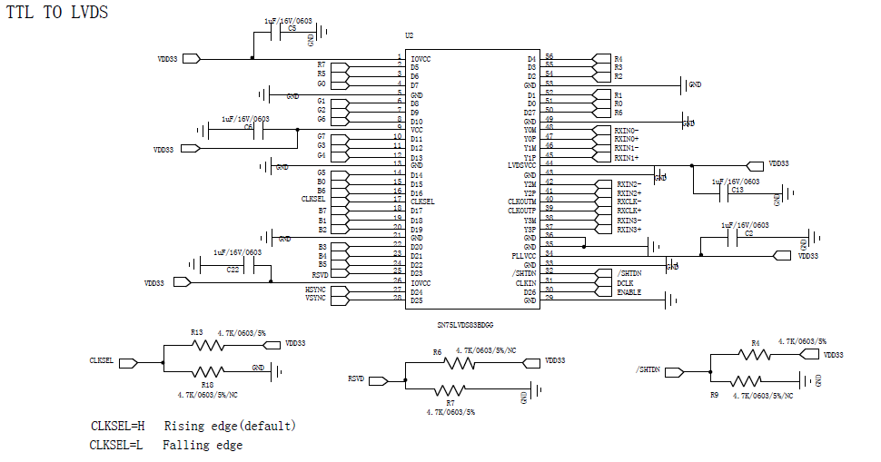
器件型号:SN75LVDS83B

你好

您对此设备是否有一些保护建议? 我的客户使用 SN75LVDS83B 将测试板上的 TTL 转换为 LVDS 以测试 LCD 面板时、很可能会发生 SN75LVDS83B 使用故障的情况、例如 VDD 引脚短接至 GND、一个 CLK 短接至 GND、一个双通道数据引脚短接至 GND;

它可能是由 ESD 或热插拔引起的、我想、您是否有一些保护建议给我的客户?

  • 请注意,本文内容源自机器翻译,可能存在语法或其它翻译错误,仅供参考。如需获取准确内容,请参阅链接中的英语原文或自行翻译。
    您好 Fandy、

    您能否提供有关客户如何测试此器件以产生故障条件的更多详细信息? 我们对该器件的这些类型的故障保护没有任何建议。

    此致、
    I.K.