This thread has been locked.

If you have a related question, please click the "Ask a related question" button in the top right corner. The newly created question will be automatically linked to this question.

[参考译文] DS25BR440:机械数据

Guru**** 2511985 points
Other Parts Discussed in Thread: DS25BR440

请注意,本文内容源自机器翻译,可能存在语法或其它翻译错误,仅供参考。如需获取准确内容,请参阅链接中的英语原文或自行翻译。

https://e2e.ti.com/support/interface-group/interface/f/interface-forum/763260/ds25br440-mechanical-data

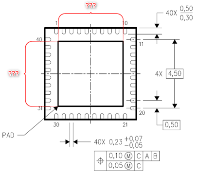
器件型号:DS25BR440

您好!

请提供 DS25BR440的尺寸。 您能否以红色为以下内容提供尺寸?

  • 请注意,本文内容源自机器翻译,可能存在语法或其它翻译错误,仅供参考。如需获取准确内容,请参阅链接中的英语原文或自行翻译。

    最新的 RTA40信息未正确链接到此数据表。  我附加了其他封装信息。

    此致、

    Lee