This thread has been locked.

If you have a related question, please click the "Ask a related question" button in the top right corner. The newly created question will be automatically linked to this question.

[参考译文] TPD12S521:原理图捕捉对此有疑问。

Guru**** 2531960 points


请注意,本文内容源自机器翻译,可能存在语法或其它翻译错误,仅供参考。如需获取准确内容,请参阅链接中的英语原文或自行翻译。

https://e2e.ti.com/support/interface-group/interface/f/interface-forum/759387/tpd12s521-schematic-capture-doubt-of-the-same

器件型号:TPD12S521

您好!

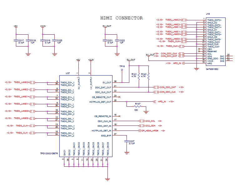
我们在 新设计中使用 TPD12S521DBTR。 我们对相同的原理图捕获几乎没有什么疑问。 我们附加了相同的原理图。 您能不能再回顾一下并评论一下。

  • 请注意,本文内容源自机器翻译,可能存在语法或其它翻译错误,仅供参考。如需获取准确内容,请参阅链接中的英语原文或自行翻译。

    Joseph、

    我在 DDC_CLK_IN、DDC_DATA_IN 或 HOTLUG_DET_IN 上看不到正确的上拉电阻器。

    您是否计划在您的应用中支持 CEC?

    此应用是位于源端还是连接器端?   

    如果您可以回答我的两个问题、我可以进一步帮助您。

    此致、

    卡盘

  • 请注意,本文内容源自机器翻译,可能存在语法或其它翻译错误,仅供参考。如需获取准确内容,请参阅链接中的英语原文或自行翻译。
    Joseph、

    我一周内没有收到您的回复、因此我要将此主题标记为 TI 认为已解决。 如果您需要任何进一步的支持、请回复此主题、它将自动重新打开。

    请随时询问您的任何其他问题、或者如果我已完全回答您的问题、请单击客户认为解决按钮。

    此致、
    卡盘