This thread has been locked.

If you have a related question, please click the "Ask a related question" button in the top right corner. The newly created question will be automatically linked to this question.

[参考译文] TCA9803:B 侧上拉电阻器

Guru**** 2524550 points
Other Parts Discussed in Thread: TCA9803

请注意,本文内容源自机器翻译,可能存在语法或其它翻译错误,仅供参考。如需获取准确内容,请参阅链接中的英语原文或自行翻译。

https://e2e.ti.com/support/interface-group/interface/f/interface-forum/793714/tca9803-b-side-pull-up-resister

器件型号:TCA9803
主题中讨论的其他器件: TL9600

大家好、

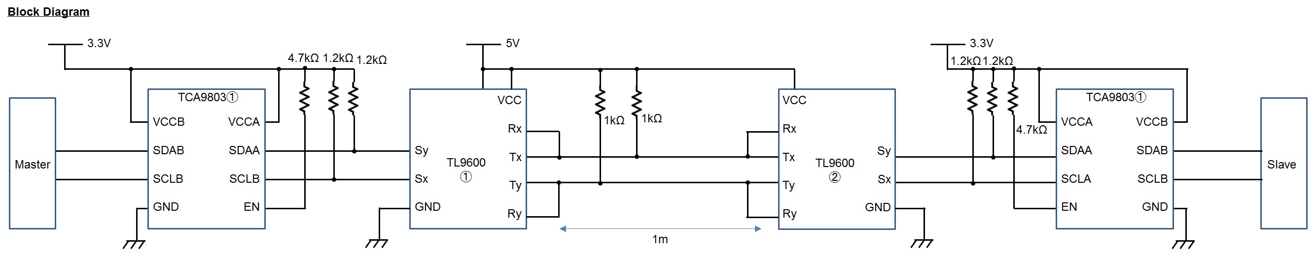
我想到的是以下方框图。
在这种情况下、它被配置为不连接静态电压偏移。 是否可以进行传输?

此外、我想在 TCA9803的 B 侧连接一个上拉电阻器。 这是客户问题。
电路板已经完成、必须连接上拉电阻器。
A 侧是否可以连接上拉电阻器?


TCA9803的多点连接 B 侧是否可行?

或者是否可以多点连接 TL9600 T/R 侧?

此致、
石田山

  • 请注意,本文内容源自机器翻译,可能存在语法或其它翻译错误,仅供参考。如需获取准确内容,请参阅链接中的英语原文或自行翻译。

    嗨、Ishiwata、

    "此外、我想在 TCA9803的 B 侧连接一个上拉电阻器。 这是客户问题。
    电路板已经完成、必须连接上拉电阻器。
    A 侧是否可以连接上拉电阻器?"

    该器件 B 侧上的上拉电阻器将无法正常工作。 1.2k 上拉电阻器通常有点强、因此我认为这不起作用。

    " 是否可以对 TCA9803的 B 侧进行多点连接?"

    在您的图片中、这是可以的。 我必须指出,第一张图片在母版上有一面,但新图片在母版上有 B 一面。 这是不是意味着这是另一条 I2C 总线、还是您的行为有误?

    "或者是否可以多点连接 TL9600 T/R 侧?"

    是的、T/R 侧正常、但 S 侧不正常。

    谢谢、

    -Bobby

  • 请注意,本文内容源自机器翻译,可能存在语法或其它翻译错误,仅供参考。如需获取准确内容,请参阅链接中的英语原文或自行翻译。


    您好、Bobbi-San、

    感谢您的回答。
    因此、以下 B 侧没有上拉电阻的配置可能被理解为可传输?

    此外、如果它上拉 B 侧、不起作用的原因是什么?
    为什么是静态电压? 如果上拉电阻值增大、是否可以传输?
    例如、10kΩ Ω 上拉电阻


    对于多点、
    客户配置有两个从器件。
    在这种情况下、我想确认在以下配置中可以分支到何处。
    采用 TCA9803的多站解决方案或采用 TL9600的多站解决方案。

    我认为 TCA9803的 B 侧由于静态失调电压而无法分支。

    您是否可以在两种配置下进行传输?

    此致、
    石田山

  • 请注意,本文内容源自机器翻译,可能存在语法或其它翻译错误,仅供参考。如需获取准确内容,请参阅链接中的英语原文或自行翻译。
    '因此、B 侧没有上拉电阻的以下配置可能被理解为可传输?'
    这应该起作用。 您可能需要小心并检查主器件是否有内部上拉电阻器。

    "此外、如果它拉高 B 侧、那么不起作用的原因是什么?"
    第9.4.1.2.1节对此进行了讨论。 本质上、该器件使用其在 B 侧提供的内部电流来检测 A 侧或 B 侧是否拉低。 通过添加外部上拉电流、您可能会破坏器件的低检测算法。

    "为什么是静态电压?"
    您是否在谈论 TL9600或 TCA9803?

    '如果上拉电阻值增大、是否可以传输?'
    我假设您询问的是 TCA9803 B 侧上拉电阻器。 我看到过这确实起作用的情况、但当您使用外部上拉电阻器时、您需要确保主器件的 NFET 能够从 TCA9803 B 侧的内部上拉源中拉出所有电流。 主器件的驱动强度越高、使用更强的外部上拉电阻的可能性就越大。 10K 电阻相当弱、但如果您在主设备上具有较弱的驱动强度、则可能无法正常工作。

    "在这种情况下、我想确认在以下配置中可以分支到哪里。
    采用 TCA9803的多站解决方案或采用 TL9600的多站解决方案。"
    我看到的两个图像都可以正常工作。 两者都没有问题。

    "我认为 TCA9803的 B 侧由于静态失调电压而无法分支。"
    B 侧无法连接到具有静态电压偏移的另一个缓冲器。 TL9600在 Sy/Sx 上有一个静态电压偏移、但是 TCA9803被 A 侧而非 B 侧连接到 TL9600。 这意味着这将起作用。

    "您可以在两种配置中进行传输吗?"
    我认为没有问题。

    谢谢、
    -Bobby
  • 请注意,本文内容源自机器翻译,可能存在语法或其它翻译错误,仅供参考。如需获取准确内容,请参阅链接中的英语原文或自行翻译。

    您好、Bobbi-San、

    感谢您的支持。

    "为什么是静态电压?"
    您是否在谈论 TL9600或 TCA9803? "
    ->这是关于 TCA9803。

    "因此、我看到过这确实起作用的情况、但当您使用外部上拉电阻器时、您需要确保主器件的 NFET 能够从 TCA9803 B 侧的内部上拉源中拉出所有电流。 主器件的驱动强度越高、使用更强的外部上拉电阻的可能性就越大。 10K 电阻相当弱、但如果您在主设备上具有较弱的驱动强度、则可能无法正常工作。 "
    ->主设备的驱动器容量为3 mA。 在这种情况下、是否可以使用1.2k Ω 上拉电阻器进行传输?


    还有另一个问题、我能否仅将 SDA 输入到 TCA9803?
    客户表示希望通过另一条路径传输 SCL。
    如果可能、未使用的引脚(SCLA、SCLB)是否连接到 VCC? 是 GND 连接吗?

    此致、
    石田山

  • 请注意,本文内容源自机器翻译,可能存在语法或其它翻译错误,仅供参考。如需获取准确内容,请参阅链接中的英语原文或自行翻译。
    你(们)好

    我没有回应。
    请回答。

    此致、
    石田山
  • 请注意,本文内容源自机器翻译,可能存在语法或其它翻译错误,仅供参考。如需获取准确内容,请参阅链接中的英语原文或自行翻译。
    Ishiwata-San、您好!

    很抱歉耽误你的时间。 Bobby 已经离开办公室几天了。 我们明天会回来。

    此致、
    最大
  • 请注意,本文内容源自机器翻译,可能存在语法或其它翻译错误,仅供参考。如需获取准确内容,请参阅链接中的英语原文或自行翻译。
    嗨、Ishiwata、

    很抱歉耽误你的回答。 我在你之前的答复中离开办公室,今天又回来了。

    TCA9803没有正常/传统的静态电压偏移。 它使用您知道的电流源。 从某种意义上讲、它确实具有静态电压偏移、因为电流源是恒定的、器件的 Rdson 在稳态感应中是恒定的。 因此、3.3mA 电流乘以 TCA9803 B 侧 NFET 的 Rdson 将生成静态电压偏移、但该偏移远低于大多数静态电压偏移缓冲器、因为它不使用二极管。

    现在、需要了解的是器件如何检测哪个侧拉低(这对于器件而言是必要的、以确保其自身不会锁存为低电平)。 该器件可以判断 B 侧是否驱动为低电平、因为它可以查看内部电流源是否从外部灌入。 如果 B 侧拉电流、则表示 B 侧主/从驱动为低电平。 当电流源被内部灌入时、这意味着一个侧驱动低电平。 在竞争状态下、A 侧驱动低电平、B 侧主/从侧也希望驱动低电平(例如关闭 ACK)、主/从器件需要能够从 TCA9803的 NFET 中拉出足够的电流、以识别 B 侧驱动低电平。 这意味着主器件/从器件需要有足够的驱动强度来实现这一点(我所指的参数是 IiLc)。

    '主器件的驱动能力为3mA。 在这种情况下、是否可以使用1.2k Ω 上拉电阻器进行传输?"
    1.2k 是大电流。 您将向主/从侧加上 TCA9803电流源再添加2.75mA 的电流。 这实际上意味着主器件/从器件现在需要在低电平条件下驱动6.05mA 的电流、而不是仅驱动 TCA9803的3.3mA 电流。 TCA9803需要至少1mA 的拉电流源才能识别 B 侧在争用期间驱动为低电平。 TCA9803规范:主器件/从器件必须提供150 Ω 或更低的驱动强度、以确保低电平在争用期间能够传递。 标准 I2C 从设备/主设备将在电流为3mA 时提供0.4V 电压、电阻为133 Ω。 通过添加1.2k 外部电阻器、您可以增大主/从器件的 Ron、从而使驱动强度不再小于150欧姆。 由于您将主设备的"驱动容量"规格为3mA、因此我假设驱动强度仅为标准规格、不像某些 FPGA 那样特别强。 这让我认为您将违反 RILC 要求。

    "还有另外一件事、我能否仅将 SDA 输入到 TCA9803?
    客户表示希望通过另一条路径传输 SCL。
    如果可能、未使用的引脚(SCLA、SCLB)是否连接到 VCC? 它是 GND 连接吗?"
    这在我看来仍然很奇怪、但是的、你可以使 SCL 为高电平(外部上拉 A 侧并使 B 侧悬空)

    谢谢、
    -Bobby
  • 请注意,本文内容源自机器翻译,可能存在语法或其它翻译错误,仅供参考。如需获取准确内容,请参阅链接中的英语原文或自行翻译。
    您好、Bobbi-San、

    感谢您的联系。 感谢您的支持。

    如果未向9803 NFET 提供足够的电流、则无法正确驱动低电平。
    因此、如果 B 侧计数器器件中的电流为3mA、则无法正常运行。
    因此、不能使用1.2kΩ Ω 上拉电阻进行传输。 您在判断。
    我理解这种方式、但这种理解是正确的吗?

    此致、
    石田山
  • 请注意,本文内容源自机器翻译,可能存在语法或其它翻译错误,仅供参考。如需获取准确内容,请参阅链接中的英语原文或自行翻译。
    嗨、Ishiwata-San、

    '如果没有向9803 NFET 提供足够的电流、则无法正确驱动低电平。'
    应读为:如果在争用期间没有从9803电流源获取足够的电流、则无法正确驱动低电平。

    "因此、如果 B 侧计数器器件中存在3mA 的电流、它将无法正常运行。"
    读数应为:因此、如果9803器件的 B 侧有外部电流源(如1.2k 上拉电流)、它可能无法正常运行。

    '因此、1.2kΩ Ω 上拉电阻的传输将不可能。'
    一个侧面1.2k 上拉应该是可以的、具有1.2k 上拉的 B 侧也许不是。 它取决于主/从驱动强度。

    "你在判断。"
    正确、我听说在设计此器件时、他们进行了测试、以查看 B 侧是否可以处理外部上拉电阻器、对于弱上拉、该器件正常工作。 [我没有找到此测试的数据]对于强上拉电阻(如1.2k)、他们开始看到问题。 我个人尚未进行测试、但我的想法是、问题是由于主/从器件的驱动强度无法从980x 中充分拉取 IiLc。

    谢谢、
    -Bobby
  • 请注意,本文内容源自机器翻译,可能存在语法或其它翻译错误,仅供参考。如需获取准确内容,请参阅链接中的英语原文或自行翻译。

    您好、Bobbi-San、

    很抱歉耽误您的联系。

    我读了,但我不能理解,因为我的英语不好。
    我能够理解。谢谢。

    感谢您的支持。

    此致、
    石田山