This thread has been locked.

If you have a related question, please click the "Ask a related question" button in the top right corner. The newly created question will be automatically linked to this question.

[参考译文] SN65HVD1785:使用负电压的测试方法

Guru**** 2502205 points


请注意,本文内容源自机器翻译,可能存在语法或其它翻译错误,仅供参考。如需获取准确内容,请参阅链接中的英语原文或自行翻译。

https://e2e.ti.com/support/interface-group/interface/f/interface-forum/858963/sn65hvd1785-test-method-using-negative-voltage

器件型号:SN65HVD1785

你(们)好

我尝试根据 B 引脚上的负电压测试性能、但它不起作用。

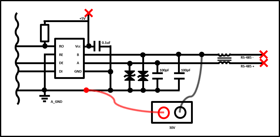
在以下布局中、通过对 GND 施加30V 电压、以伪方式向 B 引脚施加-30V 电压。 但是、这种方法会损坏器件。

对 GND 施加正电源是否存在问题?

这不是一个伪负电源吗?

测试时是否必须小心?

此致

哥打

  • 请注意,本文内容源自机器翻译,可能存在语法或其它翻译错误,仅供参考。如需获取准确内容,请参阅链接中的英语原文或自行翻译。

    您好、哥打圣、

    当 Vcc 被提供5V 电压时、对 GND 施加30V 电压会在器件的 Vcc 引脚和 GND 引脚之间产生-25V 的电压差、这超过了绝对最大额定值。 由于所有最大绝对电压都以 GND 引脚为基准、因此超出了其中的许多最大值。 这些引脚可能是损坏的原因。  

    要使用两个单独的电源执行此测试、您可以将 Vcc 的初级(A)电源设置为5V、并将故障仿真的次级(B)电源设置为30V。 使用主电源照常将电路板与以电路板 GND (A)为基准的 GND (A)相连。 将次级电源的+30V 电压参考主电源的 GND (A)。 现在、次级侧的 GND (B)相对于电路板的 GND (A)具有-30V 电位。 将此 GND (B)短接至 B 引脚将仿真相对于器件 GND (A)的-30V 故障。  

    注:确保电源背面没有参考连接。  

    如果您对此设置有任何疑问、请告诉我。

    此致、

    Eric

  • 请注意,本文内容源自机器翻译,可能存在语法或其它翻译错误,仅供参考。如需获取准确内容,请参阅链接中的英语原文或自行翻译。

    尊敬的 Eric:

    感谢你的答复。

    有些测试条件我没有告诉您。

    “5V +”未连接到 VCC,VCC 悬空。

    与电路上的交叉标记没有连接。 左侧连接了另一个器件(也连接了 A_GND)。

    是否可以使用此电路进行测试?

    此致

    哥打

  • 请注意,本文内容源自机器翻译,可能存在语法或其它翻译错误,仅供参考。如需获取准确内容,请参阅链接中的英语原文或自行翻译。

    您好、Kota、

    测试未上电的器件确实会简化设置。 该器件似乎应通过图表中所示的测试。 所有电压似乎都在数据表规格内。 这让我相信还有其他一些因素在发挥作用、我们不会期望这会造成损害。

    1.在损坏的设备上,它是如何发生故障的? A 引脚是否具有通过器件到达 GND 的低阻抗? 如果没有、是否有任何引脚?

    2.在测试过程中、在-30V 故障期间从电源汲取了多少电流?

    3. 是否有任何其他电源接地参考? 是否有其他任何东西连接到电路板、还是仅连接到该单电源?

    4. 此电路板上是否有电源组件? 本地电源中可能存在残余电荷、或者我们可能无法预期的电流路径中可能存在残留电荷。

    此致、

    Eric

  • 请注意,本文内容源自机器翻译,可能存在语法或其它翻译错误,仅供参考。如需获取准确内容,请参阅链接中的英语原文或自行翻译。

    尊敬的 Eric:

    首先、很抱歉、上次发送的电路图有点错误。 我测试了 B 引脚。

    > 1. 在损坏的器件上、它是如何发生故障的? A 引脚是否具有通过器件到达 GND 的低阻抗? 如果没有、是否有任何引脚?

    B 引脚具有接地的低阻抗、器件 被烧断。

    > 2. 在测试期间、在-30V 故障期间从电源汲取了多少电流?

    我尚未检查电流、但 可能有短路电流流动。

    > 3.  电源的接地端是否有任何其他基准? 是否有其他任何东西连接到电路板、还是仅连接到该单电源?

    就是这个电源。 所有其他路线都是开放的。

    > 4.  此电路板上是否有电源组件? 本地电源中可能存在残余电荷、或者我们可能无法预期的电流路径中可能存在残留电荷。

    GND 侧有许多杂散电容、但由于除电路图外没有 B 引脚连接路径、因此所施加电压的电容仅被视为 C85的100pF 电容。

    此外、自正常电源接通以来、经过了足够的时间、残余电压的可能性很低。

    引脚2短接至 GND、并在 RE 和 B 之间施加-28V 电压。这是问题吗?

    此致

    哥打

  • 请注意,本文内容源自机器翻译,可能存在语法或其它翻译错误,仅供参考。如需获取准确内容,请参阅链接中的英语原文或自行翻译。

    您好、Kota、

    感谢您提供的所有信息。  

    RE 和 B 之间的-28V 不应成为问题。 当故障电源接地并经过足够的时间后、所有部件都应衰减至接地电位。 从器件的角度来看、在给定您的说明的情况下、B 引脚上应该只有应力。  

    如何设置故障电压? 如果在进行故障连接之前将电源电压设置为28V、则电源电缆的电感可能会对 TEST 引脚的实际电压产生严重影响。 我建议在电源设置为0v 时连接到电路板、然后将电源设置为28V。 这将允许故障电压缓慢斜坡(大多数电源)、从而最大限度地减小电缆寄生效应的影响。  

    在执行测试时、将示波器探针连接到引脚上可能会有所帮助、从而监控引脚上的实际电压。 这将确保您测试的是直流故障而不是瞬态事件。

    此致、

    Eric

  • 请注意,本文内容源自机器翻译,可能存在语法或其它翻译错误,仅供参考。如需获取准确内容,请参阅链接中的英语原文或自行翻译。

    您好、Kota、

    您是否能够重复测试? 我有兴趣了解导致此故障的原因。

    此致、

    Eric