This thread has been locked.

If you have a related question, please click the "Ask a related question" button in the top right corner. The newly created question will be automatically linked to this question.

[参考译文] MAX3221:施加到 C1、C2、C3、C4两端的最大电压

Guru**** 2511985 points
Other Parts Discussed in Thread: MAX3221

请注意,本文内容源自机器翻译,可能存在语法或其它翻译错误,仅供参考。如需获取准确内容,请参阅链接中的英语原文或自行翻译。

https://e2e.ti.com/support/interface-group/interface/f/interface-forum/707385/max3221-maximum-voltage-applied-to-both-ends-of-c1-c2-c3-c4

器件型号:MAX3221

您好、支持团队、

我对 MAX3221有疑问。

我们的客户正在研究选择 MAX3221数据表第13页中提到的电容器 C1、C2、C3和 C4。

[问题]
当 Vcc = 3.3V 或5.0V 时、分别向 C1、C2、C3、C4的两端施加多大的最大电压?

此致、
M. Tachibana

  • 请注意,本文内容源自机器翻译,可能存在语法或其它翻译错误,仅供参考。如需获取准确内容,请参阅链接中的英语原文或自行翻译。

    您好、Masanori、

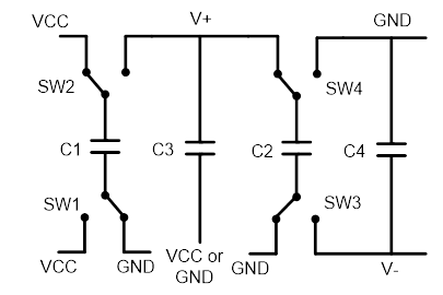
    这些电容器是电荷泵的一部分、可为驱动器生成输出电压。 "飞跨"电容器 C1用于为 V+充电。 反相电容器 C2将 V+反相以对 V-进行充电。 C3和 C4是储能电容器、当 C1和 C2发生开关和充电时、可保持充电 V+和 V-。 请参见下图。

    在开关期间、每个电容器通常应看到如下所述的电压:

    C1:VCC 至 GND (5V 或3.3V)

    C2:V+至 GND  (5.4V 典型值)

    C3:V+至 GND  (5.4V 典型值)

    C4:GND 至 V-  (5.4V 典型值)

    外部电容器的额定电压应至少为10V (建议接近16V)、以应对差异和噪声。

    请告诉我这是否有意义。

    此致、

    Eric

  • 请注意,本文内容源自机器翻译,可能存在语法或其它翻译错误,仅供参考。如需获取准确内容,请参阅链接中的英语原文或自行翻译。
    您好、Eric - San、

    非常感谢您提供易于理解的说明。
    我了解了电荷泵电路的工作原理以及分别施加到 C1、C2、C3和 C4的电压。

    顺便说一下、数据表中未指定 V +、V-的最大值。
    这些最大值实际上是多少?

    此致、
    M. Tachibana
  • 请注意,本文内容源自机器翻译,可能存在语法或其它翻译错误,仅供参考。如需获取准确内容,请参阅链接中的英语原文或自行翻译。
    您好、Masanoroi-San、

    V+和 V-保持用于驱动器输出的电荷、其典型值为+-5.4V V+和 V-上的值可能略高。 数据表中未指定最大值、但理论上电荷泵可以将最大电压振幅推至相对于 GND 为2*Vcc。

    此致、
    Eric
  • 请注意,本文内容源自机器翻译,可能存在语法或其它翻译错误,仅供参考。如需获取准确内容,请参阅链接中的英语原文或自行翻译。

    您好、Eric - San、

    从电荷泵电路的工作原理图中、我了解了您教授的内容。

    非常感谢您的帮助。
    此致、
    M. Tachibana