This thread has been locked.

If you have a related question, please click the "Ask a related question" button in the top right corner. The newly created question will be automatically linked to this question.

[参考译文] TPS2549:输出安全设计问题

Guru**** 2528520 points
Other Parts Discussed in Thread: TPS2549

请注意,本文内容源自机器翻译,可能存在语法或其它翻译错误,仅供参考。如需获取准确内容,请参阅链接中的英语原文或自行翻译。

https://e2e.ti.com/support/interface-group/interface/f/interface-forum/673352/tps2549-output-safety-design-question

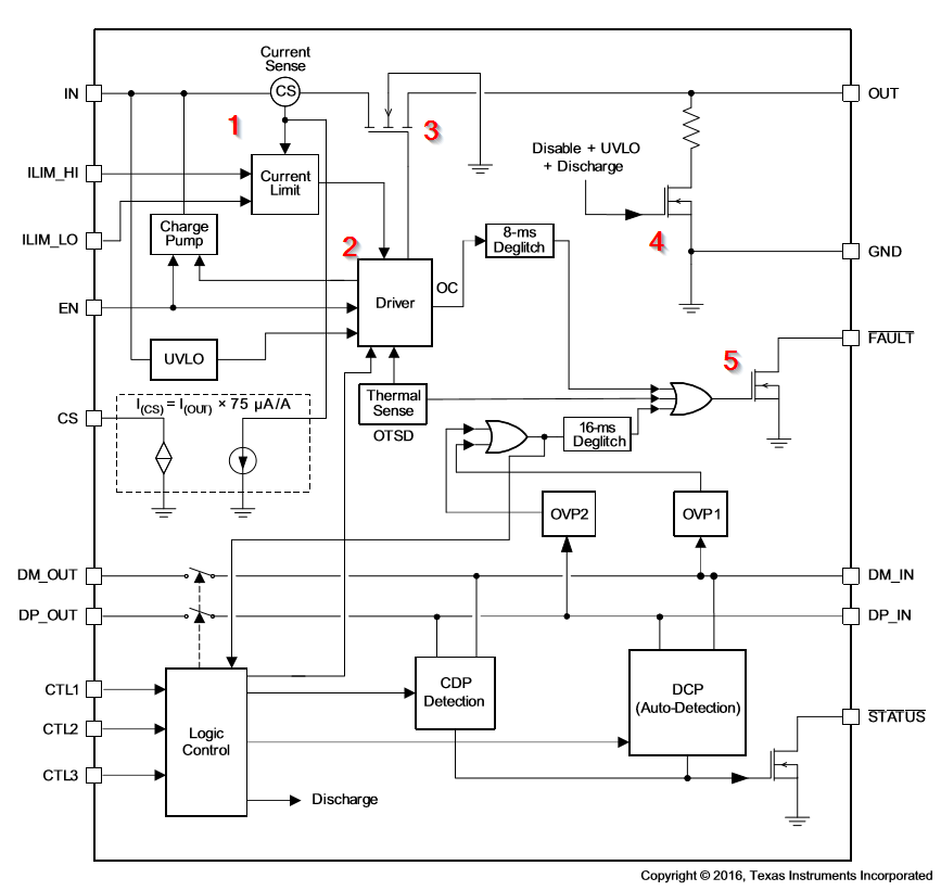
器件型号:TPS2549

你(们)好

我想问一下 TPS2549的 USB 端口安全设计。 是否应将多路开关置于 TPS2549输出引脚以满足安全要求?

我们在规格中未找到安全说明。

谢谢

  • 请注意,本文内容源自机器翻译,可能存在语法或其它翻译错误,仅供参考。如需获取准确内容,请参阅链接中的英语原文或自行翻译。

    您好、Matt、

    感谢您在 E2E 上发布问题。 由于 TPS2549具有过流保护功能、因此实际上无需多路开关、因为它能够根据电流阈值关闭输出电压。 我附加了 TPS2549的功能方框图、并对不同的部分进行了编号、以帮助了解该器件如何根据过流关断 VOUT。

    TPS2549具有一个连接到电流限值的内部电流感测、其值是根据连接到 ILIM_LO 和 ILIM_HI 的电阻确定的

    2.电流限制连接到驱动器,驱动器连接到 FET 和或门

    3.如果发生 OC 情况, 则该 FET 的栅极打开,切断 OUT 引脚的电压。

    4、该 FET 的栅极 随后将闭合、从而释放多余的电压

    5、该 FET 随后闭合、表示存在故障。

    如果 此设计中有 MCU、则可以将 FAULT 引脚连接到 GPIO、以便系统知道何时发生故障。

    我认为这可以回答您的问题。 如果是、请单击此已解决问题以关闭此主题

  • 请注意,本文内容源自机器翻译,可能存在语法或其它翻译错误,仅供参考。如需获取准确内容,请参阅链接中的英语原文或自行翻译。

    感谢您的回复。