This thread has been locked.

If you have a related question, please click the "Ask a related question" button in the top right corner. The newly created question will be automatically linked to this question.

[参考译文] SN65HVD1473:在全双工和半双工之间切换

Guru**** 2510095 points
Other Parts Discussed in Thread: SN65HVD1473, CD4503B

请注意,本文内容源自机器翻译,可能存在语法或其它翻译错误,仅供参考。如需获取准确内容,请参阅链接中的英语原文或自行翻译。

https://e2e.ti.com/support/interface-group/interface/f/interface-forum/680342/sn65hvd1473-switching-between-full-and-half-duplex

器件型号:SN65HVD1473
主题中讨论的其他器件: CD4503B

你(们)好。

我的客户计划使用以下配置通过 SN65HVD1473在全双工和半双工模式之间切换。

我的问题实际上是关于如何选择合适的多路复用器/开关。  

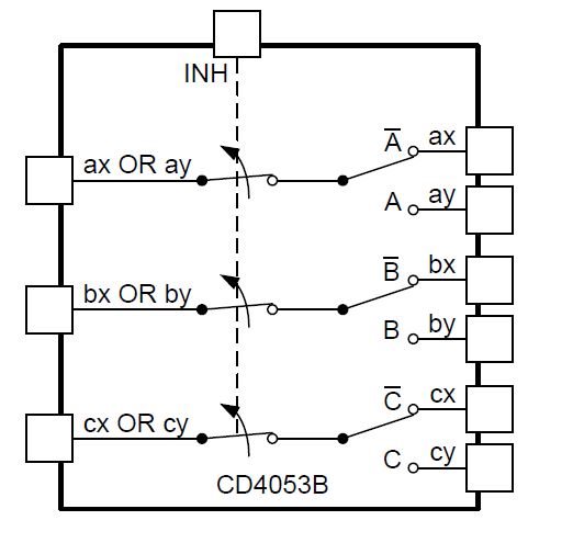
由于数据线路的共模电压最高可达12V、我将介绍 CD405xB 系列。

不过、Ron 为125欧姆(典型值) 这看起来非常大、我不确定它是否会影响端接电阻的设计?

我想它会在电缆上增加更多的电阻、因此终端电阻也可能需要增加?

如果我错了、请纠正我的问题、并帮助推荐合适的多路复用器!

谢谢!


此致、

许耀明

  • 请注意,本文内容源自机器翻译,可能存在语法或其它翻译错误,仅供参考。如需获取准确内容,请参阅链接中的英语原文或自行翻译。
    您好、Roy、

    如果使用端接、添加这种串联电阻可能会导致 RS-485总线出现问题。 由于 RS-485通常通过两个120欧姆电阻(链路两端各一个)端接、因此差分对的两半之间的有效电阻为60欧姆。 在每条线路上串联增加125欧姆会导致相当多的衰减、然后(~80%)。

    如果您的总线能够在没有端接的情况下运行(例如、如果它是较短的点对点连接或不是以非常快的速率运行)、那么串联电阻的影响将会更小。 由于与电缆电容的相互作用、它仍会导致一些高频滚降、但在较低的速率下、这可能不会限制通信。

    我可以咨询我们的交换团队、看看他们是否也有其他建议。 您知道 RS-485总线上需要支持什么电压范围吗? 收发器输出始终在接地端和 VCC 轨之间、但如果总线上没有公共接地端、节点之间的任何接地电位差也会导致电压范围明显变化、并且必须由开关支持。

    此致、
    最大
  • 请注意,本文内容源自机器翻译,可能存在语法或其它翻译错误,仅供参考。如需获取准确内容,请参阅链接中的英语原文或自行翻译。

    罗伊

    我再稍微考虑一下这个问题、如果您仔细分配引脚、我认为串联电阻的影响可以最小化。  例如、设备连接方式如下:

    连接器引脚 RS-485收发器引脚
    1 Y
    2. Z
    3. A
    4. B

    然后、可以对开关进行配置、以便 Y 和 A 之间有一个开关、Z 和 B 之间有一个开关。 当开关打开时、系统将处于全双工模式、当开关关闭时、系统将处于半双工模式。  如果半双工模式仅使用引脚1和2、则信号可以直接从收发器输出传播到总线、而无需经过串联电阻。  信号仅在半双工模式下通过串联电阻传播到接收器输入端。  由于这些输入为高阻抗、因此串联电阻在125欧姆范围内产生的衰减应最小。

    此致、
    最大

  • 请注意,本文内容源自机器翻译,可能存在语法或其它翻译错误,仅供参考。如需获取准确内容,请参阅链接中的英语原文或自行翻译。

    尊敬的 Max:

    我根据您的回答绘制了一个图表、它有什么问题吗?

    e2e.ti.com/.../Full_2B00_Half-Duplex-Configuration.pdf

    此外、在半双工模式下、多路复用器(传播延迟)和收发器(启用/禁用发送器/接收器)引起的延迟是否很大?

    谢谢!

    此致、

    许耀明

  • 请注意,本文内容源自机器翻译,可能存在语法或其它翻译错误,仅供参考。如需获取准确内容,请参阅链接中的英语原文或自行翻译。
    罗伊

    感谢您将其绘制出来、是的、这就是我尝试描述的拓扑。 我不认为开关的传播延迟非常重要-它应该很低、RS-485应用通常能够处理较大的传播延迟(因为它们通常通过长电缆传输)。 如果您认为我误解了您的疑虑、请告诉我。

    需要注意的一点是终止。 在此配置中、"关闭"交换机将导致节点具有两个并联的终端器。 这会将节点的差分输入电阻降低到60欧姆、这可能与电缆阻抗稍有不匹配(大多数 RS-485应用中的差分电阻为120欧姆)。 如果系统在另一端使用相同的方案、则总端接电阻将变得非常低(30欧姆)。 您可以考虑仅包括 RX 线路上的端接。 这仍将为全双工情况提供阻抗匹配、而不会在半双工情况下导致过多负载。

    此致、
    最大
  • 请注意,本文内容源自机器翻译,可能存在语法或其它翻译错误,仅供参考。如需获取准确内容,请参阅链接中的英语原文或自行翻译。

    尊敬的 Max:

    由于 CD4503B 是双向开关、因此在这种配置中不会出现两个并联的终端器。

    我对我的图纸做了一些更改、以便您可以更清楚地看到它。

    e2e.ti.com/.../Full_2B00_Half-Duplex-Configuration_5F00_Remove-mux.pdf

    在这种情况下、您是否仍然认为终端器是并联的?

    谢谢!

    此致、

    许耀明

  • 请注意,本文内容源自机器翻译,可能存在语法或其它翻译错误,仅供参考。如需获取准确内容,请参阅链接中的英语原文或自行翻译。
    您好、Roy、

    很抱歉耽误你的时间、我在旅行、看不到你的回复。 再看一下、我相信您是正确的、终端不会以并联方式连接。 我对这种方法也没有任何其他顾虑。 感谢您花时间重新绘制电路、从而使事情变得如此清楚。

    此致、
    最大
  • 请注意,本文内容源自机器翻译,可能存在语法或其它翻译错误,仅供参考。如需获取准确内容,请参阅链接中的英语原文或自行翻译。
    尊敬的 Max:

    不用担心! 同样感谢您的持续支持!

    此致、
    许耀明