主题中讨论的其他器件:SN74AXC4T774、 TXU0101、 2N7001T
您好!
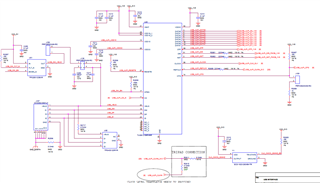
我们将 TUSB1210BRHBR 用于 USB 转 ULPI 接口。 请提供您对以下问题的建议。
我们针对主机、设备和主机 OTG 配置执行、因为在主机配置中、我们将为负载开关提供5V 的电路板电源、如果跳线 J108短接、则为收发器的 VBUS 引脚提供5V 的电路板电源。 对于器件配置、我们从 USB 2.0 Micro B 连接器到收发器的 VBUS 引脚提供5V 电源。 请查看这些配置的设计并分享您的反馈。

2.我们可以使用 USB 2.0 Micro B 连接器来实现这些应用,还是需要使用2.0 Micro AB 连接器。

同样对于 REFCLK、我们通过三脚板连接从外部振荡器和 FPGA 提供26MHz 的时钟。 如数据表所述、我们的设计中使用的 FPGA 的电压电平为1.8V、但对于 REFCLK 输入、时钟信号的振幅需要为3V 至3.6V。 请建议一个可能的电平转换器、

谢谢
S·萨蒂亚·斯里