This thread has been locked.

If you have a related question, please click the "Ask a related question" button in the top right corner. The newly created question will be automatically linked to this question.

[参考译文] THVD1406:RS485 AB 上的电压尖峰

Guru**** 2501635 points
Other Parts Discussed in Thread: THVD1406

请注意,本文内容源自机器翻译,可能存在语法或其它翻译错误,仅供参考。如需获取准确内容,请参阅链接中的英语原文或自行翻译。

https://e2e.ti.com/support/interface-group/interface/f/interface-forum/1301017/thvd1406-voltage-spike-on-rs485-ab

器件型号:THVD1406

您好、

我的客户评估 THVD1406以替代 MAX13487、他们发现 THVD1406上存在电压尖峰、但 MAX13487将正常。

波形如下所示:

CH2:TXD

通道3:A 到 B

我们是否需要不同的设计? 我想知道导致电压尖峰的原因是什么。

  

Br

爱玛

  • 请注意,本文内容源自机器翻译,可能存在语法或其它翻译错误,仅供参考。如需获取准确内容,请参阅链接中的英语原文或自行翻译。

    尊敬的 Emma:

    这很奇怪-因为它的输出看起来为-3V -它根本不应该这么做。  

    您能否获取 THVD1406顶部的图片以便我看到器件标识? 我以前在该器件或我们的任何器件中都没有看到过这样的问题、并且在原理图上也没有出现过大的问题(它不是理想的原理图)、共模偏置  RS -485中没有必要、并且客户不必要地加载总线、并且好像总线未端接-如果这是起始节点或终端节点、也不建议这样做 )。  因此、我要确认该器件是否合法。  

    此致!

    帕克·道德森。  

  • 请注意,本文内容源自机器翻译,可能存在语法或其它翻译错误,仅供参考。如需获取准确内容,请参阅链接中的英语原文或自行翻译。

    Parker、

    感谢您的答复、但这是我提供给他们的样本。  它应该是合法的。

    您能给我更多关于下一步麻烦的指导吗?

    Br

    爱玛

  • 请注意,本文内容源自机器翻译,可能存在语法或其它翻译错误,仅供参考。如需获取准确内容,请参阅链接中的英语原文或自行翻译。

    尊敬的 Emma:

    好的、如果直接从我们这里进行采样、那么很可能这是测量误差、而我们的器件没有这样做。 这有多个原因:

    1.输入引脚是高阻抗逻辑输入;它根本不输出电压。  

    2、该器件不会产生0 V 到 VCC 范围以外的信号。  

    3.虽然"D"处的输入引脚电容可能导致出现短时下冲-但 在不破坏 THVD1406的情况下无法实现示波器上所示的~10ms 的持续时间-考虑到它在重复的长时间冲击后仍会进行通信-这不是发生的情况。 因此、我真的很怀疑-3V 实际上是在该输入端显示为 IC GND。  

    这可能是由错误的探头或测量技术不当引起的。  

    他们应执行以下操作来尝试解决测量问题:

    1.更换探头并重新测量电路。  

    2.在电路板上进行 ABA 交换-即用新的探头测试第一个器件、移除并替换为第二个器件、然后也进行测试。  

    之后,如果问题仍然存在,他们可以提交客户退货,我们可能会将其退回给 FA (此处的信息和步骤: https://www.ti.com/support-quality/additional-information/failure-analysis.html )。  

    但是、我非常怀疑您是否提交了 FA、器件返回时是否会出现问题。 该器件以前从未出现过这个问题、并且根据该器件应该针对这些测量结果发生灾难性故障-这并不 意味着该测量极有可能是无效的-可能是由于探头故障(或可能获得不当补偿) 和/或不正确的测量技术。  

    请告诉我您是否有任何其他问题、但实质上-如果这些问题无法解决测量问题、下一步将是 FA、用于检查器件是否正常。 如果是、则只需返回给客户、说它是测量问题、而不是器件问题;但是、如果发现损坏、我们可能会确定根本原因。 话虽如此-我真的很怀疑器件这么做、并且测量存在问题。  

    此致!

    帕克·道德森

  • 请注意,本文内容源自机器翻译,可能存在语法或其它翻译错误,仅供参考。如需获取准确内容,请参阅链接中的英语原文或自行翻译。

    您好、Parker、

    我有客户做了更多的测试来减少上拉和下拉电阻器、但没有改进。

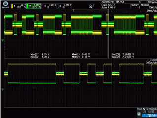
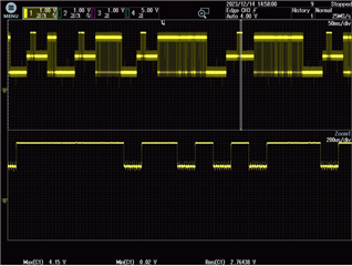
    我要 A-GND 和 B-GND 波形。(CH1:B-GND CH2 :A-GND)波特率:9600。 并且此测试中只有1个节点。

    这是  MAX13487测试 波形

    这是 THVD1406的波形。

    客户觉得窄高电压或窄低电压对他们比较陌生、需要改进。

    我不明白的是、在数据传输期间、为什么会有大约1位时间的中间电平电压? 传输期间不是仅为0或1?  

    Br

    爱玛

  • 请注意,本文内容源自机器翻译,可能存在语法或其它翻译错误,仅供参考。如需获取准确内容,请参阅链接中的英语原文或自行翻译。

    Emma,

    首先、-我似乎误读了原始图;瞬态位于 A/B 引脚上-从您上传的新图片中可以清楚地看到。  

    话虽如此、我还是有几个问题:

    1.巴士多久?  

    2.总线上有多少个节点?

    3.如果它们有连接到总线的所有元件的示意图会很有帮助。  

    因此、基本上我们的器件很可能具有更短的转换时间;THVD1406和 COMP 具有相同的最小转换时间-但 COMP 器件没有典型值、且其最大值要高得多;因此、与 THVD1406相比、转换期间的转换速度很可能较慢。 根据总线的不同、在使用 THVD1406时、增加的速度有可能导致转换期间的过冲/下冲。 总线未端接-虽然这些器件速度缓慢、但没关系、因为在信号转换时、数据速率不是决定性问题-这是实际转换时间。  

    尽管如此、他们不存在 VOD 问题。 他们看到的尖峰符合发送的正确值。 也就是说、该尖峰与系统无关-它仅存在于 A/B 线路上、不会导致"R"引脚出现干扰行为。 使用差分有线通信的好处是、这样的东西在系统级别不会成为问题。  除非他们在实际接收数据时遇到问题、否则总线信号"良好"程度并不重要、这是 RS 485的主要优势之一。  

    总线上的上拉电阻不会导致这个问题-但它们会消耗它们的功率并浪费 BOM 空间、它们对 RS -485系统总线没有好处仅负面、但如果您的客户喜欢浪费钱、他们可以保留它们。 端接电阻器实际上很重要、但实际上并没有出现这种情况 (如果您需要或不需要端接不是数据速率的问题、而是转换时间的问题-我假设他们使用低数据速率作为不需要端接电阻器的理由、这是不正确的、因为它假定矩形脉冲在实际中为梯形的情况下是完美的)

    总之、

    -请回答我上面的问题,因为它将帮助我确定速度差异如何发挥作用。 这两个器件具有相同的最小值、因此在正确的设计中、它们的设计方式是相同的-但从我可以看到的结果来看、这里的客户没有为 RS -485使用正确的设计。 虽然我需要整个总线、因为问题就在这-所以我获得的原理图大多是无用的-我需要他们正在测试的整个总线。  

    -似乎不存在系统级问题;因此,如果不存在系统级问题,客户很可能会浪费时间关注此问题,因为这是使用 RS -485 (或一般的差分有线通信)的主要原因之一 因此、只要总线两端具有正确的数据传输、您就无需关心差分信号。差分信号的频率不高、因此辐射也不是该器件的主要问题。 显示的过冲/下冲与预期位的方向相同。 即、当"A"变为高电平时、"A"引脚具有正尖峰-它已经变为高电平、因此接收器不会出现问题、而当"B"变为低电平时、"B"引脚具有负尖峰-它已经变为低电平、因此接收器不会出现问题 (电压电平也仍在接收器的范围内)  

     

    如果我得到了上述问题的答案、我提出的问题可能需要指出一些具体的问题、可能会导致该问题-但总的来说、总线不当+可能缩短转换时间、从而导致出现在 系统级(这实际上是最重要的)。

      

    此致!

    帕克·道德森