This thread has been locked.

If you have a related question, please click the "Ask a related question" button in the top right corner. The newly created question will be automatically linked to this question.

[参考译文] TCA9544A:TCA9544A

Guru**** 2523150 points
Other Parts Discussed in Thread: TCA9544A

请注意,本文内容源自机器翻译,可能存在语法或其它翻译错误,仅供参考。如需获取准确内容,请参阅链接中的英语原文或自行翻译。

https://e2e.ti.com/support/interface-group/interface/f/interface-forum/1467965/tca9544a-tca9544a

器件型号:TCA9544A

工具与软件:

"我开发了四块 PCB 板、并通过电缆将它们连接在一起、主板位于一个板上、我从这里执行 I2C 通信。"
"此外、一个 PCB 板上的 GPIO 扩展器可控制一个板上的两个4通道多路复用器、以及另一个 PCB 板上的一个4通道多路复用器。"

"每个通道均连接到一个 I2C 器件。"

  • 请注意,本文内容源自机器翻译,可能存在语法或其它翻译错误,仅供参考。如需获取准确内容,请参阅链接中的英语原文或自行翻译。

    您好!

    "我开发了四块 PCB 板、并通过电缆将它们连接在一起、主板位于一个板上、我从这里执行 I2C 通信。"
    "此外、一个 PCB 板上的 GPIO 扩展器可控制一个板上的两个4通道多路复用器、以及另一个 PCB 板上的一个4通道多路复用器。"

    "每个通道均连接到一个 I2C 器件。"

    每个连接到主总线的从器件都有一个4.7kΩ 上拉电阻器、连接到多路复用器的每个通道都有一个4.7kΩ 上拉电阻器。"

    "在通过 I2C 通信时、读取和写入操作失败、但它们在重新启动电路2–3次后起作用。"
     

    寄存器
    Syam

  • 请注意,本文内容源自机器翻译,可能存在语法或其它翻译错误,仅供参考。如需获取准确内容,请参阅链接中的英语原文或自行翻译。

    尊敬的 Syam:

    很高兴在这里为您提供帮助。

    "在通过 I2C 进行通信时、读写操作失败、但在重新启动电路2–3次后仍能正常工作。"

    1.当提到重启时、是否需要将电路断电并多次重启才能让其正常运行?

    我建议查看此 应用手册 、其中讨论了 I2C 的调试、但由于重新启动电路会清除问题、我认为问题在于主器件、从器件或 i2c 主器件中存在会导致通信不正确的错误。 TCA9544A 不应该出现问题、如果 I2C 系统的硬件设置是问题所在、那么简单的重启通常不会解决通信问题。(您的系统可能在软件中出现错误)

    2.您看到的是一个 NACK 位的重复故障吗?(使用示波器查看这是最好的方法)

    请在此处告知我是否需要有关 TCA9544A 的任何其他帮助、或者我存在误解

    此致、

    Kameron

  • 请注意,本文内容源自机器翻译,可能存在语法或其它翻译错误,仅供参考。如需获取准确内容,请参阅链接中的英语原文或自行翻译。

    尊敬的 kameron:

    我的板上有两个多路复用器、每个通道都连接一个接近传感器。
    目前、没有传感器连接到多路复用器的通道;只有多路复用器被焊接、通道连接到数据分析器。

    的波形 通道0、通道1和通道2 数据引脚是相同的。
    但是、的波形 主数据引脚 通道3数据引脚 也相同。

    因此、我面临一个问题 主 SDA 引脚在一段时间后突然变为低电平 尤其是在我连接时 I2C 器件连接到通道3 .
    我使用了 A 4.7kΩ 上拉电阻器 .

    此致
    Syam

  • 请注意,本文内容源自机器翻译,可能存在语法或其它翻译错误,仅供参考。如需获取准确内容,请参阅链接中的英语原文或自行翻译。

    尊敬的 SyAM:

    看看您说的内容。 我想您要对插入到通道3的 i2c 器件执行所谓的热插拔。

    热插拔 i2c 器件到已有源总线时、很可能出现拉低 SDA 的情况。

    在您决定将 i2c 器件热插拔到通道3时、开关和 I2C 总线处于激活状态是否存在某种原因。

    理想情况下、您需要禁用多路复用器并在激活 i2c 总线之前将 i2c 器件插入通道3。(此处提供了一个应用说明、我认为可能在此处有所帮助)

    你不这样做有什么原因吗?

    一般而言、我认为这可以帮助您走向正确的方向、但我想告诉您、 TCA9544A 在这里可能不是问题、因为它无法将线路拉高或拉低、这种问题可能是您在设计中的热插拔方式造成的。

    此致、

    Kameron

  • 请注意,本文内容源自机器翻译,可能存在语法或其它翻译错误,仅供参考。如需获取准确内容,请参阅链接中的英语原文或自行翻译。

    您好、Kameron

    我通过充电器供电、并使用降压转换器提供恒定电压。 我会在设定的时间后继续启用和禁用它。 我对主总线和 MAX 通道使用相同的电压。 尽管使用相同的电压、但为什么该问题仅在通道3上发生、而不在通道0、1或2上发生?

     此致

    Syam

  • 请注意,本文内容源自机器翻译,可能存在语法或其它翻译错误,仅供参考。如需获取准确内容,请参阅链接中的英语原文或自行翻译。

    尊敬的 SyAM:

    您是否说  即使多路复用器的 VCC 未上电、系统线路中的 SDA 也会下拉?(不应该发生这种情况、因为当 VCC 为0V 时、开关的所有通道均未上电和 HIZ。

    (通常、如果多路复用器未通电、则不应通过某种方式将 SDA 线从多路复用器的下游通道拉低)

    您是否 也将导致通道3问题的同一 I2C 器件插入通道0-2?

    这里是否有我可以查看的波形和原理图以提供更多帮助?(这可能是系统级设计问题、但我可以再次查看以确认多路复用器是否有问题)

    请告诉我  

    此致、

    Kameron

  • 请注意,本文内容源自机器翻译,可能存在语法或其它翻译错误,仅供参考。如需获取准确内容,请参阅链接中的英语原文或自行翻译。

    尊敬的 kameron:

    我希望你做得好。 的模块 两个 TCA9544A 4通道 I2C 多路复用器 多路复用器位于电路板上的不同位置。 此外、我的 微控制器上 放置在距离两个多路复用器较远的位置。

    我已按如下方式配置系统:

    • 我已放入 上拉电阻(4.7kΩ) 在上 SDA SCL 仅限上的线路 微处理器侧 .
    • 两个 TCA9544A 多路复用器 远离微控制器、并且上没有上拉电阻器 SDA 或者 SCL 存在类似的线。

    在给定此设置的情况下、我有几个问题:

    1. 微控制器侧的上拉电阻足够大 对于两个 I2C 多路复用器、还是需要在多路复用器侧添加额外的上拉电阻、即使它们离微控制器更远?

    通道引脚(CH0-CH3) :我应该在通道选择引脚(CH0-CH3)上添加上拉或下拉电阻器、还是可以让它们直接连接到微控制器的逻辑电平(高或低)?

    此致
    Syam

  • 请注意,本文内容源自机器翻译,可能存在语法或其它翻译错误,仅供参考。如需获取准确内容,请参阅链接中的英语原文或自行翻译。

    尊敬的 Syam:

    是的、需要在多路复用器的所有 SDA 和 SCL 线路上添加上拉电阻器。 在 I2C 通信中、SDA 和 SCL 线上的上拉电阻器对于产生逻辑高电平信号非常重要。 下面是一个 应用手册 、其中说明了 i2c 中的原理。

    通道引脚还需要连接到上拉电阻器、因为这有助于为 i2c 主器件(控制器)和(目标)从器件之间的通信生成正确的逻辑高电平信号

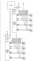
    这是一个使用 i2c 开关/多路复用器的系统外观示例。

    如果在此需要任何其他帮助、请告诉我。

  • 请注意,本文内容源自机器翻译,可能存在语法或其它翻译错误,仅供参考。如需获取准确内容,请参阅链接中的英语原文或自行翻译。

    你(们)好

    我这样设计、并且为每个从器件和主器件也提供了相同的上拉电阻值

  • 请注意,本文内容源自机器翻译,可能存在语法或其它翻译错误,仅供参考。如需获取准确内容,请参阅链接中的英语原文或自行翻译。

    尊敬的 Syam:

    该原理图看起来正确、如果 TCA9544A 有任何问题 、请告诉我、我可以提供帮助。

    此致、

    Kameron

  • 请注意,本文内容源自机器翻译,可能存在语法或其它翻译错误,仅供参考。如需获取准确内容,请参阅链接中的英语原文或自行翻译。

    你(们)好

    我已在主器件侧只放置上拉电阻器、但是并未将任何上拉电阻器连接至从器件、但是我的电路正常工作

  • 请注意,本文内容源自机器翻译,可能存在语法或其它翻译错误,仅供参考。如需获取准确内容,请参阅链接中的英语原文或自行翻译。

    尊敬的 Syam:

    出色、您的电路现在正在工作!

    我不确定我是否遵循了这里、但您是否说您没有通过 SDA3、SCL3线路在 SDA0、SCL0上连接上拉电阻器?

    如果 i2c 主器件和从器件都没有上拉电阻器、则 I2C 通信无法正常工作。

    这是因为 I2C 从器件和主器件是开漏器件、需要上拉电阻器来发送逻辑高电平信号。  

    如果您有关于 TCA9544A 的任何其他问题或帮助、请告诉我

    此致、

    Kameron