This thread has been locked.

If you have a related question, please click the "Ask a related question" button in the top right corner. The newly created question will be automatically linked to this question.

[参考译文] LSF0108:通信问题+原理图审阅

Guru**** 2769425 points

Other Parts Discussed in Thread: LSF0108, SN74LVC1T45

请注意,本文内容源自机器翻译,可能存在语法或其它翻译错误,仅供参考。如需获取准确内容,请参阅链接中的英语原文或自行翻译。

https://e2e.ti.com/support/logic-group/logic/f/logic-forum/985466/lsf0108-communication-issue-schematic-review

器件型号:LSF0108
主题中讨论的其他器件: SN74LVC1T45

您好!

我正在实施一个使用 I2C 接口的新传感器(电源电压为1.8V)、而我们的主机 MCU 使用3.3V。

除了 I2C (SDA、SCL)、这个传感器还有以下引脚:-

1个开漏(RST)

2 x 推挽(PROG、DIR)

1个 INT (需要方向控制)

对于此应用、我 将使用 LSF0108 + SN74LVC2T45DCTR。

到目前为止、我无法成功沟通、也无法确定发生了什么错误。

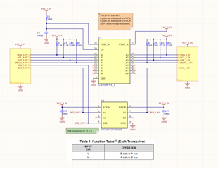
随附的是连接图、您能否查看它并告诉我您是否有任何建议?

  • 请注意,本文内容源自机器翻译,可能存在语法或其它翻译错误,仅供参考。如需获取准确内容,请参阅链接中的英语原文或自行翻译。

  • 请注意,本文内容源自机器翻译,可能存在语法或其它翻译错误,仅供参考。如需获取准确内容,请参阅链接中的英语原文或自行翻译。

    R10和 R11是必需的。

    DIR 输入可耐受过压; 无需转换该信号。

    我看不到为什么 INT 信号需要方向控制的原因。 您为什么 不简单地将其路由到 LSF?

  • 请注意,本文内容源自机器翻译,可能存在语法或其它翻译错误,仅供参考。如需获取准确内容,请参阅链接中的英语原文或自行翻译。

    感谢您的意见!

    我还尝试使用2.2k 添加 R10和 R11、但仍然有问题。

    只是为了确认、我认为  SN74LVC2T45DCTR 上的 DIR 引脚以 VCCA (1.8V)为基准?

     您是否认为 SN74LVC2T45DCTR 上的 DIR 引脚可同时支持3.3V 和1.8V?

    传感器的 INT 既不是推挽式也不是开漏、传感器制造商建议使用带方向控制的电平转换器。

  • 请注意,本文内容源自机器翻译,可能存在语法或其它翻译错误,仅供参考。如需获取准确内容,请参阅链接中的英语原文或自行翻译。

    除了需要 R10和 R11之外、您认为其他连接是否正常?

  • 请注意,本文内容源自机器翻译,可能存在语法或其它翻译错误,仅供参考。如需获取准确内容,请参阅链接中的英语原文或自行翻译。

    理论上、所有其他连接都应该正常工作。

    到底什么不起作用?  您是否有示波器迹线?

    什么是传感器模型?

  • 请注意,本文内容源自机器翻译,可能存在语法或其它翻译错误,仅供参考。如需获取准确内容,请参阅链接中的英语原文或自行翻译。

    从我目前的情况来看、除了 SDA 引脚从低侧(1.8V)到高侧(3.3V)之外、所有引脚都按预期工作。

    似乎几乎没有数据丢失。

    下面有两个捕获、一个是好的、一个是坏的、供您参考。

    我们使用的 I2C 是快速模式- 400kHz、您认为这会导致此问题吗?

    来自传感器的地址响应不正确、随附的是 LSF 捕获。 上面是捕获。

    上述捕获是使用来自 SparkFun 的另一个电压转换器进行的。 传感器响应正确。

  • 请注意,本文内容源自机器翻译,可能存在语法或其它翻译错误,仅供参考。如需获取准确内容,请参阅链接中的英语原文或自行翻译。

    你好、Yan、

    最好使用示波器测量这些信号、以便我们可以准确地查看发生的情况。

  • 请注意,本文内容源自机器翻译,可能存在语法或其它翻译错误,仅供参考。如需获取准确内容,请参阅链接中的英语原文或自行翻译。

    在与我们的固件团队进行一些测试后、问题可能是由我们的固件引起的。

    我们将花费更多的时间进行故障排除。

    我想再次与您确认、SN74LVC2T45DCTR 上的"DIR"引脚是否可以由我们的主机 MCU (3.3V 电平)直接控制?

    偶数 VCCA 为1.8V?

  • 请注意,本文内容源自机器翻译,可能存在语法或其它翻译错误,仅供参考。如需获取准确内容,请参阅链接中的英语原文或自行翻译。

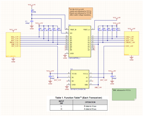
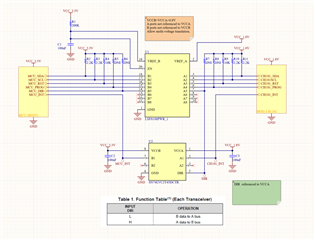
    再次将原理图连接到此处。

  • 请注意,本文内容源自机器翻译,可能存在语法或其它翻译错误,仅供参考。如需获取准确内容,请参阅链接中的英语原文或自行翻译。

    我想 我错过了74LVC 系列、 它不需要 VCCA>VCCB 或 VCCA <VCCB.

    我已经更新了原理图、您能查看一下吗、告诉我它是否正常?

    谢谢

  • 请注意,本文内容源自机器翻译,可能存在语法或其它翻译错误,仅供参考。如需获取准确内容,请参阅链接中的英语原文或自行翻译。

    你好、Yan、

    Dir 输入可耐受过压、最高可处理5.5V 电压、因此较旧的配置正常。 对于当前原理图、我建议向通道2 I/O 添加弱下拉或切换到 SN74LVC1T45 (单通道版本)。 这是为了避免节点悬空。 除此之外、一切看起来都很好。

  • 请注意,本文内容源自机器翻译,可能存在语法或其它翻译错误,仅供参考。如需获取准确内容,请参阅链接中的英语原文或自行翻译。

    感谢您的输入。

    是的、我们计划最终切换到单通道版本。

    Thansks