This thread has been locked.

If you have a related question, please click the "Ask a related question" button in the top right corner. The newly created question will be automatically linked to this question.

[参考译文] TXB0108:使用3.3V CMOS 驱动 TXDB0108输出时出现问题

Guru**** 2529560 points


请注意,本文内容源自机器翻译,可能存在语法或其它翻译错误,仅供参考。如需获取准确内容,请参阅链接中的英语原文或自行翻译。

https://e2e.ti.com/support/logic-group/logic/f/logic-forum/781900/txb0108-problems-driving-txdb0108-outputs-with-3-3v-cmos

器件型号:TXB0108

尊敬的 TI 社区:

我正在使用一个使用 TXDB0108将来自 Spartan-6 FPGA 的3.3V 线路升高到5V 的设计。

引脚分配很简单... GND 引脚接地、并通过(56k)电阻器连接到 OE 引脚。 VCCA (朝向 FPGA)为3.3V、而 VCCB 在5V 电源轨上。 最后、5V 侧的每个逻辑线路上都有额外的上拉电阻器。

FPGA 的逻辑线路为3.3V CMOS。 我能够成功地将这些信号应用到芯片的一侧、但是5V 侧上的相应线路保持在0V。

我知道驱动 TXDB0108上的引脚有一些要求、因此我想知道是否需要更改来自 FPGA 的逻辑线路的相关信息。

非常感谢您的帮助、

Ian

  • 请注意,本文内容源自机器翻译,可能存在语法或其它翻译错误,仅供参考。如需获取准确内容,请参阅链接中的英语原文或自行翻译。
    尊敬的 Ian:

    如果您有用于显示输入和输出线路的范围、这将很有帮助。
    OE 引脚应连接到 Vcca 以启用、是将该线路驱动为高电平还是仅具有56k 下拉至 GND?
    我不建议在 IO 线路上使用外部上拉电阻器。
    请阅读应用手册:
    www.ti.com/.../scea054a.pdf
  • 请注意,本文内容源自机器翻译,可能存在语法或其它翻译错误,仅供参考。如需获取准确内容,请参阅链接中的英语原文或自行翻译。

    Shreyas、您好!

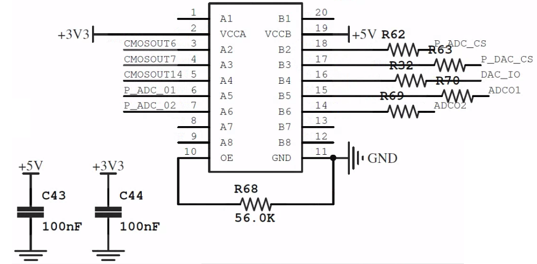
    请参阅以下原理图:

    其中输出线路上的电阻器为52欧姆。

    当我为器件加电时、VCCA 和 VCCB 符合规格。 我可以对 A2、A3和 A4应用3.3V 电压、B2-B4将保持低电平。

    从您描述的内容来看、我的问题似乎是 OE 必须与 VCCA 绑定。 你同意吗?

    此外、如果我想将 A5和 A6作为 FPGA 的输入运行、此配置是否仍然有效? (这是我理解的双向电平转换器的功能。)

    非常感谢您及时提供信息、

    Ian

  • 请注意,本文内容源自机器翻译,可能存在语法或其它翻译错误,仅供参考。如需获取准确内容,请参阅链接中的英语原文或自行翻译。
    尊敬的 Ian:

    是的、OE 必须连接到 Vcca 才能启用器件 IO 通道通信。 现在、IO 通道全部处于 Hi-Z 状态
    TXB 是自动双向转换、可在同一器件中实现 A 到 B 或 B 到 A 的通信。 因此、可以将 A5、A6通道用作 FPGA 的输入、而其他通道用作输出。 您还可以将未使用的通道置于 GND。