This thread has been locked.

If you have a related question, please click the "Ask a related question" button in the top right corner. The newly created question will be automatically linked to this question.

[参考译文] MSP430F5132:MPPT TIDesign TIDR393

Guru**** 2517350 points
Other Parts Discussed in Thread: MSP430F5132

请注意,本文内容源自机器翻译,可能存在语法或其它翻译错误,仅供参考。如需获取准确内容,请参阅链接中的英语原文或自行翻译。

https://e2e.ti.com/support/microcontrollers/msp-low-power-microcontrollers-group/msp430/f/msp-low-power-microcontroller-forum/656991/msp430f5132-mppt-tidesign-tidr393

部件号:MSP430F5132

您好,

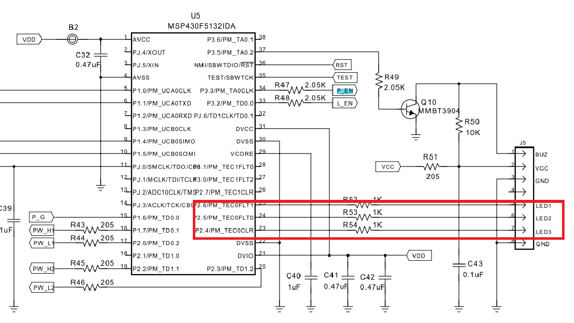
我在TIDR393 (MPPT with MSP430F5132)示意图中看到有3个LED,我想知道LED的状态反映系统饱和状态的是什么,

当我检查源代码时,我找不到它的任何相关部分,能否告诉我控制LED的源代码在哪里? 或者,LED的行为反映系统的状态是什么? 谢谢你。

  • 请注意,本文内容源自机器翻译,可能存在语法或其它翻译错误,仅供参考。如需获取准确内容,请参阅链接中的英语原文或自行翻译。
    您好,Erik,
    我将尝试跟踪设计师。
    这些LED是否与GUI中的"LED"不相关? 充电,过载/短路,蓄电池欠压?
  • 请注意,本文内容源自机器翻译,可能存在语法或其它翻译错误,仅供参考。如需获取准确内容,请参阅链接中的英语原文或自行翻译。

    尊敬的先生:

    提前感谢您,我们确实需要设计师告诉我们这些LED的行为。

  • 请注意,本文内容源自机器翻译,可能存在语法或其它翻译错误,仅供参考。如需获取准确内容,请参阅链接中的英语原文或自行翻译。
    您好,Erik,
    已理解。 我很快就会得到他的回复。
  • 请注意,本文内容源自机器翻译,可能存在语法或其它翻译错误,仅供参考。如需获取准确内容,请参阅链接中的英语原文或自行翻译。

    您好,Erik,

    这些是可配置的LED,可用于特定系统的不同指示。 它们最初设计用作条形图,显示电池的充电状态。 最后,我们没有在代码中实施此功能。因此,目前它们不会在电路中执行任何功能;但可以配置为显示充电状态,面板可用电流,故障条件等指示

    此致,

    Salil

  • 请注意,本文内容源自机器翻译,可能存在语法或其它翻译错误,仅供参考。如需获取准确内容,请参阅链接中的英语原文或自行翻译。

    您好,

    感谢您的回复,但我有一些问题。 用户指南中提到了状态机,但当我看到源代码时,我无法找到  源代码和UG之间的状态机的任何关系,

    在UG中,它具有待机 状态和LPM3/4模式,但在源代码中找不到它。

    下图是超级回路中的主代码,红色方块内似乎是 蓄电池充电启用功能

    蓝方形意味着什么? 在蓝色方形下方是什么意思(    否则,如果(Batter_current >5)    Battery_Current_Counter =0;)?

  • 请注意,本文内容源自机器翻译,可能存在语法或其它翻译错误,仅供参考。如需获取准确内容,请参阅链接中的英语原文或自行翻译。

    Erik,

    实施的状态机 更多的是伪状态机。 它通过设置 主循环标志的中断进行控制。 中央待机是主环路空闲,等待来自ISR的数据。 当ADC和DMA传输完成时,一个标志将提醒主环路进入电池充电和DC-DC驱动程序例程。 LPM3和4功能不在 当前设计提供的代码中,但可以直接添加。

    正确,您以红色突出显示的块控制蓄电池充电系统。 MPPT_Tracking函数确定电流和占空比,然后设置为PWM输出。

    如果电池的平均电流过低或在设定的时间内开始反向,蓝色块将禁用面板。 这是通过递增Battery_Current_Counter来完成的。 如果在此期间电池电流自行恢复,则停机将停止,并且面板将保持打开状态。 这是代码的"else if"部分的作用。

    这是为了防止反向电流在太阳辐射不足时可能损坏面板。 当面板电压再次升至高于蓄电池电压时,将使面板继续充电。

    如果您需要进一步澄清此主题,请告诉我。

  • 请注意,本文内容源自机器翻译,可能存在语法或其它翻译错误,仅供参考。如需获取准确内容,请参阅链接中的英语原文或自行翻译。

    亲爱的巴特:

    感谢您的回复,我通过您的解释清楚地了解了此固件的行为。

    最后,如果下面红色文字的判断是正确的,这意味着电池几乎充满电,所以关闭太阳能电池板,对吗?

        如果(((电池电流< 6)&&(!启动延迟))||(!GUI_Battery_choring_current_State))
        {
         电池_电流_计数器++;
         如果((电池_电流_计数器> 10)||(面板_电压> 1000)||(!GUI_Battery_Charge _电流状态))
         {
          PANEL_DISABLE;
          TD0CCTL1 = TD1CCTL1 = OUTMOD_0;
          TD0CCTL2 = TD1CCTL2 = OUTMOD_0;
          占空比=170;
          start_delay = 1;
          blank_time = 0;
         }
        }