This thread has been locked.

If you have a related question, please click the "Ask a related question" button in the top right corner. The newly created question will be automatically linked to this question.

[参考译文] MSP430G2231:RSA (QFN)封装ADC输入(WFP 1.6 和WFP 1.7)

Guru**** 2512765 points
Other Parts Discussed in Thread: MSP430G2231

请注意,本文内容源自机器翻译,可能存在语法或其它翻译错误,仅供参考。如需获取准确内容,请参阅链接中的英语原文或自行翻译。

https://e2e.ti.com/support/microcontrollers/msp-low-power-microcontrollers-group/msp430/f/msp-low-power-microcontroller-forum/1091821/msp430g2231-rsa-qfn-package-adc-inputs-p1-6-and-p1-7

部件号:MSP430G2231

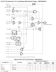
在围绕MSP430G2231进行设计时,我注意到SLAS694J将 N和PW (TSSOP/DIP)封装显示为在1.6 和WFP 1.7 上具有ADC输入,但在WFP和1.6 WFP 1.7 上显示为没有ADC输入。

但是,SLAS694J后面的端口图显示了ADC在WFP 1.6 和WFP 1.7 上的输入,并且不区分这些软件包。  表1还显示了具有8个ADC通道的所有MSP430G2231封装:

我测试了RSA封装中的物理部件(标记:M430G2231 TI 168G AE5L),WFP 1.6 和WFP 1.7 似乎可以用作ADC输入。

 WFP 1.6 和WFP 1.7 在RSA封装中,它们的ADC输入功能是否完全符合数据表规格?  或者,出于某些未公开的原因(超出规格,串扰,噪音等),不应将WFP 1.6 和WFP 1.7 用作RSA封装的ADC输入?  无论采用哪种方式,都应更新数据表以使其更清晰。

  • 请注意,本文内容源自机器翻译,可能存在语法或其它翻译错误,仅供参考。如需获取准确内容,请参阅链接中的英语原文或自行翻译。

    您好,TJ:

    您可以看到包装下方有一个注释:有关I/O信息的详细信息,请参阅应用信息中的端口示意图。

    有关MSP430G2x31的I/O功能详细信息,请参阅该章。 在本章中,将明确如何使用I/O的每个功能

  • 请注意,本文内容源自机器翻译,可能存在语法或其它翻译错误,仅供参考。如需获取准确内容,请参阅链接中的英语原文或自行翻译。

    您好,Allen:

    是的,我看到了包装下面的注释:

    该资料显示,WFP 1.6 和WFP 1.7 具有ADC功能(如我的原帖所述):

    但是,如果您仔细查看RSA (QFN)封装的插针图,您会注意到通过1.0 WFP 1.5 的WFP包括A0,A1,...。 A5,但WFP 1.6 和WFP 1.7 不包括A6或A7:

    相比之下,N和PW针图显示A0-A7:

    这将意味 着,RSA(QFN)方案中的WFP 1.6 和WFP 1.7 不支持ADC。  然而,端口原理图却显示了这一点。  这就是为什么我要问哪一个是正确的。  在端口示意图上添加注释,说明WFP 1.6 和WFP 1.7 不支持RSA软件包中的ADC,或者忘记为RSA软件包创建单独的端口示意图,这比从插图中删除A6和A7要容易得多 (除非添加了A0-A5且忘记了A6和A7)。  如果端口示意图适用于WFP 1.6 和WFP 1.7 ,并且这些针脚在RSA (QFN)封装中与A6和A7 ADC输入正常工作,则RSA (QFN)针脚示意图不正确,应更新以包括 A6和A7。

    请确认。

  • 请注意,本文内容源自机器翻译,可能存在语法或其它翻译错误,仅供参考。如需获取准确内容,请参阅链接中的英语原文或自行翻译。

    您好,TJ:

    引脚功能的详细信息应根据PIN示意图。 感谢您对软件包信息的评论。