This thread has been locked.

If you have a related question, please click the "Ask a related question" button in the top right corner. The newly created question will be automatically linked to this question.

[参考译文] MSP430F5328:AVCC电压峰值影响ADC输入引脚处的电压。

Guru**** 2584225 points


请注意,本文内容源自机器翻译,可能存在语法或其它翻译错误,仅供参考。如需获取准确内容,请参阅链接中的英语原文或自行翻译。

https://e2e.ti.com/support/microcontrollers/msp-low-power-microcontrollers-group/msp430/f/msp-low-power-microcontroller-forum/591000/msp430f5328-avcc-voltage-spikes-influence-voltage-at-adc-input-pin

部件号:MSP430F5328

您好,

我测量OpAmp输出处的电压,ADC具有外部参考电压,该电压稳定,但AVcc峰值约25mV会影响相同25mV的ADC输入引脚处的电压。 当我从OpAmp输出断开ADC输入引脚并通过示波器测量OpAmp输出时,峰值消失。

该UC是否没有对ADC输入引脚处的电压AVcc峰值进行任何抑制?

我有以下示意图:

连接到OpAmp时ADC输入引脚的奥斯卡公克,AVcc电压测量值接近AVcc引脚:

我尝试了相同的STM32 UC原理图,AVcc引脚附近的电压峰值保持不变,但它们被抑制:

  • 请注意,本文内容源自机器翻译,可能存在语法或其它翻译错误,仅供参考。如需获取准确内容,请参阅链接中的英语原文或自行翻译。
    最好不要断开任何连接,而是测量R2两端的纹波,这样我们就可以看到一个通道上的运算放大器输出和另一个通道上的ADC输入。

    显然,如果ADC操作能够在AVCC上产生如此多的噪音,那么您的AVCC就没有足够的去耦功能。 请展示或介绍DVCC和AVCC总线电路,使其分离。 对于来自AVCC的运算放大器,+3V? 您使用的是哪种ADC参考源和电压? 如果是内部电容器- VREF针脚上有任何电容器? 执行运算放大器后面的RC滤波器,部件值如图所示?

    MSP430的SAR ADC没有输入缓冲器,因此在转换过程中可以在输入上产生一些纹波。 显然,ADC对输入电压的影响取决于电压源和缓冲电容器(如果有)的阻抗。
  • 请注意,本文内容源自机器翻译,可能存在语法或其它翻译错误,仅供参考。如需获取准确内容,请参阅链接中的英语原文或自行翻译。

    抱歉,我收到了错误的绘图,正确:

    我使用来自MAX6125的外部参考电压2.5V,它直接连接到MSP430的VREF +引脚,不带任何组件。

    是,RC滤波器组件值如图所示。

    +3V来自升压转换器。 当转换器输入处的电压为3V的绿色电压时,它在直通模式下工作,当电压低于3V时,它开始切换电感器,开关将该噪声传递给AVCC和DVCC。

    AVCC和DVCC去耦合:10uF+0.1uF接近引脚。

    开关和电源脉动之间存在依赖性,我认为脉动不是来自ADC操作:

    当然,MSP430的SAR ADC可以在采样期间产生波纹,在不使用RC滤波器时清晰可见:

    使用RC滤波器时,峰值消失。 我认为AVCC上的纹波会影响ADC输入的电压,它来自升压转换器操作。

    在数据表中,我找不到有关电源脉动抑制的信息。

  • 请注意,本文内容源自机器翻译,可能存在语法或其它翻译错误,仅供参考。如需获取准确内容,请参阅链接中的英语原文或自行翻译。

    Mikhail Zubko 说:
    在数据表中,我找不到有关电源脉动抑制的信息。[/QUOT]

    —因为没有,除非您正在寻找50/60Hz主滤波器,但您并不是这样。

    Mikhail Zubko 说:
    我认为AVCC上的纹波会影响升压转换器操作对ADC输入的电压。

    您已经注意到ADC采样伪影是短峰值。 很抱歉,我最初错过了这个。 我们可以得出结论,这不是产生40毫伏波动的ADC,很可能是运算放大器。 请注意,您的运算放大器电路具有巨大的直流增益,它可以轻松地拾取噪音。 在您的情况下,解决方案是-正确分离和过滤AVCC,确保对运算放大器进行良好的去耦,确保模拟信号/电源/输出路径中的任何位置都没有接地回路-为整个模拟电路构建良好的实心接地平面,或至少为运算放大器输入/电源/输出路径实施"星形接地"。

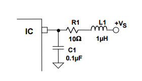
    关于AVCC分离和滤波 (+Vs将是DVCC,IC引脚将是AVCC引脚,显然是运算放大器功率):

  • 请注意,本文内容源自机器翻译,可能存在语法或其它翻译错误,仅供参考。如需获取准确内容,请参阅链接中的英语原文或自行翻译。

    谢谢!

    我使用的是原型,有很多独立的电线。 只需使用短,宽电线将原型连接到电源,即可显著降低噪音:

    之前:

    之后:

    在“星形”拓扑结构中连接电源和模拟接地,使我能够很好地去耦。 还在AVCC引脚处放置了RC滤波器。