尊敬的 TI 设计人员或工程师:
我们的产品需要您的帮助。
当我们使用由贵公司开发的 MSP430-1121a 芯片时、我们遇到了以下问题:
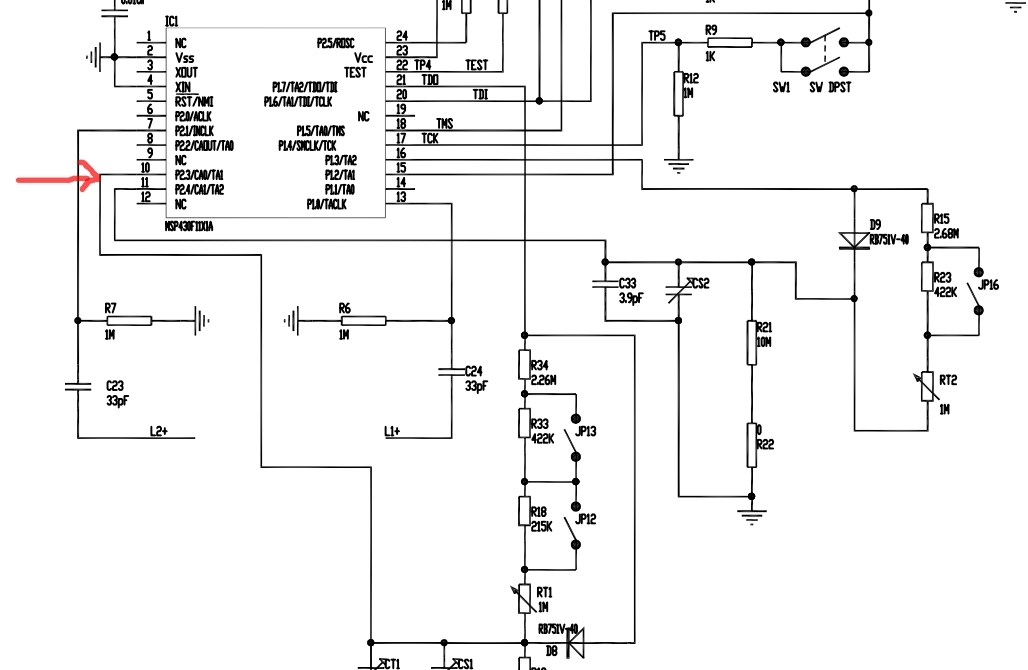
当端口 p2.3和 P2.4用作计数时、温度将极大地影响计数值、
当温度降低时、计数将增加(从20度增加到5度、增加约15%)。
相反、当芯片外壳加热时、计数值将减小。
我希望 TI 能帮助我们解决这个问题。
This thread has been locked.
If you have a related question, please click the "Ask a related question" button in the top right corner. The newly created question will be automatically linked to this question.
尊敬的 TI 设计人员或工程师:
我们的产品需要您的帮助。
当我们使用由贵公司开发的 MSP430-1121a 芯片时、我们遇到了以下问题:
当端口 p2.3和 P2.4用作计数时、温度将极大地影响计数值、
当温度降低时、计数将增加(从20度增加到5度、增加约15%)。
相反、当芯片外壳加热时、计数值将减小。
我希望 TI 能帮助我们解决这个问题。
CCR2_ISR:
mov.w #MC_0,&TACTL ; timer halted
clr.w &CCTL2 ; disable CCR2 interrupt
clr.w &TAR
bit.b #PenOrE,BitReg
jnc CCR2_ISR1
mov.b #P2CA1+CAF,&CACTL2 ; select CA1(p2.4) as CA +, filter select
mov.b #CAREF_1+CAON+CAIE,&CACTL1 ; turn on CA
mov.w #5900h,&CCTL1 ; input:CAOUT, capture in rising edge
mov.w #TASSEL_2+MC_2,&TACTL ; SMCLK, contmode
bic.b #BIT3,&P1OUT
jmp CCR2_ISR2
CCR2_ISR1:
mov.b #P2CA0+CAF,&CACTL2 ; select CA0(p2.3) as CA +, filter select
mov.b #CARSEL+CAREF_1+CAON+CAIES+CAIE,&CACTL1 ; turn on CA
mov.w #9900h,&CCTL1 ; input:CAOUT, capture in falling edge
mov.w #TASSEL_2+MC_2,&TACTL ; SMCLK, contmode
bic.b #BIT7,&P1OUT ; pen,(p1.7) set low
CCR2_ISR2:
bic #SCG1,0(SP) ; LPM2
reti

我们首先对 C32和 C33进行充电、然后对其进行放电、并将其与 VREF 进行比较、然后使用 P2.4对其进行计数。 P2.3是相同的原则。
我们可以看到 VREF 随温度的变化而明显变化、这种变化会对我们的计数产生影响。 当温度降低时、计数值将增加。
如何降低这种影响? 温度的降低将增加计数值。 请帮助我们解决此问题。
我们将电路中的 CS2电容器替换为56p NPO 电容器、结果仍然与描述一致。 使用吹风机的加热芯片可获得高温、将整个产品放入家用冰箱可获得低温。
因此、我们确认出现计数差异的主要原因是芯片中的 VREF 随温度变化。
要解决此问题:
1、如何设置稳定的 VREF 并将其连接到1121A 芯片内部;
2.选择一个具有更稳定 VREF 的芯片,这个芯片的封装与1121A 芯片的封装相同。
您好、Harry、
我们有专用的电压基准解决方案、这些解决方案应在温度范围内保持稳定、您可以在此处找到:
https://www.ti.com/power-management/voltage-reference/series-voltage-reference/overview.html
如果您将此基准与集成比较器配合使用、则应能够将其提供给比较器输入。
BR、
Leo