This thread has been locked.

If you have a related question, please click the "Ask a related question" button in the top right corner. The newly created question will be automatically linked to this question.

[参考译文] MSP430FR6047:当我设置 SAPHOSEL.PCH0SEL = 2时、针对 TX 和 RX 的建议电路是什么以及#39? 以及 TX 和 RX 偏置如何工作?

Guru**** 2553450 points


请注意,本文内容源自机器翻译,可能存在语法或其它翻译错误,仅供参考。如需获取准确内容,请参阅链接中的英语原文或自行翻译。

https://e2e.ti.com/support/microcontrollers/msp-low-power-microcontrollers-group/msp430/f/msp-low-power-microcontroller-forum/889236/msp430fr6047-when-i-set-saphosel-pch0sel-2-what-s-the-recommended-circuit-for-tx-and-rx-and-how-does-tx-and-rx-bias-work

器件型号:MSP430FR6047

当我为差分输出驱动器设置 SAPHOSEL.PCH0SEL = 2时、建议的 TX 和 RX 电路是什么? 以及 TX 和 RX 偏置如何工作?

  • 请注意,本文内容源自机器翻译,可能存在语法或其它翻译错误,仅供参考。如需获取准确内容,请参阅链接中的英语原文或自行翻译。

    您好、您好、

    我们的所有 EVM 都是针对单端输出而构建的。 我们没有差分输出驱动器的推荐电路。  

     http://www.ti.com/lit/pdf/slau367上器件系列用户指南的第21.3.3.1节"Tx 偏置和 Rx 偏置" 介绍了 TX 和 RX 偏置应用及其用法。

    Srinivas

  • 请注意,本文内容源自机器翻译,可能存在语法或其它翻译错误,仅供参考。如需获取准确内容,请参阅链接中的英语原文或自行翻译。

    你好,Srinivas

    我们正在构建自己的电路、并希望了解差分输出的性能。 因此、我需要对差分模式下的偏置行为以及我应该将哪个输入端子用于 RX 进行更多解释。 用户指南中的部分仅适用于单端应用。

  • 请注意,本文内容源自机器翻译,可能存在语法或其它翻译错误,仅供参考。如需获取准确内容,请参阅链接中的英语原文或自行翻译。

    您好 Srinivas、  

    我只是在6047演示板上对2个电容器(用于耦合 RX 输入和 TX)进行了去色、并将寄存器更改为2、同时 CH0和 CH1 TX 输出无信号。

    你有什么进展吗?

    是的

  • 请注意,本文内容源自机器翻译,可能存在语法或其它翻译错误,仅供参考。如需获取准确内容,请参阅链接中的英语原文或自行翻译。

    您好、是的 H、

    小电路概念下的电流 限制。  

    BTW。 "805"描述了 C 或 R 的组件尺寸、允许多种安装选项。

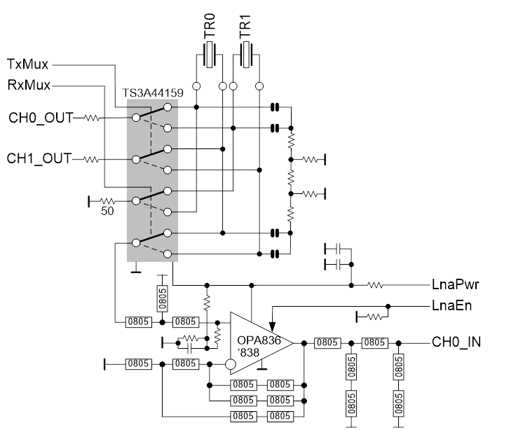
    该原理图是为'FR6047而设计的。  如果有偏置输出、则可以使用该输出

    在运算放大器的同相输入端设计的分压网络要简单得多。。  

    关于差分模式的性能...

    两个输出都是阻抗匹配的(请参阅。DS)。 之间没有/低偏斜。 外部开关会产生额外的"插入抖动"。 这一点很重要、是开关本身的明智选择。 使用一些具有低导通电阻和高通道分离度的器件。 实现 高 PSRR 的电源电压滤波也很重要。 如果无法避免 SMPS 、请将 LDO 用作后置稳压器;如果无法避免、请使用在测量频谱之外运行的 SMPS。  

    偏置输出电压随内部偏置选择一起改变其值。   

    设计愉快、充满乐趣

        Johann

  • 请注意,本文内容源自机器翻译,可能存在语法或其它翻译错误,仅供参考。如需获取准确内容,请参阅链接中的英语原文或自行翻译。

    您好 Johann、

    感谢您的详细答复。 如前所述、我在6047演示板上对两个通道的 Rx 输入和 TX 输出之间的电容进行了去色、首先使用 PCH0SEL=PCH1SEL=1、工作正常、可以看到脉冲输出。 但是、当我更改为  PCH0SEL=PCH1SEL=2时、两个通道的输出都是0伏。 我应该修改其他寄存器吗?

  • 请注意,本文内容源自机器翻译,可能存在语法或其它翻译错误,仅供参考。如需获取准确内容,请参阅链接中的英语原文或自行翻译。

    您好!

    仅在 PPG 触发脉冲时驱动输出。   仅 当脉冲被定向至 CH0时、请参阅图21-12 [DS]。    暂停期间(ping 前后)的输出电平由 SAPHAPLEV 寄存器决定。 在这里、它是序列中第1个 ping 的位0。 暂停期间的输出使能由 SAPAHPHIZ 寄存器决定。 第1次 ping 的位0。 SAPHAPOL 寄存器允许极性从开始。  

    差分模式仅在与 ASQ...配合使用时可用。 这就是为什么您必须告诉 ASQ 应该在前后发生什么情况。

    您必须通过设置 SAPHASCTL0.ASQCHSEL=0来选择通道0作为输出。 开始时、只尝试一个一个 ping 序列、设置 SAPHASCTL0.PNGCNT=0。 可以了。 然后触发 ASQ => DONE。

    祝您乐在其中

      Johann

  • 请注意,本文内容源自机器翻译,可能存在语法或其它翻译错误,仅供参考。如需获取准确内容,请参阅链接中的英语原文或自行翻译。

    由于没有其他问题、我将关闭此主题。

    祝你度过美好的一天

       Johann