This thread has been locked.

If you have a related question, please click the "Ask a related question" button in the top right corner. The newly created question will be automatically linked to this question.

[参考译文] MSP430I2041:MSP

Guru**** 2380780 points
Other Parts Discussed in Thread: MSP430I2041
请注意,本文内容源自机器翻译,可能存在语法或其它翻译错误,仅供参考。如需获取准确内容,请参阅链接中的英语原文或自行翻译。

https://e2e.ti.com/support/microcontrollers/msp-low-power-microcontrollers-group/msp430/f/msp-low-power-microcontroller-forum/1164184/msp430i2041-msp

器件型号:MSP430I2041

您好、先生、   

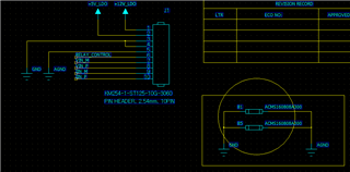
我将 MSP430I2041用于电流表。   

-在电路中, 每当我操作继电器 CPU 时,它都会出现复位情况。   

 我不知道这个问题。  我需要你的帮助。  

谢谢你。  

  • 请注意,本文内容源自机器翻译,可能存在语法或其它翻译错误,仅供参考。如需获取准确内容,请参阅链接中的英语原文或自行翻译。

    您好!

    只需验证系统中的某些组件即可。

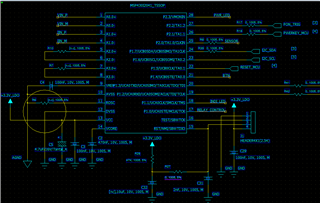
    Relay_control 是否用于 UCA0STE? 当 Relay_control 为高电平时、会发生复位? 您是否能够使用示波器检查可能的噪声是否会导致复位线路发生变化?

    我看到您有带电阻器的 ROSC、但它是 n.p.、这是否意味着未组装、因此您使用的是内部电阻器模式? 如果是、建议将引脚连接到 AVSS、如果使用外部 ROSC 模式、建议使用20kΩ Ω、0.1%精度、±50ppm/℃的电阻器、这是为了从 DCO 中获得最佳精度。

    此致、

    Luke

  • 请注意,本文内容源自机器翻译,可能存在语法或其它翻译错误,仅供参考。如需获取准确内容,请参阅链接中的英语原文或自行翻译。

    您好!   

    我使用 AVSS 测试了 ROSC。 情况相同。   我将测试复位波形、并向您介绍结果。   

    我有疑问。   我检查了 AVSS 和 DVSS。  电阻约为24欧姆。   这几乎是短路条件。

    这是正确的吗?  

  • 请注意,本文内容源自机器翻译,可能存在语法或其它翻译错误,仅供参考。如需获取准确内容,请参阅链接中的英语原文或自行翻译。

    您是否尝试了两种极性? 您可能会测量 ESD 二极管的正向路径。