主题中讨论的其他器件:MSP-EXP430F5529LP、 ISO1540、 ISO1541、
工具/软件:Code Composer Studio
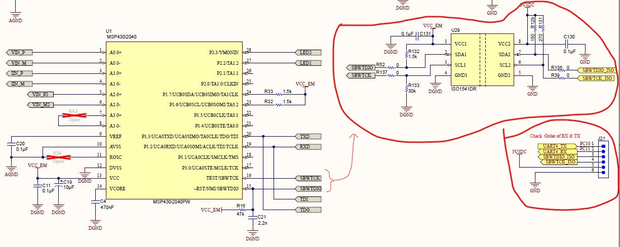
我尝试使用 MSP430 IC 和 Launchpad MSP-EXP430F5529LP 之间连接的隔离器 ISO1540对 MSP430I2041进行编程。 IC 在无隔离的情况下进行编程。 但隔离后、它不会进行编程。 下面我附上 ISO1540设置的原理图(唯一的区别是我使用的是 ISO1541、而不是 ISO1540)。
请向我推荐解决方案。
谢谢、此致、
Deepak
