This thread has been locked.

If you have a related question, please click the "Ask a related question" button in the top right corner. The newly created question will be automatically linked to this question.

[参考译文] CCS/MSP430FR2533:SMCLK 不等于预期频率

Guru**** 2516170 points


请注意,本文内容源自机器翻译,可能存在语法或其它翻译错误,仅供参考。如需获取准确内容,请参阅链接中的英语原文或自行翻译。

https://e2e.ti.com/support/microcontrollers/msp-low-power-microcontrollers-group/msp430/f/msp-low-power-microcontroller-forum/713937/ccs-msp430fr2533-smclk-not-equel-to-expect-frequency

器件型号:MSP430FR2533

工具/软件:Code Composer Studio

您好!  

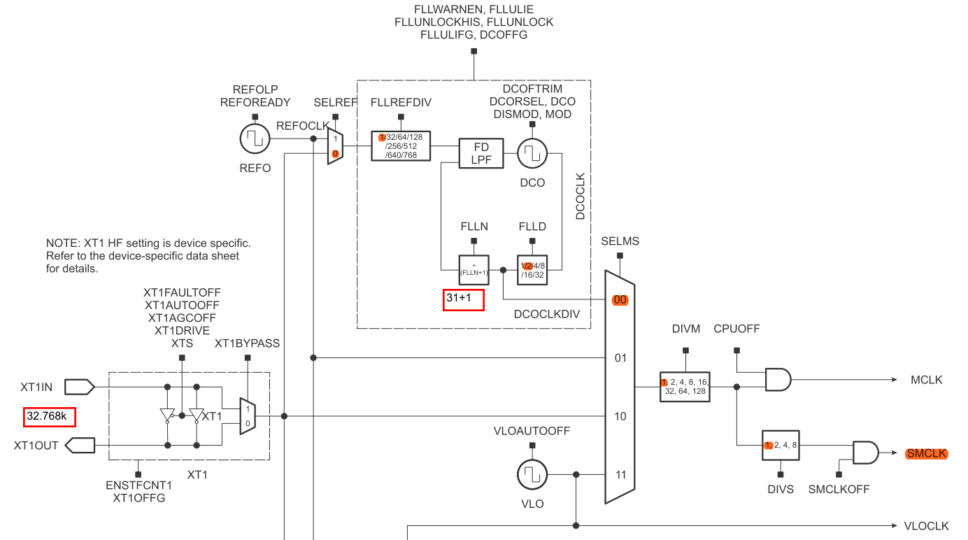
   我预期 smclk 的输出频率如下公式所示。 但真正的输出频率为 1.048Mhz。  

   Fdco = 2^-1 x 32 x 32768 = 524.288k Hz

  

  • 请注意,本文内容源自机器翻译,可能存在语法或其它翻译错误,仅供参考。如需获取准确内容,请参阅链接中的英语原文或自行翻译。
    您好 Jeff

    在调试模式下、您能否在寄存器观察窗口中验证 CSCTL1和 CSCTL2中的值?
  • 请注意,本文内容源自机器翻译,可能存在语法或其它翻译错误,仅供参考。如需获取准确内容,请参阅链接中的英语原文或自行翻译。
    您好 Jeff

    您是否检查了 CCS 或 IAR 中的值?
  • 请注意,本文内容源自机器翻译,可能存在语法或其它翻译错误,仅供参考。如需获取准确内容,请参阅链接中的英语原文或自行翻译。
    您好、Gary、
    我上一个帖子从 View->Register 中读取的值。 我认为问题是我不会在表达式下面添加内容。 因为示例代码输出频率是正确的。 我稍后将进行测试并向您提供反馈。

    CSCTL1 = DCOFTRIMEN_1 | DCOFTRIM0 | DCOFTRIM1 | DCORSEL_3;

    谢谢!
    陈信哲