This thread has been locked.

If you have a related question, please click the "Ask a related question" button in the top right corner. The newly created question will be automatically linked to this question.

[参考译文] ADS1292:ads1292无法获取数据?

Guru**** 2510455 points


请注意,本文内容源自机器翻译,可能存在语法或其它翻译错误,仅供参考。如需获取准确内容,请参阅链接中的英语原文或自行翻译。

https://e2e.ti.com/support/microcontrollers/msp-low-power-microcontrollers-group/msp430/f/msp-low-power-microcontroller-forum/726146/ads1292-ads1292-can-not-get-data

器件型号:ADS1292

以下是 reg:

  • 请注意,本文内容源自机器翻译,可能存在语法或其它翻译错误,仅供参考。如需获取准确内容,请参阅链接中的英语原文或自行翻译。

    你好,Yanchen!

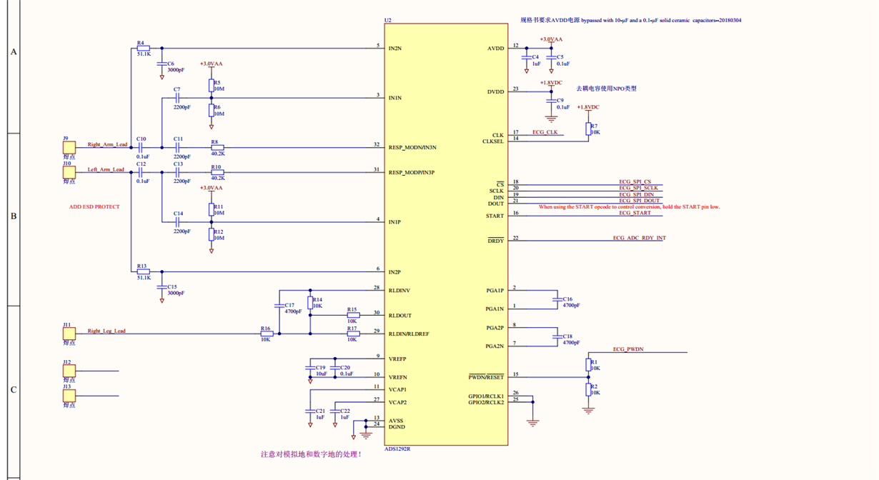
    您能提供更多详细信息吗? 您是否已连接到我们的 ADS1292EVM-PDK 或您是否拥有自己的硬件? 您能否分享您的设置中的原理图或屏幕截图?

  • 请注意,本文内容源自机器翻译,可能存在语法或其它翻译错误,仅供参考。如需获取准确内容,请参阅链接中的英语原文或自行翻译。

    问题 :

     有时可以获取数据、有时无法获取数据。

  • 请注意,本文内容源自机器翻译,可能存在语法或其它翻译错误,仅供参考。如需获取准确内容,请参阅链接中的英语原文或自行翻译。
    uint8_t retvalue=0;
    uint8_t index=0;
    nrf_gpio_cfg_output (SPI1_CONFIG_SS_PIN);
    nrf_gpio_cfg_output (ECG_START_PIN);
    nrf_gpio_cfg_output (ECG_PWDN_PIN);
    RET_CODE_t ERR_code;
    nrf_drv_gpioT_in_config_t in_config = GPIOTE_CONFIG_IN_SENSE_HITOLO (TRUE);
    in_config.pull = NRF_GPIO_PIN_PULLUP;
    ERR_code = nrf_drv_gpioT_in_init (ECG_ADC_RDY_INT、&IN_CONFIG、READ_PIN_PIN_handler);
    app_error_check (err_code);
    nrf_drv_gpioT_in_event_enable (ECG_ADC_RDY_INT、TRUE);
    ADS1292_start_low;
    ads1292r_reset (适配器);
    ADS1292_START_LOW;
    nrf_delay_ms (100);
    ads1292r_read_data_stop_continue (adapter);
    nrf_delay_ms (10);
    while (1)
    {
    retvalue=ads1292r_get_id (adapter);
    SEGGER_RTT_printf (0、"retvalue="%02x\n"、retvalue);
    if (retvalue=ADS1292_ID || retvalue=ADS1292R_ID)
    {
    break;
    }
    nrf_delime_ms (10);
    if (index>200)
    {
    return f_raf_er=ADS1292R_set
    
    
    
    ;}paracator_ref_ref_ref_ref_ref_ref_adr_refs/r_ref_refs/r_ref_refix_adr_adr_ref<ADS1292r_dr_set_r_adr_parator_off<s=ADS1292r_r_set_r_r_adr_adr_adr_adr_adr_adr_adr_off<ADS1292r=ADS12_parator_r_off<= ADS12_r_r_r_r_adr_adr_r_parator_off<=
    
    ADS1292r_r_r_adr_adr_adr_adr_adr_adr_
    
    
    
    
    nrf_delay_ms (10);
    
    ads1292r_set_internal_clk_connect (adapter、ADS1292R_internal_clk_connect_disable);
    ads1292r_test_signal_en (adapter、ADS1292R_test_signal_off);
    // ads1292r_test_signal_disable (adapter_set
    
    、ADS1292r_mode_s/set_set
    );ads1292r_mode_s1292r_s/set_mode_s/set_mode_s1292r_set (adapter_mode_s1292r_set)
    ads1292r_set_sample_rate (adapter、ADS1292R_SAMP_RATE_500);
    /0x03
    ads1292r_set_lead_off_comp th (adapter、ADS1292R_lead_off_COMP_TH);
    ads1292r_set_lead_off_current (adapter、ADS1292r_off_comp_th
    、ADS1292r_off_set
    );ads1292r_r_off_off_r_ads12r_off_set (r_off_r_off_ads1204_r_r_r_r_off_r_off_r_set)
    ADS1292R_nomal_operation);
    ads1292r_set_channel2_pwdn (适配器、ADS1292R_nomal_operation);
    ads1292r_channel1_pG (适配器、ADS1292R_PAG_12);
    ads1292r_channel2_pG (适配器、ADS1292R_pAG_input
    );ads12_channel_set
    ads1292r_set_channel2_input_select (adapter、ADS1292R_nomal_input);
    /0x06
    ads1292r_set_chop_frq (adapter、ADS1292R_chop_FRQ_16);
    ads1292r_set_rd_buff (adapter、ADS1292R_enable
    
    );ads1292r_set_r_adsense (adsle_set);
    ads1292r_set_rLD_connect_channel2_positive (adapter、ADS1292R_enable);
    ads1292r_set_rLD_connect_channel1_negative (adapter、ADS1292R_enable);
    ads1292r_set_rLD_connect_connect_negative (adapter、ADS1292R_disable_current-set
    )
    
    ;ads1292r_set_禁用 ADS1292r_channel_set_r_r_禁用 ADS1292r_r_禁用
    ads1292r_set_modulel2_LOFF_detection_neg_input (adapter、ADS1292R_enable);
    ads1292r_set_channel2_LOFF_detection_pos_input (adapter、ADS1292R_enable);ads1292r_set_channel1_LoFF_detection_neg_input (adapter、ADS1292r_set
    
    
    、ADS1292r_enable);ads1292r_encharg_encharg_ads12_set (ads_det_encharg_enet_enet_ads12_enam_enet_enet_encharg_ads1292r_enam_enet_enam_enam_encharg_ads12_ads12_ads1292r_ads
    
    //RESP
    //0x09
    ads1292r_SET_RESP_DEMOD (适配器、ADS1292R_RESP_DEMOD_ON);
    ads1292r_SET_RESP_mod (适配器、ADS1292R_RESP_MOD_ON);
    //ADS1292R_RESP_PHASE
    ads1292r_RESP_PHASE (适配器、ADS1292R_RESP_RESP_RESP_RESP_ENTR_RESP_RESP_RESP_RESP_ONP_MOD_ON);/ADS1292r_RESP_RESP_RESP_RESP_RESP_RESP_RESP_RESP_RESP_RESP_RESP_MODE_RESP_ONP_RESP_RESP_RESP_RESP_RESP_RESP_RESP_RESP_RESP_RESP_RESP_RESP_RESP_RESP_RESP_RESP_RESP_RESP_RESP_TOP_ONP_RESP_ONP_RESP_RESP_RESP_TO
    
    
    
    
    ads1292r_set_resp_frq (适配器、ADS1292R_RESP_FREQ_32);
    }
    否则(如果(retvalue=ADS1292_ID)
    {
    adapter->device_id=ADS1292_ID;
    SEGGER RTT_printf (0、"选择 ads1292\n");
    ads1292r_sr_set、adr_adr_refer (ADS1292r_set
    
    );adr_r_refr_refr_refr_refor_adr_ref_adr_adr_adr_adr_adr_adr_adr_adr_adr_adr_adr_adr_adr_adr_adr_adr_adr_refs (ADS1292r_set)
    nrf_delay_ms (10);
    ads1292r_set_internal_clk_connect (adapter、ADS1292R_internal_clk_connect_disable);
    ads1292r_test_signal_en (adapter、ADS1292R_test_signal_off);
    //ads1292r_test_signal_s/setr_set (adapter_mode_s1292r_s/set_set
    
    );ads1292r_mode_s1292r_s/set_set_mode_s1292r_mode_s/set_mode_s/set_s1292r_mode_s/set_s
    
    ads1292r_set_sample_rate (adapter、ADS1292R_SAMP_RATE_500);
    /0x03
    ads1292r_set_lead_off_comp th (adapter、ADS1292R_lead_off_COMP_TH);
    ads1292r_set_lead_off_current (adapter、ADS1292r_off_comp_th
    、ADS1292r_off_set
    );ads1292r_r_off_off_r_ads12r_off_set (r_off_r_off_ads1204_r_r_r_r_off_r_off_r_set)
    ADS1292R_POWER_DOWN);
    ads1292r_SET_channel2_pwdn (适配器、ADS1292R_Nomal_operation);
    ads1292r_channel1_pG (适配器、ADS1292R_PAG_6);
    ads1292r_channel2_pG (适配器、ADS1292R_short_input_set
    );ads1292r_channel_channel_set_pag (适配器、ADS1292r_channel_channel_pag)
    ads1292r_set_channel2_input_select (adapter、ADS1292R_nomal_input);
    /0x06
    ads1292r_set_chop_frq (adapter、ADS1292R_chop_FRQ_16);
    ads1292r_set_rd_buff (adapter、ADS1292R_enable
    
    );ads1292r_set_r_adsense (adsle_set);
    ads1292r_set_rLD_connect_channel2_positive (adapter、ADS1292R_enable);
    ads1292r_set_rLD_connect_channel1_negative (adapter、ADS1292R_enable);
    ads1292r_set_rLD_connect_connect_negative (adapter、ADS1292R_disable_current-set
    )
    
    ;ads1292r_set_禁用 ADS1292r_channel_set_r_r_禁用 ADS1292r_r_禁用
    ads1292r_set_modulel2_LOFF_detection_neg_input (adapter、ADS1292R_enable);
    ads1292r_set_channel2_LOFF_detection_pos_input (adapter、ADS1292R_enable);ads1292r_set_channel1_LoFF_detection_neg_input (adapter、ADS1292r_set
    
    
    、ADS1292r_enable);ads1292r_encharg_encharg_ads12_set (ads_det_encharg_enet_enet_ads12_enam_enet_enet_encharg_ads1292r_enam_enet_enam_enam_encharg_ads12_ads12_ads1292r_ads
    
    ///RESP
    /0x09
    ads1292r_SET_RESP_DEMOD (适配器、ADS1292R_RESP_DEMOD_OFF);
    ads1292r_SET_RESP_mod (适配器、ADS1292R_RESP_MOD_OFF);
    //ADS1292R_RESP_PHASE
    (ADS1292R_RESP_RESP_RESP_RESP_RESP_RESP_RESP_RESP_RESP_RESP_RESP_0
    
    
    
    
    
    );ADS1292r_RESP_RESP_RESP_RESP_RESP_RESP_RESP_RESP_RESP_RESP_RESP_RESP_RESP_RESP_RESP_RESP_RESP_ONP_RESP_RESP_RESP_RESP_RESP_RESP_RESP_RESP_RESP_RESP_RESP_RESP_RESP_RESP_RESP_RESP_TRF+
    
    
    ;ADS1264_RESP_RESP_RESP_RESP_RESP_RESP_RESP_RESP_RESP_RESP_RESP_RESP_RESP_RESP_RESP_RESP_RESP_RESP_RESP_RESP_RESP_RESP_RESP_RESP_RESP_RESP_RESP_RESP_RESP_RESP_RESP_RESP_RESP_RESP_RESP_AD
    
    
    
    
    
    
    
    
    
    
    
    返回 ADS_SUC; 

  • 请注意,本文内容源自机器翻译,可能存在语法或其它翻译错误,仅供参考。如需获取准确内容,请参阅链接中的英语原文或自行翻译。
    另一个问题:READY 引脚不能触发中断
  • 请注意,本文内容源自机器翻译,可能存在语法或其它翻译错误,仅供参考。如需获取准确内容,请参阅链接中的英语原文或自行翻译。
    您好、盐城

    您的 PCB 上是否同时安装了 R1和 R2? 是否可以重置或关闭电源? 您的通信线路的屏幕截图也会有所帮助。