您好!
应用:
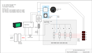
我正在构建一个大功率阻性负载、以对电动汽车电池进行放电、电 压可能在116Vdc 至93Vdc 之间变化、具体取决于充电状态(SoC)。 随附的图表显示了 EV 电池电压和 SoC 之间的关系。
通常、当放电达到20%或30% SoC 时、我会手动关闭放电。
在我看来、我希望它在预先确定的电压或 SoC 上自动停止放电、因此我不必为其提供婴儿看护。
>我认为设计需要什么。 (我不是电气设计人员、但我认为这里是我需要的。)
我认为这需要一个电压比较器电路。 比较 EV 电池高电压与预先确定的 SoC 电压。
然后,当两个电压相等时,运算放大器的输出将驱动接触器以打开电阻负载?
由于 SoC 设置可能会有所不同、具体取决于用户或情况、因此我不知道您会如何 更改 SoC 电压设置。
此外,由于电动汽车电池为高电压,电阻器偏差网络的值应较高,以减少高电流?
谢谢你 




