This thread has been locked.

If you have a related question, please click the "Ask a related question" button in the top right corner. The newly created question will be automatically linked to this question.

[参考译文] CC1350:CC1350:定制 CC1350电路板经常缺少确认/难以接收数据。

Guru**** 2521740 points
Other Parts Discussed in Thread: CC1350

请注意,本文内容源自机器翻译,可能存在语法或其它翻译错误,仅供参考。如需获取准确内容,请参阅链接中的英语原文或自行翻译。

https://e2e.ti.com/support/wireless-connectivity/sub-1-ghz-group/sub-1-ghz/f/sub-1-ghz-forum/911467/cc1350-cc1350-custom-cc1350-board-frequently-missing-acknowledgements-struggling-to-receive-data

器件型号:CC1350

 我在使用 CC1350 原型时遇到一些问题、非常感谢您提供帮助、以确保我在正确的位置寻找解决方案...

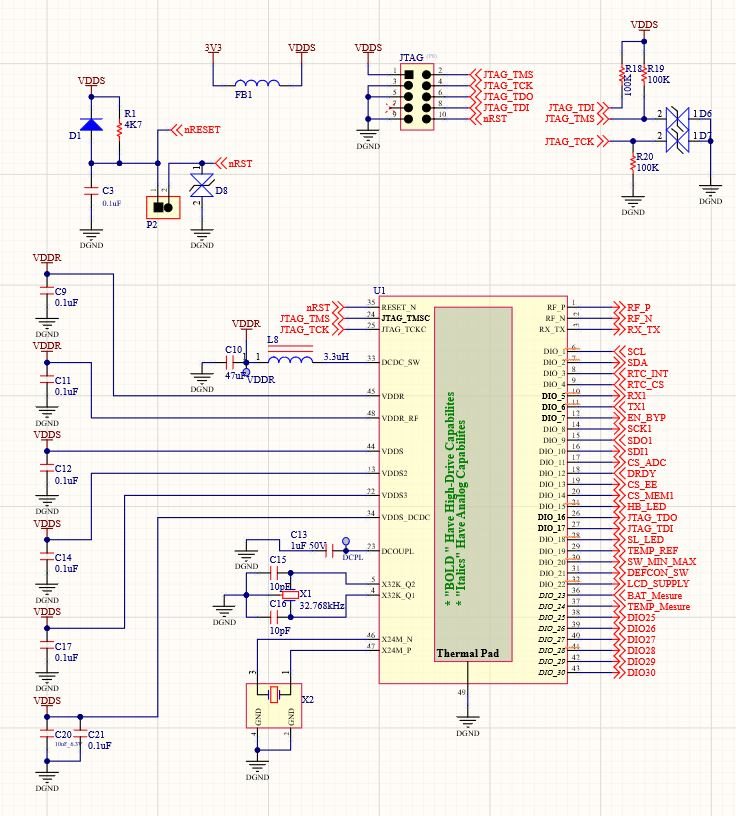
基本上,我看到的是基于 CC1350的传感器设备将发送868MHz 数据包的问题,该数据包主要由基于 CC1350的接收器(当前为 CC1350 Launchpad)接收,并在射频上发送确认。 但集中器传输的节点不会始终接收确认。

我已确认它与固件无关,因为节点通过射频连续传输数据,看起来集中器正在接收所有数据包,但节点没有接收到任何确认。我现在的最佳猜测是硬件, 特别是平衡-非平衡变压器和天线馈线/匹配。我将了解在未来几周内,我是否可以亲自使用矢量网络分析器进行一些测试, 但是、如果一些 TI 工程师能够快速查看设计并查看他们是否有任何建议、这将是一个巨大的帮助。

该设计本身在很大程度上基于 CC1350 Launchpad、具有相同的天线。 它是4层板。我也使用了相同的平衡-非平衡变压器组件和天线的匹配网络。 具体而言、问题在于低于1GHz 天线。

以下是可能相关的原理图部分和 PCB 布局部分:

  • 请注意,本文内容源自机器翻译,可能存在语法或其它翻译错误,仅供参考。如需获取准确内容,请参阅链接中的英语原文或自行翻译。

    -观察布局图,图上显示的绿色是什么?  

    -如果您怀疑硬件问题:您是否能够在电路板上执行传导测量以验证性能?  

    -您是否使用 rfPacketRx/Tx 进行了测试以简化某些系统?