This thread has been locked.

If you have a related question, please click the "Ask a related question" button in the top right corner. The newly created question will be automatically linked to this question.

[参考译文] CC1101:CC1101上天线的阻抗匹配

Guru**** 2531950 points
Other Parts Discussed in Thread: CC1101

请注意,本文内容源自机器翻译,可能存在语法或其它翻译错误,仅供参考。如需获取准确内容,请参阅链接中的英语原文或自行翻译。

https://e2e.ti.com/support/wireless-connectivity/sub-1-ghz-group/sub-1-ghz/f/sub-1-ghz-forum/1310882/cc1101-impedance-matching-of-antenna-on-cc1101

器件型号:CC1101

在我们正在修改的电路中、我们有一个用于868MHz 通信的 CC1101、因此需要再次调整匹配。 RF 电路的负责人现在在其他地方工作、因此我想尝试确定匹配情况、但我有一个问题、希望您能回答。

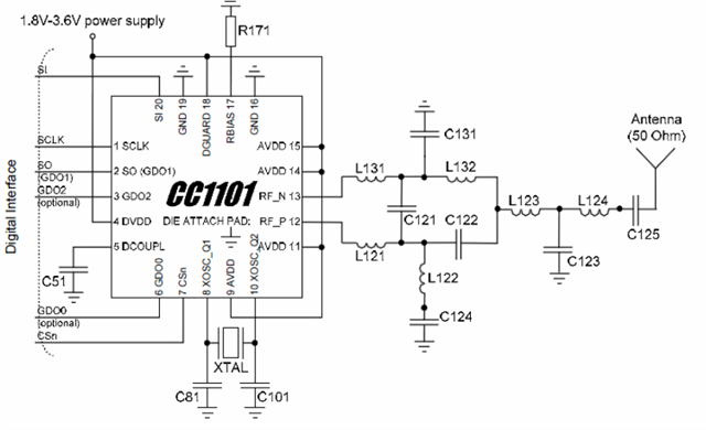
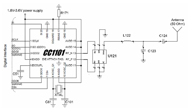
使用一个包含平衡-非平衡变压器滤波器的 Johanson 0896BM15A0001E 来实现 CC1101匹配网络、根据设计说明 DNO25、在连接到天线之前应该有一个 LCL 滤波器:

如果天线不是50欧姆并且需要进行调优、则需要在 L122/C123/C124之后插入一个额外的滤波器、或者我应该仅测量 L122端子的阻抗(如上图) 看到的电阻、并调优 L122/C123、以确保此节点在所需频率下测量50欧姆? 或者、在 C124处测量并确保该节点为50 Ω 的正确方法是吗?

我希望你能帮我,谢谢!

  • 请注意,本文内容源自机器翻译,可能存在语法或其它翻译错误,仅供参考。如需获取准确内容,请参阅链接中的英语原文或自行翻译。

    您好!

    对于此设计上的天线调优、建议 C124之后添加一个 π 型滤波器(或至少为一个添加该封装)(即不要 更改 L122/C123/C124的值)。

    有关天线匹配的信息、请参阅以下应用手册:

    此致、

    扎克

  • 请注意,本文内容源自机器翻译,可能存在语法或其它翻译错误,仅供参考。如需获取准确内容,请参阅链接中的英语原文或自行翻译。

    感谢您的答复、它回答了我的主要问题。 如果天线是无源的、是否需要 C124?

    此致、Joachim

  • 请注意,本文内容源自机器翻译,可能存在语法或其它翻译错误,仅供参考。如需获取准确内容,请参阅链接中的英语原文或自行翻译。

    C124用作直流模块、因此很有必要。