This thread has been locked.

If you have a related question, please click the "Ask a related question" button in the top right corner. The newly created question will be automatically linked to this question.

[参考译文] SN74LVC1G3157:DTB 封装的焊盘图案尺寸是多少?

Guru**** 2524460 points
Other Parts Discussed in Thread: SN74LVC1G3157

请注意,本文内容源自机器翻译,可能存在语法或其它翻译错误,仅供参考。如需获取准确内容,请参阅链接中的英语原文或自行翻译。

https://e2e.ti.com/support/switches-multiplexers-group/switches-multiplexers/f/switches-multiplexers-forum/892833/sn74lvc1g3157-what-are-the-land-pattern-dimensions-for-the-dtb-package

器件型号:SN74LVC1G3157

E2E、  

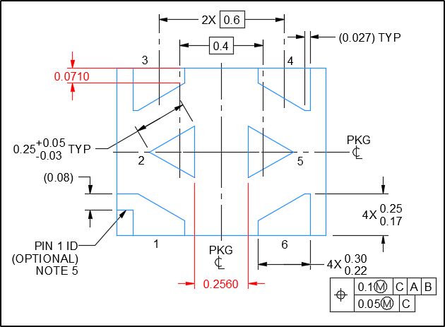
我正在处理 SN74LVC1G3157,需要找出红色标记中未知长度的封装轮廓。   

谢谢、

管理

  • 请注意,本文内容源自机器翻译,可能存在语法或其它翻译错误,仅供参考。如需获取准确内容,请参阅链接中的英语原文或自行翻译。

    尊敬的 David:

    请参阅以下输入:

    如果您有任何疑问、请告诉我。

    谢谢

    Saminah