This thread has been locked.

If you have a related question, please click the "Ask a related question" button in the top right corner. The newly created question will be automatically linked to this question.

[参考译文] TS3A227E:TS3A227工作问题

Guru**** 2387080 points
请注意,本文内容源自机器翻译,可能存在语法或其它翻译错误,仅供参考。如需获取准确内容,请参阅链接中的英语原文或自行翻译。

https://e2e.ti.com/support/switches-multiplexers-group/switches-multiplexers/f/switches-multiplexers-forum/623413/ts3a227e-ts3a227-work-issue

器件型号:TS3A227E

大家好、

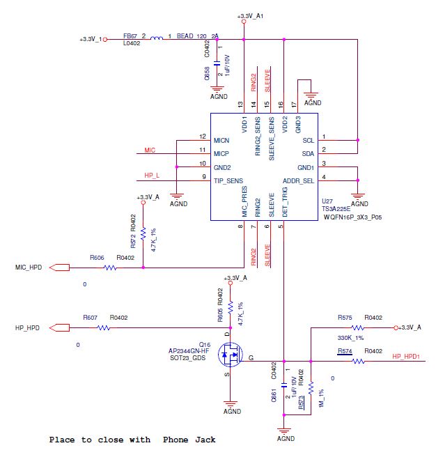
 根据 DisplayLink 的建议、我的客户使用 TS3A227替换 TS3A225。 请检查随附的原理图文件。

客户使用相同的条件(在插入耳机时、提示信号无静音)

TS3A225在经过测试的具有麦克风的耳机中工作良好[LRGM 类型]。

TS3A227:

 a.如果 TIP 信号由 tpa6139静音、则工作正常

 b.如果 耳机在 GND 和麦克风通道之间具有高阻抗(可能为10千欧或更高)、则有时效果良好(如果 TIP 信号未静音)。

客户希望了解 ts3a225和 ts3a227之间的不同麦克风检测算法。 由于 MUTE 信号由 DisplayLink 或 NB 的操作系统控制、因此客户需要提供硬件修改建议、以便尽可能正确地使用麦克风检测功能。 感谢你的善意帮助。

此致、

Gary

  • 请注意,本文内容源自机器翻译,可能存在语法或其它翻译错误,仅供参考。如需获取准确内容,请参阅链接中的英语原文或自行翻译。

    您好、Gary、

    请参阅之前 E2E 帖子的附加链接、了解两个开关之间的区别:

    谢谢、

    Loie