This thread has been locked.

If you have a related question, please click the "Ask a related question" button in the top right corner. The newly created question will be automatically linked to this question.

[参考译文] CC3220SF-LAUNCHXL:cc3220sf sop1电压?

Guru**** 2540720 points
Other Parts Discussed in Thread: CC3220SF-LAUNCHXL

请注意,本文内容源自机器翻译,可能存在语法或其它翻译错误,仅供参考。如需获取准确内容,请参阅链接中的英语原文或自行翻译。

https://e2e.ti.com/support/wireless-connectivity/wi-fi-group/wifi/f/wi-fi-forum/961472/cc3220sf-launchxl-cc3220sf-sop1-voltage

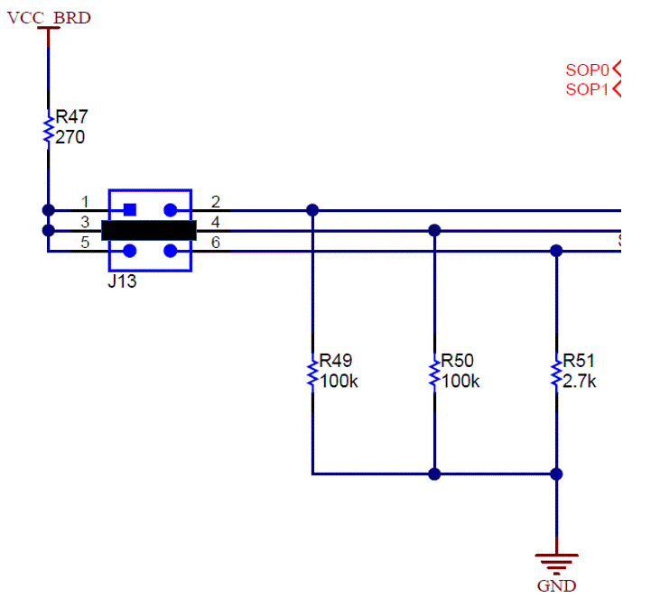
器件型号:CC3220SF-LAUNCHXL


我想使用固定为010的 SOP2/1/0。

我有两个问题。

1) 1)当270 Ω 上拉电阻和100K 上拉电阻连接到 SOP1时、测量值为1.56V、当仅 使用100K 上拉电阻时、它变为0V。

如果它被设置为输入、我认为它应该是3.3V。 为什么会发生这种情况?

2) 2)如果仅使用100K、是否存在问题?

请回答我的问题。

  • 请注意,本文内容源自机器翻译,可能存在语法或其它翻译错误,仅供参考。如需获取准确内容,请参阅链接中的英语原文或自行翻译。

    尊敬的 Kwon:

    您的 SOP 线上还有其他什么电路? 您是否还连接了下拉电阻器? 从您的了解中可以看到、系统中存在任何其他下拉电阻器、仅连接100K 时、该电阻器就会降低所有电压。  

    BR、

    Vince  

  • 请注意,本文内容源自机器翻译,可能存在语法或其它翻译错误,仅供参考。如需获取准确内容,请参阅链接中的英语原文或自行翻译。

    你(们)好 感谢您的回复。

    设置为010作为 LAUNCHXL 板中的跳线、SOP2/1/0彼此分离。

    SOP2/1/0配置为彼此独立。  它不会相互连接。

    SOP2只连接了2.7K 下拉电阻器、SOP1只连接了上拉电阻器(270或100K)、SOP0只连接了100K 下拉电阻器。

    我制作的板是一样的。

    由于测试、它与固件无关。  新的 cc3320sf 是相同的现象。

  • 请注意,本文内容源自机器翻译,可能存在语法或其它翻译错误,仅供参考。如需获取准确内容,请参阅链接中的英语原文或自行翻译。

    尊敬的 Kwon:

    您需要在引脚上设置下拉电阻、以确保 SOP 引脚的分压器正确。 如需更多信息、请参阅我们的文档和参考设计。  

    BR、

    Vince  

  • 请注意,本文内容源自机器翻译,可能存在语法或其它翻译错误,仅供参考。如需获取准确内容,请参阅链接中的英语原文或自行翻译。

    感谢你的答复。 我已经知道您建议的电路。

    但我想知道下面问题的答案。

    编号 SOP2/1/0固定为010。

    1) 1)当270 Ω 上拉电阻和100K 下拉电阻连接到 SOP1时、测量值为1.56V、当仅 使用100K 上拉电阻时、它变为0V。

      我认为它应该是3.3V。

       - 270/100K 偏差:3.3V*(100K/(270+100K))= 3.29V =>1.56V 测量值。

       -100K 上拉电阻:  测得的电压为3.3V => 0V。

       => 我想知道为什么测量的 sop1的另一个值不是3.3V。

    2) 2)对于 sop1、使用100K 上拉而不是270/100K 分频器时、有什么问题?

      - 通过计算、它等于270/100K 分频器或100K 上拉电阻。

  • 请注意,本文内容源自机器翻译,可能存在语法或其它翻译错误,仅供参考。如需获取准确内容,请参阅链接中的英语原文或自行翻译。

    在原始帖子中、您说100K 是上拉、现在您说它是下拉? 您是否介意附上您看到的两种情形的电路图?

    BR、

    Vince  

  • 请注意,本文内容源自机器翻译,可能存在语法或其它翻译错误,仅供参考。如需获取准确内容,请参阅链接中的英语原文或自行翻译。

    第一个问题 270欧姆上拉和100K 上拉是一个拼写错误。 它是 270 Ω 上拉电阻和100K 下拉电阻。 我很抱歉。

    该电路与您使用 CC3220SF-LAUNCHXL EK 板上传的电路相同。

    使用的电路如下:

    1. J13:1-2开路,3-4连接(R47:270,R50:100K),5-6开路=> 在 SOP1测得1.56V。

    2. J13:1-2开路,3-4连接(R47:100K,R50:N.C),5-6开路=> 在 SOP1测量0V。

      

  • 请注意,本文内容源自机器翻译,可能存在语法或其它翻译错误,仅供参考。如需获取准确内容,请参阅链接中的英语原文或自行翻译。

    尊敬的 Kwon:

    感谢您提供这些信息-我们的内部引导加载程序将根据 SOP 连接进入不同的模式。 查看数学运算(并联分压器和电阻器的组合)、您会得到以下结果:

    X 是器件的内部电阻。 现在、如果您在 R47处放置一个100K 的电阻器、那么在100K 和242欧姆之间执行简单的分压器将显示100K 电阻器上的大部分压降、从而为您提供0V 结果。

    BR、

    Vince  

  • 请注意,本文内容源自机器翻译,可能存在语法或其它翻译错误,仅供参考。如需获取准确内容,请参阅链接中的英语原文或自行翻译。

    您好~。

    感谢您的详细回答。

    最后一个问题是、使用固定为高电平(1)的 SOP1。

    是否可以使用 R47:100K、R50:N.C 代替 R47:270、R50:100K?  对于 sop1? 有问题吗?

    再次感谢你。

  • 请注意,本文内容源自机器翻译,可能存在语法或其它翻译错误,仅供参考。如需获取准确内容,请参阅链接中的英语原文或自行翻译。

    尊敬的 Kwon:

    您将需要遵循此处的参考设计、并使用270和100k 欧姆电阻器。 我认为它不适合尝试移除下拉电阻器并探测串联电阻器。

    BR、

    Vince

  • 请注意,本文内容源自机器翻译,可能存在语法或其它翻译错误,仅供参考。如需获取准确内容,请参阅链接中的英语原文或自行翻译。

    当在下载映像时执行复位时读取 SOP 值时、该值变为高电平、然后降至1.56V (270/100K)或0V (100K)。

    仅连接100K 上拉电阻时、它可用于映像下载。

    所以我问、因为运行没有差异。

  • 请注意,本文内容源自机器翻译,可能存在语法或其它翻译错误,仅供参考。如需获取准确内容,请参阅链接中的英语原文或自行翻译。

    我理解-我的建议是坚持参考设计、因为它已经过验证。 您最终要实施的是什么。

    BR、

    Vince  

  • 请注意,本文内容源自机器翻译,可能存在语法或其它翻译错误,仅供参考。如需获取准确内容,请参阅链接中的英语原文或自行翻译。

    感谢你的答复。