This thread has been locked.

If you have a related question, please click the "Ask a related question" button in the top right corner. The newly created question will be automatically linked to this question.

[参考译文] CC3220MODA:想要确认 CC3220MODASF12MONR 是否需要添加外部闪存

Guru**** 2528390 points
Other Parts Discussed in Thread: CC3220MOD

请注意,本文内容源自机器翻译,可能存在语法或其它翻译错误,仅供参考。如需获取准确内容,请参阅链接中的英语原文或自行翻译。

https://e2e.ti.com/support/wireless-connectivity/wi-fi-group/wifi/f/wi-fi-forum/926526/cc3220moda-wanted-to-confirm-if-the-cc3220modasf12monr-requires-adding-an-external-flash

器件型号:CC3220MODA
主题中讨论的其他器件:CC3220MOD

我正在使用 CC3220MODASF12MONR 对板进行布局、并想知道它是否需要外部闪存。 我的理解是、模块中已经存在外部闪存。 我通读了基于 CC3220MODASF12MONR 的 Launchpad 原理图、发现它有一个外部闪存、但我不确定这是不是芯片上所需的闪存。

如果 CC3220MODASF12MONR 需要添加外部闪存、是否有不需要的闪存?

我还看 了 CC3220MODASM2MONR --这个模块缺少额外的1MB 内部程序闪存。 是否需要添加外部闪存?   

我想确认一下、因为我之前问过这个问题、并从 TI 的同一个人那里获得了两个不同的答案。 Thread 就在这里。

谢谢!

  • 请注意,本文内容源自机器翻译,可能存在语法或其它翻译错误,仅供参考。如需获取准确内容,请参阅链接中的英语原文或自行翻译。

    您好!

    您不需要、甚至不能将外部 SPI 闪存连接到 CC3220MOD。 4MB SPI 闪存已 在模块中。

    1月

  • 请注意,本文内容源自机器翻译,可能存在语法或其它翻译错误,仅供参考。如需获取准确内容,请参阅链接中的英语原文或自行翻译。

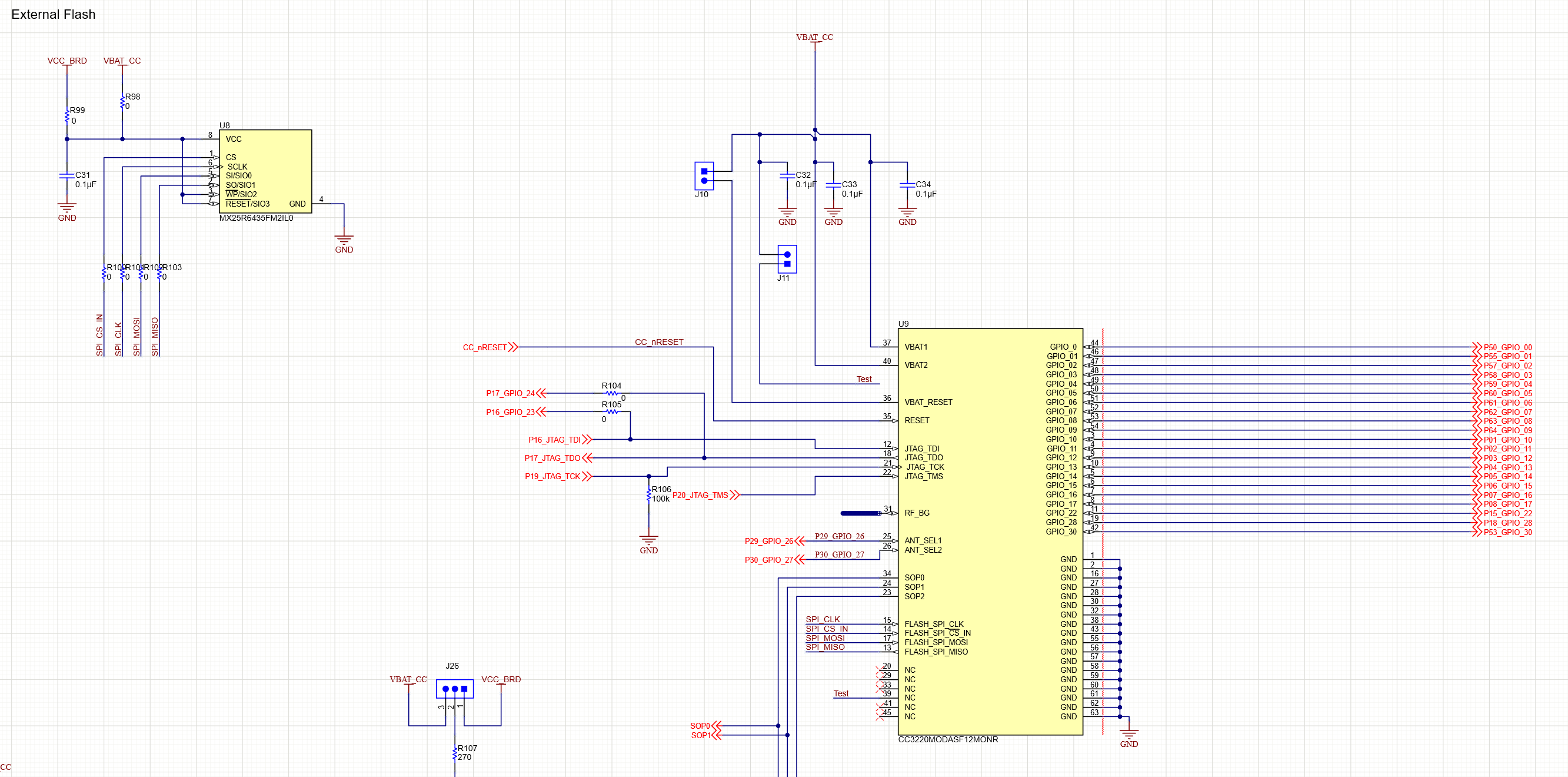
    这是我参考的文档--它显示了连接到外部闪存的模块。

  • 请注意,本文内容源自机器翻译,可能存在语法或其它翻译错误,仅供参考。如需获取准确内容,请参阅链接中的英语原文或自行翻译。

    您好!

    上面的原理图是 CC3220MOD LaunchPad 的一部分。 CC3220MOD 用法的典型原理图、可在 数据表第7.1章中找到。 请参阅 硬件设计检查清单、其中说明:

    闪存 SPI 13、14、15、17 仅用于对模块的集成32MB Sflash 进行外部编程。

    模块引脚15应为 FLASH SPI_CLK
    模块引脚14应为 FLASH SPI_CS_IN
    模块引脚17应为 FLASH SPI_MOSI
    模块引脚13应为 FLASH SPI_MISO

    1月